ABB 81EU01 GJR2391500R1210 Проконтроль P14 универсальный входный модуль
Подробная информация о продукте:
| Наименование марки | ABB |
| Модель | 81EU01 GJR2391500R1210 |
| Идентификатор продукции | GJR2391500R1210 |
| Состояние | Новый |
| Валовая масса | 2.2 фунта / 35.2 унции / 1 кг |
| Размер упаковки | 6.4 x 6.4 x 4.8 (16 см x 16 см x 12 см) |
| Страна происхождения | Швеция (SE) |
| Продолжительность | В наличии |
| Морской порт | Сямэнь |
| Оплата | T/T |
| Цена продажи | Расследование |
| Цвет | Зависит от материала. |
| Гарантия | 12 месяцев |
| Время выполнения | 5-8 рабочих дней |
| Партнеры курьеров | DHL, UPS, TNT, FedEx и EMS |
Дополнительная информация:
| Рабочее напряжение | +24 В |
| Основное требование | 140 мА |
| Диапазон ответа монитора | 0... 3 В |
| Сопротивление ввода | 10kOhm + 11 %, - 10 % |
| Ограничение уничтожения | > 55 В |
| Сопротивление | 5... 100 Ом |
Описание:
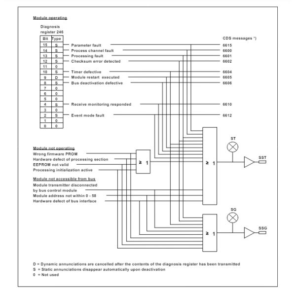
81EU01 GJR2391500R1210 - устройство ввода от ABB, известное как 81EU01. Он предназначен для обработки как бинарных, так и аналоговых сигналов.Рисунок 1 показывает диагностические сообщения и концепцию оповещения и мониторингаВсе сообщения объявляются по линии SST или лампе ST на передней стороне модуля соответственно.это интерпретируется как нарушение модуля модулем управления избыточностью 88TR01 и обозначается лампой SG на передней панели модуляРазработанный для беспроблемной интеграции в промышленные системы управления, этот модуль ввода ABB предлагает точные возможности сбора и обработки данных.обеспечение надежной производительности в различных производственных средах.
Универсальный модуль ввода ABB 81EU01 GJR2391500R1210 является частью системы ABB Procontrol P14. Он предназначен для обработки вводов как от бинарных, так и от аналоговых передатчиков,предоставление универсальной функциональности в системах промышленного управленияУниверсальный входный модуль 81EU01 способен принимать входные данные как от бинарных (цифровых), так и от аналоговых передатчиков, что делает его универсальным модулем для различных типов сигналов.Он обычно используется в системах управления процессом для интерфейса с различными датчиками и инструментамиМодуль 81EU01 обычно используется в таких отраслях промышленности, как производство электроэнергии, нефтегазовая промышленность, химическая промышленность и промышленность.когда система Procontrol P14 используется для управления процессом и автоматизации.

ABB 81EU01 - универсальный входный модуль, используемый в системе ABB PROCONTROL P. Он действует как интерфейс между различными датчиками и системой управления, собирая и обрабатывая входные сигналы.Ключевой особенностью 81EU01 является его способность обрабатывать широкий спектр типов датчиков.Модуль состоит из 16 независимых функциональных блоков, каждый из которых может быть сконфигурирован для приема определенного типа входа датчика.позволяет многогранность при подключении различных датчиков к системе.
Он состоит из 16 функциональных единиц. Каждая функциональная единица может использоваться для любого типа режима ввода. Любая комбинация возможна.Выделение параметров и настройка программируется легко через список конфигурацийЗапрограммированные значения хранятся в EEPROM, чтобы они не терялись в случае отключения электроэнергии.Модуль передает входные сигналы и/или конвертированные входные сигналы в виде телеграмм через станционную шину в систему шины PROCONTROLПеред передачей телеграммы проверяются и снабжаются битами паритета. Это гарантирует, что приемный модуль может проверить беспроблемную передачу.Модуль проверяет телеграммы, полученные через автобус станции., например, предназначенные для корректирующих расчетов, по их паритетному биту для беспроблемной передачи.

Ссылка на лист данных: