Датчик петли Сенсор 20-2000μH -40~70°C Автоматическое перезагрузка защиты от молнии
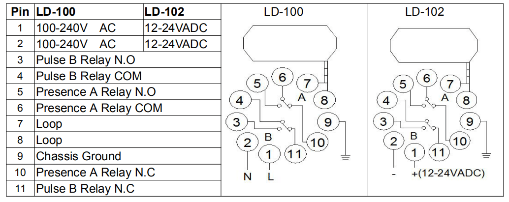
Наименование продукта:Детектор петли ворот парковочных барьеров LD-102
Описание:Детектор петли парковочных шлюзов LD-102 специально разработан для парковочных шлюзов, обеспечивая бесперебойную автоматическую работу шлюзов путем точной идентификации и обнаружения широкого спектра транспортных средств.в том числе сверхразмерные транспортные средства, грузовики и мотоциклы.
Преимущества:
Детектор замыкания парковочных ворот LD-102 обеспечивает надежные и надежные возможности обнаружения транспортных средств, предлагая широкий диапазон обнаружения, повышенную чувствительность, возможность автоматического сброса,гибкий выбор уровня обнаружения, надежная защита от молнии и широкий диапазон эксплуатационной среды.
Параметры продукта:
| Спецификация | Стоимость |
| Диапазон автоматического поворота | 20 - 2000 мкГ |
| Чувствительность | 16-сторонний выбор / Наибольшее 0,010% DL/L / Наименьшее 2,56% DL/L |
| Частота | Четырехступенчатый переключатель, подлежащий выбору 20-80 КГц |
| Потребности в электроэнергии | 110-240VAC (48-62Hz) / 12-24VADC |
| Операция Temp | -40°C до +70°C / (-111°F до +158°F) |
| Выход из неисправности | Медленно мигает: может указывать на короткое замыкание или недостаточное количество поворотов Быстрее мигает: может указывать на открытую петлю или чрезмерное количество поворотов |
| Время ответа | Включение 10-90 МС / выключение 10-90 МС |
| Визуальные показания | Силовой светодиод - красный Канал LED - зеленый |
| Перезагрузить | Перезагрузка с помощью кнопки на передней стороне корпуса |
| Выход реле | Реле присутствия / Реле неисправности |
| Влажность | До 95% относительной влажности без конденсации |


Переключатель 2 (настройки глубинного переключателя)
1.DIP 1 & DIP 2 Установка специальных функций

2.DIP 3 & DIP 4 Настройка реле B Выход

3. Настройка автоматического перезагрузки DIP 5

4. DIP 6 & DIP 7 & DIP 8 Настройка реле с задержкой

5. DIP 9 & DIP 10 Настройка частоты (40 К до 100 КГц).

Установка петли:

Проблема с стрельбой:

Массовое производство:
Наша производственная линия обеспечивает эффективное массовое производство, строгий контроль качества и тщательное предварительное тестирование для доставки продуктов Loop-детектора максимального совершенства.





Сертификация:

