DC SSR реле DC SSR одиночное встроенного
Описание реле DC SSR
Как делают полупроводниковые реле работать?
ключевая характеристика полупроводникового реле что она не требует, что никакие двигающие части выполняют задачу открытия или заключительных контактов на цепи.
Не похож на механическое реле, никакое позиционноцикловое изменение любого компонента внутри полупроводниковое реле когда оно переключает между включено-выключено, открытыми/закрытыми государствами. Вместо этого полупроводниковое реле работает путем преобразовывать входящий электрический сигнал управления до оптически одно, часто выход через ультракрасное СИД или подобное (примечание, однако, что термина „полупроводниковое реле“ родовое одно, и покрывает разнообразие конфигурации).
Этот оптически сигнал после этого увольнять через небольшой зазор (постоянно) открытого пространства внутри модуль - известный как opto-амортизатор - ко где он получал фоточувствительным транзистором, который в свою очередь преобразовывает и отправляет дальше сигнал в более дополнительные электрические детали. Это замыкает цепь и в конечном счете вызывает пожеланное действие, все без всех контактов в полупроводниковом реле всегда приходя в сразу физический контакт друг с другом.
Спецификация реле DC SSR
DC SSR одиночное встроенного
|
Основной технический параметр Тип | SDI1102D | SDI1103D SDI1105D | SDI3003D SDI3005D |
| Напряжение на зажимах | 12-110VDC | 12-110VDC, 12-300VDC | |
| Течение максимальной нагрузки | 2A | 3A, 5A | |
| Пари изоляции. Внутри & вне | ≥2000VAC 1 минута | ||
| Изоляция, который нужно покрывать | ≥2500VAC 1min | ||
| Управляющее напряжение | 3-15Vor 15-28V | ||
| Регулирующий ток | 3-30mA | ||
| Падение напряжения тока включения | ≤1.3V | ||
| утечка -государства | < 0.05mA | ||
| Время переключателя | ≤0.1ms | ||
| Индикатор состояния | НЕТ | СИД | |
| Рабочая температура | -40~80℃ | ||
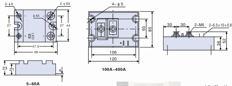
Размеры реле DC SSR

DC SSR горизонтального, DC SSR модуля
|
Основной технический параметр Тип | SDP1105D SDP1110D SDP1120D SDP4010 SDP4020 SDP4030 SDP4040 SDP6060 SDP6020 SDP6030 SDP6040 SDP6060 | Серия SDM |
| Ряд напряжения на зажимах | 12-110VDC, 12-480VDC, 12-600VDC | 48-400VDC, 48-1000VDC |
| Течение максимальной нагрузки | 5A, 10A, 20A, 30A, 40A, 60A | 100A, 150A, 200A, 300A, 400A, 600A |
| Пари изоляции. Внутри & вне | ≥2500VAC 1 минута | |
| Изоляция, который нужно покрывать | ≥2500VAC 1 минута | |
| Ряд управляющего напряжения | 3-15V, 15-32V | |
| Регулирующий ток | 5-30mA | |
| Напряжение тока включения | ≤1.5V | |
| утечка -государства | <1mA | |
| Индикатор состояния | СИД | |
| Рабочая температура | -40~80℃ | |
| На нерабочем времени | ≤2ms | |
Размеры реле DC SSR


Наша компания
Основанный в 1992, CO. технологии управлением золота Wuxi, Ltd., частная высокотехнологичная компания, специализировано в исследовании и продукции полупроводниковых реле, электронных полупроводников, мотора DC водители и стабилизация напряжения AC приборы.
На прошлые 10 последовательных лет, наша компания была квалифицирована как «дела Цзянсу частного высокотехнологичного». Нам также давали почетность как «предприятия науки & технологии Wuxi 10 самые лучшие частные» в течение многих лет.
Наши продукты, электронные модули с брендом золота, были перечислены среди «продуктов Wuxi известных». Наша компания имеет 5 патентов на полупроводниковых реле. Наши продукты широко использованы в различных участках регулирования промышленной автоматизации как машинное оборудование химического волокна, контроле температуры электрической печи, резине & пластиковом машинном оборудовании, управлении фонтана и контролируемом цифров машинном оборудовании, и проданы к Европе, Америке, Корее и Турции.

Наша фабрика
Наша фабрика может произвести около 50 000 частей каждый месяц. Мы можем дать вам хорошее качество и умеренные цен. Мы имеем 20 профессиональных людей исследования которые все были градуированы от известных университетов и коллежей. При произведении, мы имеем строгие тесты: само-тест, интер-тест и особенн-тест.

Наш сертификат
Наши продукты, электронные модули с брендом золота, были перечислены среди «продуктов Wuxi известных». Наша компания имеет 5 патентов на полупроводниковых реле. Наши продукты широко использованы в различных участках регулирования промышленной автоматизации как машинное оборудование химического волокна, контроле температуры электрической печи, резине & пластиковом машинном оборудовании, управлении фонтана и контролируемом цифров машинном оборудовании, и проданы к Европе, Америке, Корее и Турции.
Наша компания прошла аттестацию ISO9001: 2000 в 2000. Давали нашим главным продуктам сертификат CE Европейского союза, сертификатов UL, CUL и RoHS.

