Мотор AC вперед и обратить регулятор вращения
Трехфазный регулятор заворота мотора AC положительный

Введение применения серии SAR
Этот регулятор новый Н тип регулятора заворота трехфазного мотора положительного, польза контролировать в пределах силы 4KW трехфазного мотора. Встроенная электронная цепь блокировки может эффектно предотвратить в то же время (SCR) в кондукции деятельности положительного заворота неправильной в то же время. Если поверните дальше для изменения, то направление к другому направлению было неправильно, моторы остановит повернуть. Направление моторов дисплея СИД, зеленое шоу вперед, красное шоу назад, свой выходной терминал используя технологию параллели обратного обломока SCR, в дроссельной катушке cascode pathline возвращения AC индуктивной, может эффектно задержать переключатель или переключая немедленный настоящий импульс повреждения SCR, пока резистор встроенного напряжения тока зависимый к поглощающей схеме предохранения от напряжения тока и пульсации RC настоящей, так имеют высокое переходное перенапряжение и способность медведя пульсации настоящую, трехфазный положительный заворот широко в механическом инструменте, управление путешествуя крана, управление etc строба.
Этот регулятор принимает трехфазный контроль 2 или трехфазный принцип контроля 3, через которое двухфазовое phaseconversion напряжения тока для того чтобы достигнуть мотора обращая функцию. Согласно силы heatsink пожалуйста отборному и особенному быстрому взрывателю, также установите swith контроля температуры на heatsink.
Функция и характеристика серии SAR
◆Изоляция входа и выхода между светоэлектрическим; выдержите voltage≥2000VA.
◆Встроенная обращая функция блокировки управлением входного сигнала.
◆С инструкцией государства деятельности заворота индикатора СИД положительной.
◆Трехфазный в линии используя дроссель индуктивности, смогите эффектно предотвратить повреждение модуля причины переключения переходное настоящее.
◆Изоляция voltage≥2500VAC 1min.
◆Ряд управляющего напряжения входного сигнала: 12-24VDC.
◆Примите параллель SCR обратную как компоненты выхода силы, с высоким индексом dv/dt, хорошей термической стабильностью, длинным сроком службы, etc.
Спецификация серии SAR
SAR 16D50DY (a) & SAR16T50DY (a) рекомендуют костюм электрическое motor≤1.5KW
SAR 16D60DY (a) & SAR16T60DY (a) рекомендуют костюм электрическое 1.5KW≤motor≤2.2KW
SAR 16D80DY (a) & SAR 16T80DY (a) рекомендуют костюм электрическое 2.2KW≤motor≤3.0KW
SAR 16D100DY (A) & SAR16T100DY (A). Порекомендуйте костюм электрическое 3.0KW≤motor≤4.0KW
Имя серии SAR16 вводит

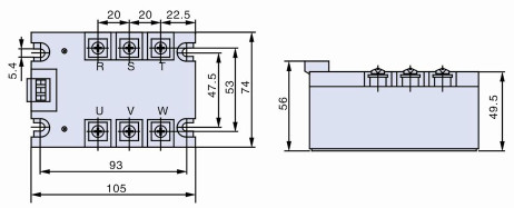
| Чертеж соединения | Чертеж размера |
![]() | Описание: согласно регулятору заворота требований клиента выполненному на заказ высокомощному трехфазному положительному. |
Регулятор скорости вентиляторного двигателя
Технические режимные характеристики
Главным образом использует для печи управления скоростью вентилятора, подогревать закалять регулировать давления и высокомощная пульсацию шарика, продукта etc. этого небольшой, связывающ проволокой установку и польза весьма совсем удобна. На работе, стабилизированная функция и иметь функцию анти--сжимать.
![]() | , Однофазный вентилятор Goveror Основные параметры метода Модель продукта: MFC-I--300W MFC-I--500W MFC-I-750W MFC-I-1KW MFC-I-1.5KW MFC-1-2KW Поставка напряжения тока: 220VAC Течение допустимой загрузки: 1.5A. 2.5A. 3.5A. 5A. 7.5A. 10A Напряжение тока изоляции: 2500VAC Гауссовый: Регулятор слева красного переключателя, открытый регулятор прессы. Неполярная головка регулятора по часовой стрелке, через переменный контроль, делает вентилятор-скорости из самого небольшого будет самыми большими. Общие размеры: 145 (l) x 93 (w) x 60 (h) mm
Модель продукта: MFC-II-110W MFC-II -300W MFC-I1-500W MFC-II-750W MFC-II-1KW Поставка напряжения тока: 220VAC Течение допустимой загрузки: 1A, 2A. 3A. 5A. 7A Напряжение тока изоляции: 2500VAC Гауссовый: Когда поверните ручку anticlockwise к дну, конец переключателя выхода; Когда поверните ручку clockwisely к большой, напряжение тока выхода построить вверх от нул к максимальному 220VAC. Общие размеры: 80 (l) x 80 (w) x 60 (h) mm |
Наша компания
Основанный в 1992, CO. технологии управлением золота Wuxi, Ltd., частная высокотехнологичная компания, специализировано в исследовании и продукции полупроводниковых реле, электронных полупроводников, мотора DC водители и стабилизация напряжения AC приборы.
На прошлые 10 последовательных лет, наша компания была квалифицирована как «дела Цзянсу частного высокотехнологичного». Нам также давали почетность как «предприятия науки & технологии Wuxi 10 самые лучшие частные» в течение многих лет.
Наши продукты, электронные модули с брендом золота, были перечислены среди «продуктов Wuxi известных». Наша компания имеет 5 патентов на полупроводниковых реле. Наши продукты широко использованы в различных участках регулирования промышленной автоматизации как машинное оборудование химического волокна, контроле температуры электрической печи, резине & пластиковом машинном оборудовании, управлении фонтана и контролируемом цифров машинном оборудовании, и проданы к Европе, Америке, Корее и Турции.

Наша фабрика
Наша фабрика может произвести около 50 000 частей каждый месяц. Мы можем дать вам хорошее качество и умеренные цен. Мы имеем 20 профессиональных людей исследования которые все были градуированы от известных университетов и коллежей. При произведении, мы имеем строгие тесты: само-тест, интер-тест и особенн-тест.

Наш сертификат
Наши продукты, электронные модули с брендом золота, были перечислены среди «продуктов Wuxi известных». Наша компания имеет 5 патентов на полупроводниковых реле. Наши продукты широко использованы в различных участках регулирования промышленной автоматизации как машинное оборудование химического волокна, контроле температуры электрической печи, резине & пластиковом машинном оборудовании, управлении фонтана и контролируемом цифров машинном оборудовании, и проданы к Европе, Америке, Корее и Турции.
Наша компания прошла аттестацию ISO9001: 2000 в 2000. Давали нашим главным продуктам сертификат CE Европейского союза, сертификатов UL, CUL и RoHS.

