Электрическое управляя собрание AGV вырезает сердцевина из вспомогательного мотора DC катит колесо привода AGV управляя
Автоматизированный направленный корабль (автоматизированный направленный корабль, AGV для короткого) ссылается на корабль оборудованный с приборами автоматического наведения как электромагнитное или оптически, которое может путешествовать вдоль предписанной траектории управляемого полета, и имеется предохранение от безопасности и различные передающие функции. Транспортер, тележка которая не требует водителя в промышленных применениях, пользы перезаряжаемые батарея как свой источник питания. Вообще, свои маршрут перемещения и поведение можно контролировать через компьютер, или свой маршрут перемещения может быть настроен путем использование электромагнитной пут-следовать системы. Электромагнитная пут-следовать система прикреплена в пол, и беспилотная тележка следовать электромагнитной пут-следовать системой. Сообщения двигают и действуют.

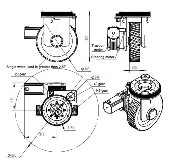
Спецификация
| Деталь | Данные по мотора | |
| Модель | ZL-490 | |
| Данные по тракции | Управляя данные | |
| Тип мотора | BLDC | BLDC |
| Минута силы S2-60 | 1000-3000W | 750-1000W |
| Расклассифицированное напряжение тока | 48V | 48V |
| Проектная скорость | 3000rpm | 3000 |
| Расклассифицированный вращающий момент | 3.18-9.68Nm | 2.39-3.18 |
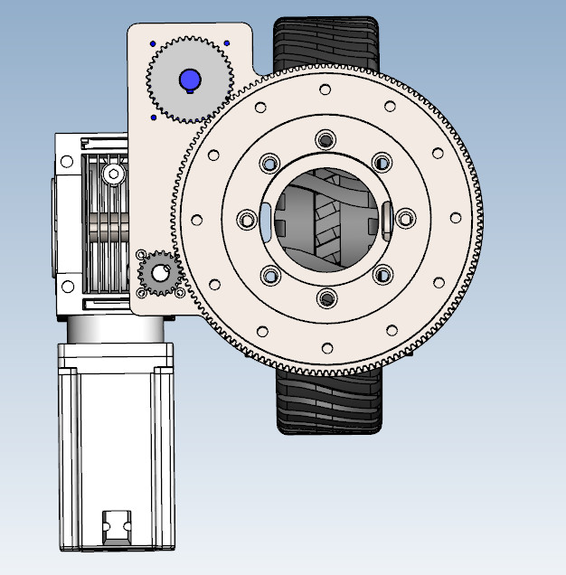
| Коэффициент шестерни | 96I | / |
| Диаметр колеса | 400mm | / |
| Момент при торможении | / | / |
| Кодировщик | Опционный | Опционный |
| Механический ряд предела | ±120° | |


Технологию Ltd. науки колеса премудрости Гуанчжоу основала 2018, мы конструирует, изготовляет и продает agv, собрание приводного колеса, моторы DC/AC, кодировщик, редуктор шестерни, регулятор, колесо рицинуса, колесо PU, мотор в блоках колеса и во всем мире.
ZHLUN продолжается принести превосходные продукты, технологическое нововведение и легкость подгонять к автоматизированному оборудованию. Компания имеет свою собственную фабрику, 1000 кв. ноги, и используют 40 человек. Компания аттестована к ISO9001: 2015.

Ядр к росту ZHLUN постоянн посвящение к преследованию полного удолетворения потребностей клиента. Они имеют сильное присутсвие в отечественном и международных рынках, так же, как, большая гибкость продукции. ZHLUN приходило как один из самых больших поставщиков электрического привода.
Продолжаемый вклад в самом современном машинном оборудовании более добавочно увеличивал и начинал качество и гибкость каждого продукта.
Сегодня, ZHLUN может быстро конструировать и произвести двигатели и особенный запрос частей от клиентов.

Продукт ZHLUN использован в мириадах применения, включая но не ограничен к: Грузоподъемники, AGV, воздушные платформы, машины аэропорта, аграрные машины, гидравлические применения, скрубберы пола, метельщики, энергия ветра, морской пехотинец, и в поле медицинских служб.
Все прототипы испытаны на выдвинутые периоды времени для того чтобы подтвердить качество и продолжительность будут работать совершенно перед отправкой частей продукции в клиенты. Должное прилежание первостепенно к удовлетворению наших клиентов.
