Колесо привода Agv Steerable с автоматизированным идя колесом загрузки мотора
Полное имя AGV автоматический направленный корабль (автоматический направленный корабль). Вагонетки, батарея использующая энергию (AC, DC), существенно обеспечить сильно гибкий и автоматизированный режим транспорта для современного изготовляя снабжения.


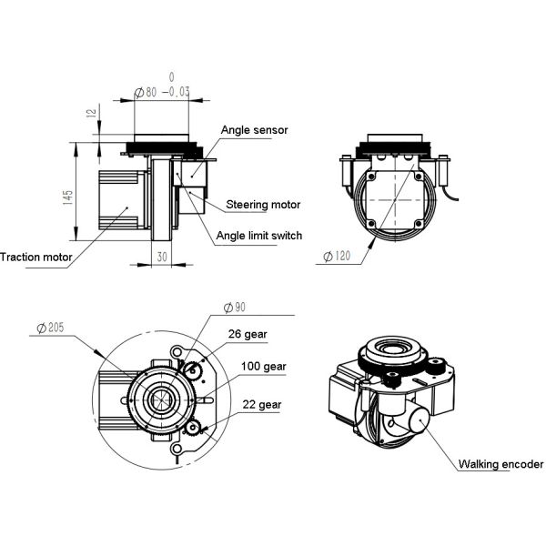
| Таблица параметра колеса привода ZL-145 | ||||
| Деталь | Имя | Блок | Значение | Примечание |
| 1 | Высота установки | MM | 145 | |
| 2 | Диаметр колеса | MM | 120 | |
| 3 | Скорость | M/MIN | 90/40 | Отборное по требованию |
| 4 | Максимальная нагрузка | KG | 100 | |
| 5 | Тракторный двигатель | W | 200 - 500 | Отборное по требованию |
| 6 | Управляя коэффициент | W | 50-90 | Отборное по требованию |
| 7 | Напряжение тока мотора | V | DC24/48 | Отборное по требованию |
| 8 | Тормоз | Nm | Никакой | |

Приводное колесо компонент ядра AGV (автоматического корабля навигации), который главным образом использован в различных типах кораблей AGV, электрических штабелеукладчиков, тракторов, или других промышленных автоматических кораблей навигации. Управляющ и управляющ приводных колес через mechanisims передачи как моторы и шестерни уменьшения, управляющ кораблями для точного управления идти и направления.
Сегодня, ZHLUN может быстро конструировать и произвести двигатели и особенный запрос частей от клиентов.

Продукт ZHLUN использован в мириадах применения, включая но не ограничен к: Грузоподъемники, AGV, воздушные платформы, машины аэропорта, аграрные машины, гидравлические применения, скрубберы пола, метельщики, энергия ветра, морской пехотинец, и в поле медицинских служб.
Все прототипы испытаны на выдвинутые периоды времени для того чтобы подтвердить качество и продолжительность будут работать совершенно перед отправкой частей продукции в клиенты. Должное прилежание первостепенно к удовлетворению наших клиентов.