Врезанные лампы с дизайном дуги в окне переноса Воздушно-ливня нового стандарта GMP
Введение к коробке пропуска ливня воздуха
Коробка пропуска чистой комнаты необходимое оборудование для регулируемой окружающей среды как чистые комнаты. Она конструирована для того чтобы облегчить передачу материалов от чистой комнаты к контролируемой не окружающей среде или наоборот. Коробка пропуска чистой комнаты предлагает простой но эффективный метод уменьшения риска загрязнения в окружающей среде чистой комнаты.
Структура и материал:
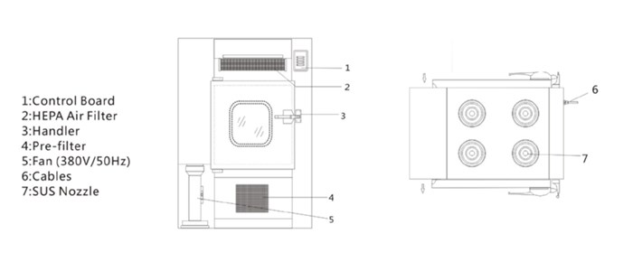
Коробка пропуска чистой комнаты обычно сделана из нержавеющей стали или порошк-покрытой стали. Интерьер конструирован для того чтобы быть ровен и закончен к высокому стандарту. Коробка пропуска оборудована с HEPA или фильтры ULPA, которое обеспечивает воздух пропуская через систему свободны загрязняющих елементов.
Принцип деятельности:
Коробка пропуска чистой комнаты работает путем использование системы двойной двери которая помогает пределу воздушный поток в чистую комнату. Первая дверь использована для получения доступа к сегрегированной зоны вне чистой комнаты, пока вторая дверь обеспечивает доступ к чистой комнате. Передача материалов выполнена через небольшое отверстие в середине блока, который стратегически помещен между 2 дверями.
Использование:
При использовании коробки пропуска чистой комнаты, материал, который нужно перенести помещен в сегрегированной зоне вне чистой комнаты. Первая дверь раскрыта, и материал помещен в коробке пропуска. Окружающая среда коробки пропуска внутренняя извлекает вредные загрязняющие елементы, и вторая дверь теперь раскрыта, обеспечивая доступ к чистой комнате для материальной передачи.
Обслуживание:
Для обеспечения коробки пропуска чистой комнаты поддерживает свою эффективность, блок быть очищено регулярно. Это может включить замену фильтров и чистки внутренних камер. Порекомендованы, что советует с инструкциями изготовителя для специфических чистки и требований к техническому обслуживанию.
Параметр продуктов:
Дизайн клиента доступен.
| МОДЕЛЬ | KEL-APB500 | KEL-APB600 | KEL-APB700 | |||
| Внешний размер (mm) (W*D*H) | 850x500x1350mm | 950x600x1450mm | 1090x750x1600mm | |||
| Рабочая зона (mm) (W*D*H) | 500x500x500mm | 600x600x600mm | 750x750x750mm | |||
| Сопло | 4 PCS | 4PCS | 6 PCS | |||
| Скорость воздуха | 18-25m/s | |||||
| Материал (Вариант) | 1: Полнота Sus304. (T=1.2/1.0mm) 2: Полнота sus201. (T=1.2/1.0mm) 3: Внешне стальное с покрытой силой, внутренний SUS304 (T=1.2/1.0mm) 4: Внешний стальной с покрытой силой. Внутренне SUS201 (T=1.2/1.0mm) | |||||
| В-фильтр | 525x275x17mm | 560x275x17mm | 560x275x17mm | |||
| G3 | ||||||
| Фильтр HEPA | 484x484x69mm | 630x630x69mm | 630x630x69mm | |||
| 99.99%@0.3um H13 | ||||||
| Опционные аксессуары | 1: Ультрафиолетовый свет. 2: Interphone 3: Манометр перепада давления 4: Ролик | |||||
| Электропитание | 0.75KW 380V/50HZ | |||||
| пакуя размер (mm) | 1050x780x1600mm | 1100x880x1700mm | 1240x1030x1850mm | |||
| Материал упаковки | Упаковка стандартного экспорта поли деревянная (материал фумиганта свободный) | |||||
Структурный эскиз

Наша фабрика
