Вешалки коромысла одевают весны 45mm 140mm длинное для тандемного трейлера
Весна лист простая форма весны обыкновенно используемая для подвеса в колесных транспортных средствах. Первоначально вызвал весну прокатанную или экипажа, и иногда названный полу-эллиптическая весна, эллиптический рессора, или весна тележки, она одна из самых старых форм скакать, появляясь на экипажей во Франции в середине семнадцатого века в форме двухраздельной весны локтя, и от там проникать к Англии и Германии.
Чему делает весну лист сделать?
Основная функция весен лист снабдить комфорт пассажиры путем уменьшать вертикальную вибрацию причиненную nonuniformity геометрии дороги.
Особенности:
Гибкие трубопроводы для поглощения удара дороги и для того чтобы обеспечить ровную езду
Уменьшает носку и разрыв на трейлере
Обеспечивает ровную езду на ухабистых и неровных поверхностях
Держатели к рамке трейлера с вешалками или набором вешалки (проданным отдельно)
Включает втулки нейлона
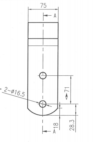
| Подвес весны: | 60mm | Длина: | 232 Mm |
|---|---|---|---|
| Размер: | 75 Mm | Тип: | Тандемная вешалка коромысла |
| Емкость цапфы: | 3000 Kg | Емкость весны: | 1500 Kg |
| Поверхность: | Горяч-погружение | Материал: | Утюг |


