Системы поддержки уплотнения конструированы для того чтобы поддержать специфические механическое уплотнение и набор отростчатых условий. Эти системы поставляют или газ или жидкость к механическому уплотнению для того чтобы отрегулировать окружающую среду в которой уплотнение работает.
Убеждает ваша система поддержки уплотнения как следует конструирует и установленный критический для того чтобы держать ваше вращать оборудование доступный для продукции. Если жидкость системы уплотнения грязна и примеси, то жизнь уплотнения можно отрицательно повлиять на. Кроме того, неправильные давление или температура могут также сделать отказ уплотнения.
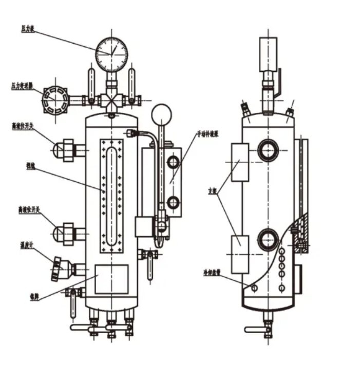
Том имеет 4L, 6L, 10L, 12L, 20L или основанный на подгонянном требовании.


| Стандартная конфигурация |
| Охлаждающий змеевик |
| Соединение |
| Соединение трубы |
Какой продукт мы поставляем?
Мы конструируем и уплотнения изготовителя механические, поставляющ советовать с герметизируя проблемы и ремонтных услуг.
Уплотнения толкателя весны, уплотнения резиновой мембраны механические, PTFE ревут механическое уплотнение, уплотнения уплотнений мембраны металла, уплотнений патрона, смесителя & агитатора, уплотнения сухого газа; Запасные части с материальными кремниевым карбидом, карбидом вольфрама, углеродом, керамическим, резиновым, колцеобразные уплотнения и части нержавеющей стали
Отладка и направления применяться механических уплотнений
1) Отборное соотвествующее механическое уплотнение для того чтобы соответствовать материалам согласно условиям работы и оборудованию главной машины.
2) радиальное действующее отступление для вала (рукава вала) установленного механического уплотнения будет 0.04mm максимумом
пока значение аксиального перемещения ротора будет не больше чем 0.1mm.
3) крышка уплотнения (или крышка вала) неподвижного кольца установленных механических уплотнений, вертикальной степени уплотнения
сторона должна быть 0.04mm максимумом.
4) при установке механических уплотнений, вала (рукава вала), камеры уплотнения, стороны уплотнения так же, как механического уплотнения
необходимо очистить для того чтобы держать от любого средства к герметизировать части.
5) транспортируя средство сверх высокой или низкой температуры, со средством которое легкий огонь задвижки, легким для взрыва.
Связанные стандарты механического уплотнения необходимо сослаться для того чтобы принять соотвествующие измерения как гасят, полоскать, coolong и
filtrating.
6) смазку Appropricate необходимо выбрать когда механическое уплотнение установлено. Размер рассрочки механического
уплотнение необходимо гарантировать к инструкции рассрочки.
7) перед началами машины бежать, герметичный отсек будет полон среднего и хорошо будет смазан. Сухое трение
что может привести к повреждению герметичности запрещенный строгие.
Упаковка & доставка:
1. Если продукты, то мы имеем в магазине, мы отправим его вне КАК МОЖНО СКОРЕЕ после получать оплату.
2. Если продукты которые были подгоняны, мы завершат продукцию в пределах определенный период времени, и отправляют его вне в первый раз.
3. Также мы можем отправить вашим счетом доставки если вы хотите.
4. Мы имеем разнообразие пути отправить товары, обычно DHL, Federal Express, TNT, UPS будем нормальными путями. Если вы требуете пользы курьера, то пожалуйста сообщите нас заранее.
