Усилитель высокой мощности EMC 2-18 ГГц Psat 40 дБм Усилитель мощности широкополосной связи
Dвыписка
Модуль предназначен как для военного, так и для коммерческого применения.Легкая упаковка.
Спецификация
Спецификации могут быть изменены без предварительного уведомления.
| СТРАНИЦЫ электрической техники@25°C | ||||
| Параметр | МИН | Типичный | Максимум | ЕДИНСТВО |
| Диапазон частот | 2 | 18 | В ГГц | |
| Небольшое увеличение сигнала | 25 | ДБ | ||
| Небольшая плоскость увеличения сигнала | ±2 | ДБ | ||
| Выходная мощность (Psat) | 40 | dBm | ||
| Число шума | 10 | dBm | ||
| IP3 | dBm | |||
| Ложные сигналы | -60 | dBc | ||
| Гармоники | -15 | dBc | ||
| VSWR | 2:1 | Соотношение | ||
| Электроснабжение постоянного тока | +32 | Вольт | ||
| Текущий | 1.2 | А. | ||
| ЭКОЛОГИЧЕСКИЕ КРАТИНГИ | ||||
| Параметр | МИН | Типичный | Максимум | ЕДИНСТВО |
| Максимальная входная мощность | +20 | dBm | ||
| Операционная температура | - 20 | +60 | °C | |
| Нерабочая температура | -40 | +85 | °C | |
| Относительная влажность (неконденсирующаяся) | 95 | % | ||
| Высота (MIL-STD-810F) | 10000 | 30000 | ноги | |
| Удар / вибрация (MIL-STD-810F) | Воздушная кость | |||
| Механические спецификации | |||
| Параметр | СТАТЬЯ | Ограничения | ЕДИНСТВО |
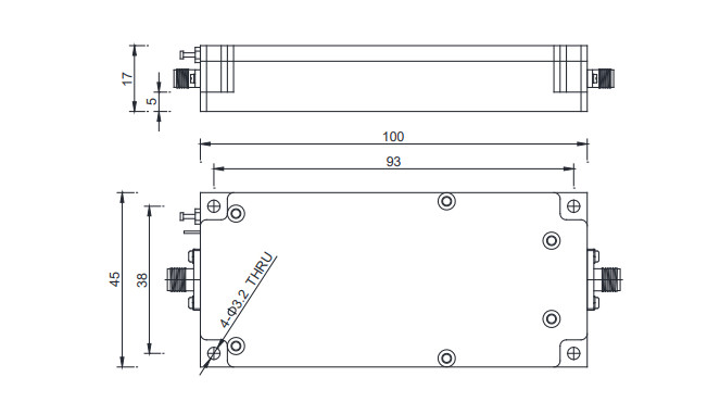
| Размеры | 100*45*17 | Макс | Милиметр |
| Вес | 500 | Макс | g |
| Вход RF-коннекторов | SMA-F | ||
| Выход RF-соединителей | SMA-F | ||
| Коннекторы интерфейсов постоянного тока | |||
| Импеданс | 50 | Омм | |



Nanjing Shinewave Technology Co., Ltd. является компанией, специализирующейся на исследованиях и разработках, производстве и продаже микроволновых микроволновых активных и пассивных компонентов и подсистем.Продукция компании охватывает различные устройства микроволновой связи, включая микроволновые фильтры, дуплексеры, усилители, частотные источники и связанные с ними подсистемы, широко используемые в мобильной связи и других областях.
С точки зрения микроволновых фильтров, компания имеет всеобъемлющие продукты и сильные возможности проектирования.многочастотный комбинатор, многочастотная комбинирующая платформа POI, диэлектрический фильтр двойного режима, фильтр LC, миниатюрный фильтр гребня, интерцифровый фильтр и т. д.
Чтобы удовлетворить особые потребности и более высокие требования индекса клиентов, в дополнение к стандартным продуктам, мы предоставляем индивидуальные методы разработки продукта,и всем сердцем предоставлять клиентам быстрые и качественные продукты и услуги.


Перевозка:

Частые вопросы
Вопрос 1: Можно заказать образец?
О: Да, мы приветствуем заказ образца для проверки качества.
Вопрос 2: Как насчет сроков?
О: Обычно образцы берут в течение 3 рабочих дней.
Q3. Есть ли у вас MOQ (минимум качества заказа)?
О: Для стандартного продукта, обычно 1 шт. / пункт. Для заказа OEM, MOQ не менее 50 шт. / пункт.
Вопрос 4: Как сделать заказ?
A: После того, как покупатель подтвердит, что продукт и цена в порядке и готовы к покупке, заказ будет, пожалуйста, сообщите нам ваш адрес доставки, номер телефона, иногда нужно электронную почту.Тогда мы сможем составить заказ и он будет иметь платежную ссылку Alibaba.
Вопрос 5: После оплаты, какую информацию о поставщике вы предоставили?
A: номер отслеживания
Q6: Вы предлагаете гарантию и послепродажное обслуживание для продуктов?
Ответ: Да, 6 - 12 месяцев гарантии на наши продукты. Примечание: мы не несем ответственности за повреждения, вызванные человеком или неправильной эксплуатации.