Переключатель 1NO 1NC 2NO 2NC кнопки переключателя кнопки 25mm нержавеющей стали 22mm запирая на задвижку водоустойчивый мгновенный
Характер продукции
- Реальный цвет может немножко отличающийся от изображения должные к много факторов как разрешение экрана компьютера, яркость, понимать надежды etc. контраста.
- Цвет может иметь различное как дисплей разницы, pls понимает.
- Мы используем пену для того чтобы положить противоударную упаковку в коробку для того чтобы защитить продукт от повреждения в пути. Так вы не должны потревожиться о доставке.
Техническая характеристика изделия
- Цвет приведенный: Красный, зеленый, желтый, оранжевый, голубой, белый, пурпурный или двойной смешивать цвета можно подгонять.
- Напряжение тока приведенное: 3V 6V 12V 24V 36V 110V 220V для выбирают.
- Тип приведенный: Изготовление на заказ логотипа etc. кольца, точки, силы доступно.
- Главная форма: Плоская круглая головка, высокая круглая головка доступна
| Номер модели | JS22 отсутствие серии лампы |
| Отверстие установки | 22 mm или 25 mm |
| Оценка Max.Switch | Ith: 5A Ui: AC 250V |
| Материал |
Материал тела: Нержавеющая сталь/черный окисленный алюминий |
|
Материал кнопки: Нержавеющая сталь/черный окисленный алюминий |
|
| Материал контакта: Серебряный сплав | |
| Основное вещество: PBT | |
| Передняя форма | Высокая круглая головка |
| Терминальный тип | Pin Termlmal |
| Деятельность переключателя | Запирать на задвижку или мгновенный |
| Конфигурация контакта | 1NO + 1NC или 2NO + 2NC |
| Устанавливать толщину панели | 1-13 mm |
| Расстояние деятельности | Около 2,5 mm |
| Уровень защиты | IP67 |
| Работая Temp | -20℃~+55℃ |
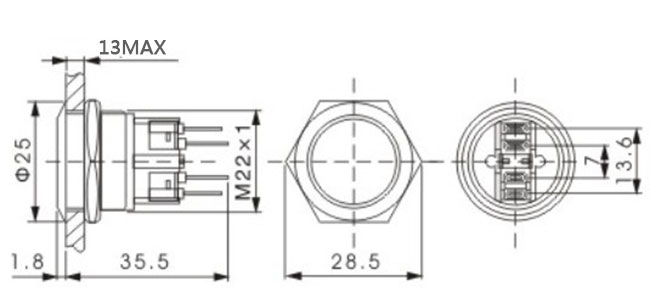
Чертеж размера
