Танк напитка сока безопасностью 3000Л Сип чистый на месте пуская по трубам моя
Система КИП
Зона применений: надоите линию, пиво, напиток чая, напиток етк.
1 система чистки КИП
С развитием видео- индустрии, система КИП имеет превратиться и улучшиться. Первоначально очищающ на танке, трубе и другом оборудовании ручным, требующий много времени и недействительный. Система КИП использует жидкую циркуляцию для того чтобы очистить танки, тубопровод и оборудование, без разборки для того чтобы достигнуть пожеланного влияния чистки. Система чистки КИП для обеспечения некоторого влияния чистки, улучшает безопасность продукции; сохраните время оператинг, улучшите эффективность; сохраните работу, защитите деятельность безопасности; сохраните воду, пар и другая энергия, уменьшает количество тензида; производственное оборудование может быть широкомасштабно, высокопоставленный; расширьте срок службы производственного оборудования.
2 критери по оценки влияния чистки КИП как пищевая промышленность идеальный КИП, влияние чистки должна соотвествовать:
2,1 запах: свежий, никакой различный запах, ибо особенная обработка поселения товаров особенного позволяет небольшому запаху но не влияет на безопасность конечного продукта и их собственное качество.
зрение 2,2: не очистите поверхностное яркое, никакую воду, никакой фильм, никакую грязь или другое.
влияние 2,3: После обработки КИП, производственная мощность оборудования значительно изменила, на уровне здоровь индикаторы для того чтобы соотвествовать уместные.
Применимый объем 3
Применимый к всей технической системе очищая, стерилизации заквашивания
Структура 4
4,1 все танки сделаны из высококачественных 304 или 316 материалов нержавеющей стали, заварки предохранения от аргона, полируя, аутсорсинга согласно требованиям обработки, высококачественным ключевым клапанам.
4,2 используйте технологию режима автоматического управления и полуавтоматную комбинацию, согласно потребностям клиентов установить разумное
4,3 танк чистки имеют свою собственную функцию чистки.
Очищая процесс 5
алкали воды--вода--кислота--вода (дизайн согласно месту)
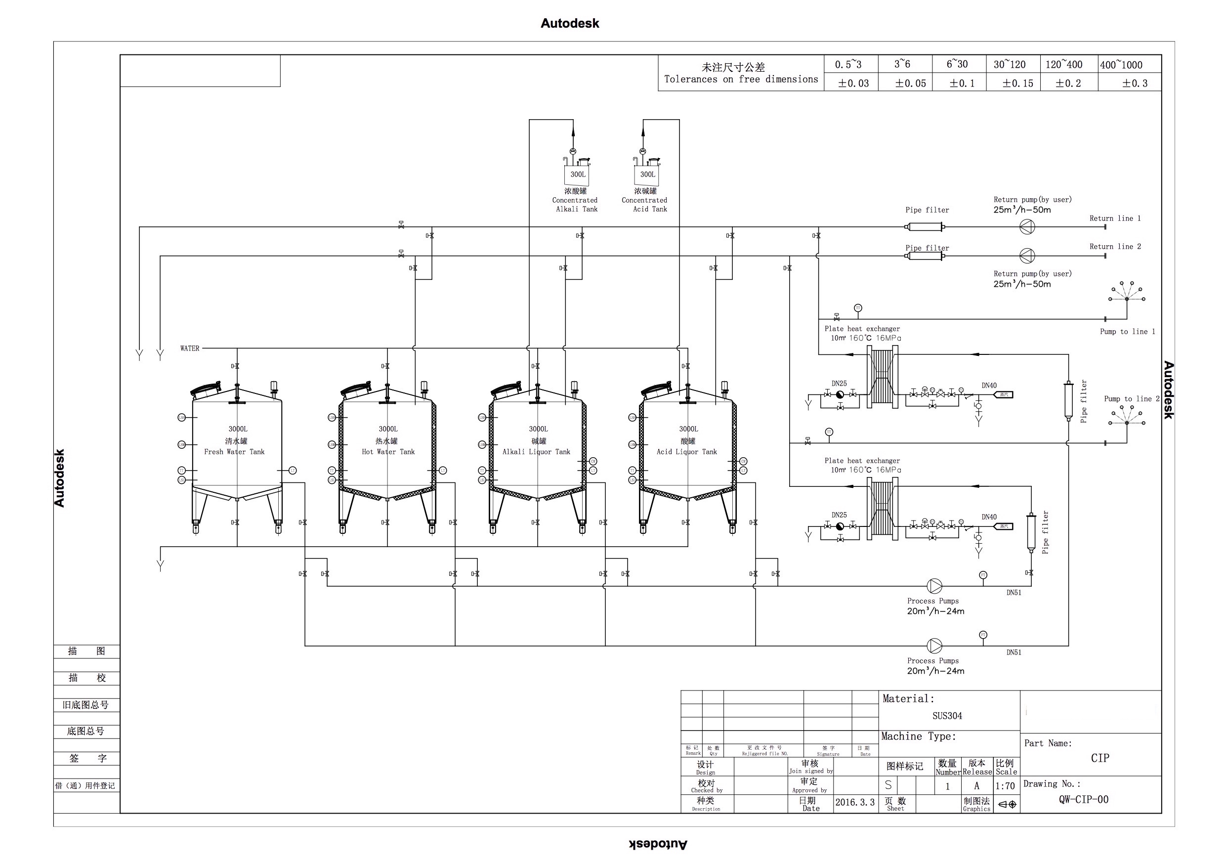
Система станции 6 КИП
Станция КИП состоит из танка физической чистки, танка химической чистки, трубы, насоса, системы управления и аксессуара. Танк физической чистки, танк химической чистки, насос, соединенный через трубопровод и быть очищенным оборудованием. Через систему управления КИП к контролю на давлении жидкости для чистки, подача, температура.
Таблица структуры системной конфигурации
| Имя | Спецификация | Количество | Влияние |
| Сконцентрированный танк алкалиа | С изоляцией, главное отверстие, опорожняя прибор, дисплей жидкостного уровня, дисплей температуры, с уборщиком | нержавеющая сталь 304 | Храните сконцентрированное основание |
| Разбавьте танк алкалиа | С изоляцией, главное отверстие, опорожняя прибор, дисплей жидкостного уровня, дисплей температуры, с более чистым, внутренним топлением катушки, | нержавеющая сталь 304 | Обезжиривание щелочным раствором |
| Сконцентрированные консервные банки | С изоляцией, главное отверстие, опорожняя прибор, дисплей жидкостного уровня, дисплей температуры, с уборщиком | Выберите 316 или 304 согласно природе используемой кислоты | Храните сконцентрированная кислота |
| Разбавьте танк алкалиа | С изоляцией, главное отверстие, опорожняя прибор, дисплей жидкостного уровня, дисплей температуры, с уборщиком, топление катушки, циркуляция назад к трубке, согласно отростчатым требованиям решить ли добавить прибор топления |
Выберите 316 или 304 согласно природе используемой кислоты
нержавеющая сталь 304 |
Кисловочная чистка |
| Горячая цистерна с водой | С изоляцией, главное отверстие, опорожняя прибор, дисплей жидкостного уровня, дисплей температуры, с более чистым, внутренним топлением катушки, | нержавеющая сталь 304 | Ринсе горячей воды |
| Танк дезинфектанта | Однослойный танк, главное отверстие, опорожняя прибор, дисплей уровня, дисплей температуры, с более чистым, внутренним топлением катушки, | нержавеющая сталь 304 | Чистка обеззараживанием |
| Стерильная цистерна с водой | Однослойный танк, главное отверстие, прибор переполнения, дисплей жидкостного уровня, с уборщиком | нержавеющая сталь 304 или 316Л | Стерильный ринсе воды |
| Насос КИП | Низкая подача, высокий подъем | нержавеющая сталь 304 | Очищать, повторно используя |
| Подогреватель | Трубчатый (ин витро) тип катушки (в - теплообменный аппарат листа виво) | нержавеющая сталь 304 | Нагрейте решение чистки |
| Выровняйте дисплей | Стеклянная лампа, передача перепада давления | прикрепляться | Уровень дисплея |
| клапан | Пневматический клапан или ручной клапан | нержавеющая сталь 304 | Управление чистки |
| Фильтр трубы | Косой ввод | нержавеющая сталь 304 | Перехват фильтра |
| Система управления | контроль 1ПЛК | 1аттачинг | контроль 1Клеанинг |
Главные оборудования системы чистки КИП являются следующими: горячий танк алкалиа, холодный танк алкалиа, бак с кислотой, танк обеззараживанием, повторно используя цистерна с водой, перенос КИП насос етк.
1. Все танки принятый высококачественный материал нержавеющей стали 304, заварки предохранения от аргона, внутренней и наружной полируя обработки, высококачественных клапанов и труб, связи технологии оптимизирования.
2. Примите технологию режима автоматического управления, температуру, осуществил режим автоматического управления температуры, надавите, пропустите, жидкостный уровень етк, удовлетворите потребность автоматической чистки в каждом соединении продукции.
3. Выбрал передовую технологию, общий процесс чистки: клеанинг→ воды ватер→ ватер→ алкалиа вашинг→ горячей воды вода асептики пероксиде→ водопода уровня ппм ватер→ горячего чистого кисловочного чистая; после финиша каждых связи, спасения стирка и повторно использовать использующ для уменьшения загрязнения окружающей среды.
классификация продукта 2000Л КИП: Преобразование зоны применений инженерства заквашивания: Характеристики продукта етк. Адвокатур, гостиниц, ресторанов пива: 1. С изоляцией, главное отверстие…
