Редуктор A58SW-42BY Stepper мотора Nema 17 шестерни червя с коэффициентом уменьшения
Мотор Stepper Nema17 0.44Nm 1.68A 42mm шестерни червя турбины редуктора шагая с коэффициентом уменьшения 17 32 49 A58SW-42BY
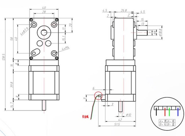
Спецификации

вопросы и ответы
1. кто мы?
Мы основаны в Гуандуне, Китае, начале от 2005, надувательстве к Северной Америке (30,00%), внутренний рынок (15,00%), Западная Европа (10,00%), Восточная Европа (10,00%), Северн Северный (6,00%), Южная Европа (5,00%), Юго-Восточная Азия (5,00%), Южная Америка (5,00%), Океания (5,00%), Южная Азия (4,00%), Африка (3,00%), Восточная Азия (2,00%). Полное около 101-200 человек в нашем офисе.
2. как можем мы гарантировать качество?
Всегда образец подготовки производства перед массовым производством;
Всегда финальная инспекция перед пересылкой;
3.what может вы купить от нас?
Мотор шестерни, мотор DC, безщеточный мотор, мотор планетарной шестерни, мотор шестерни червя
4. почему должны вы купить от нас не от других поставщиков?
Специализированный в микро- моторе DC, мотор коробки передач Dc. Мы в этой индустрии на сверх 10 лет, мы имеем много experinec для того чтобы обеспечить моторы согласно требованиям к клиента.
5. какие обслуживания можем мы обеспечить?
Принятые условия доставки: ОБМАНЫВАЙТЕ, CFR, CIF, EXW, FCA, срочная поставка;
Принятая валюта оплаты: USD, EUR, HKD, CNY;
Принятый тип оплаты: T/T, L/C, D/P D/A, кредитная карточка, PayPal;
Поговоренный язык: Английский язык, китайцы