» Краткое введение
Гидравлический ворот преобразован в механическую энергию гидравлической энергией полученной гидравлическим мотором через гидравлическую систему, и он замедлять планетарным редуктором для увеличения кручения, которое производит больший вращающий момент на барабанчике, и достигает цели волочить тяжелые объекты путем обматывать веревочку стального провода на барабанчике.
Внимание оплаты к следующему во время установки и пользы:
(1) перед установкой ворота, проверите ли части закончены и повреждены. Если поврежденные части, то их необходимо заменить перед установкой.
(2) связь между тон-ось и соединяясь место или кронштейн будет зафиксирована высокопрочными болтами с механическими свойствами ранга 10,9 или выше обеспечить достаточную прочность соединения.
(3) после установки тон-оси, необходимо проверить ли гидравлический трубопровод неправильн, ли муфту можно совмещать и отделять нормально, ли барабанчик тон-оси может вращать нормально, и не появиться явление торможения.
(4) обматывая веревочку провода на тон-оси, положите голову веревочки в отверстие веревочки барабанчика, и после этого привинтьте setscrew плотно, и в условие замотки веревочки, после 4-5 подолов, сила нагрузки 3-5kN для создания программы-оболочки веревочки провода.
Максимальный угол горизонтальной наводки веревочки провода обматывая в и из барабанчик не должен превысить 3°, для предотвращения случайного отступления веревочки и силы ворота. Когда из пользы, пресса веревочки должна быть отжата плотно предотвратить веревочку веревочки свободную и безалаберную.
⑹после установки ворота, в тест тяжелого груза перед или долгое время из пользы, унести деятельность нулевой нагрузки, для того чтобы облегчить ровную деятельность мотора.
Оно запрещено для того чтобы отключить муфту ворота поднимаясь тяжеловесный или вытягивать. Когда ворот будет работать, веревочка провода будет сдержана на барабанчике для по крайней мере 5 подолов.
Запретите пользу перегружать ворот, для предотвращения повреждения к авариям ворота и безопасности.
» Главная программа
Гидравлический ворот инструмент корабля используемый в автомобилях и особенных кораблях для само-спасения и саморазряжения во внедорожный управлять под трудными условиями дороги.
Его можно также использовать для поднимать и вытягивать тяжелые objests в строительной площадке, как проектировать установку, месторождение нефти сверля, дорогу освобождая etc.
Оно охарактеризовано компактной текстурой, небольшим размером, облегченной, большой вытягивая силой, простой установкой, гибкой деятельностью, удобным обслуживанием, и гидравлической системой самой автомобиля.
гидравлический ворот 10T. По отоношению к гидравлическим применениям ворота, он не только показывает очень хорошую функцию в применении, но также улучшает легкость поднимать и понижать много материалов для каждого.
1: легкий для того чтобы работать. Когда вам нужно использовать их для того чтобы поднять и понизить материал, вы можете работать легко. Прибор можно управлять в простом образе.
2: Легкий для использования. Гидравлические вороты можно использовать в разнообразие применениях поднять и понизить материалы из-за их превосходной пригодности для материальных типов и окружающих сред обслуживания.
» Представление
| Расклассифицированная линия тяга (1-ый слой) | 98KN/10000kgs/22000lbs |
| Линейная скорость (1-ый слой) | 7M/Min |
| Давление ответа тормоза | <2.5Mpa/25Bar |
| Давление масла | 17Mpa/170Bar |
| Подача масла | 60L/Min |
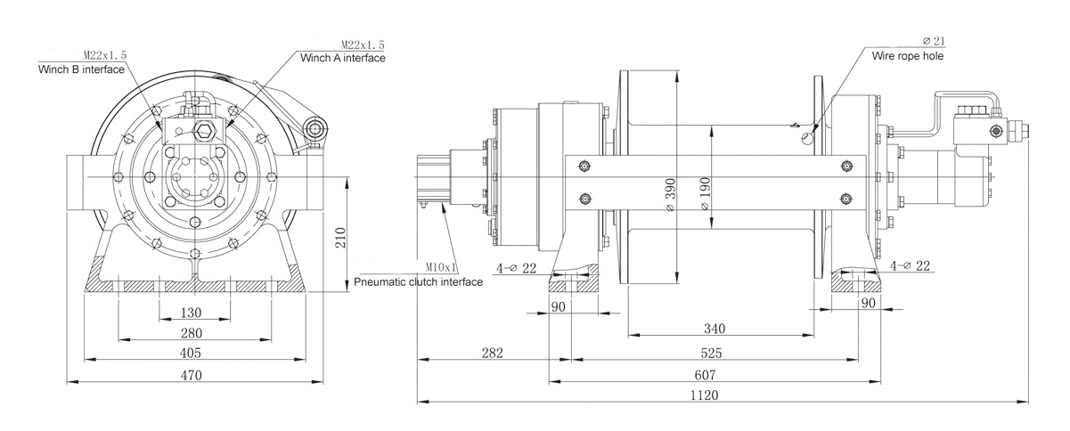
| Барабанчик DiameterxBottom DiameterxLengh (внутреннее) | 390x190x340mm |
| Емкость барабанчика | 59m |
| Предложенный диаметр веревочки провода Высоко-интенсивности | ∅18mm |
| Чистый вес | 262Kg |
» Чертеж продукта структурный

» Особенности гидравлического ворота
1. напечатанный Полно-поплавком редуктор планетарной шестерни делает деятельность стабилизированный, структура более разумная.
2. Adopt multidisc-напечатали трение нормальн-закрытый arrester делает момент при торможении большой, безопасное и надежное.
3. Продукт отличен своими небольшим размером, компактной конструкцией и высоким кпд передачи.
4. Свободный провод выпуская функцию.
5. Примите мотор с длинной жизнью пользы.
6. Кронштейн установки можно изготовить согласно требованию к клиента.
7. Согласно требованию клиентов, изготовьте клапан баланса и клапан тасовкой особенные для этого ворота.
8. Примите руководство, пневматическое оборудование муфты.
» Направление компании
Мы изготовитель, мы можем сохранить деньги от комиссионера.


» вопросы и ответы
Q: Вы торговая компания или изготовитель?
: Мы фабрика, установленная в 1998.
Q: Что ваши условия платежа?
: T/T 30% заранее, 70% видят экземпляр B/L.
100% невозвратный LC
Q: Что ваши сроки поставок?
: ОБМАНЫВАЙТЕ, CFR, CIF, DDU или как ваше требование
Q: Вы поставляете подгонянное обслуживание?
: Конечно! Мы изготовитель, и мы имеем нашу собственную группу инженера. Они могут разработать подгонянный дизайн согласно вашему особенному требованию.
Q: Как о вашем сроке поставки?
: Вообще он будет принимать через 3 до 25 дня после получать вашу плату авансом. Специфический срок поставки зависит от вашего количества приобретения.
Q: Как о пакете?
: Деревянная коробка соответствуя для того чтобы экспортировать стандарты.
Q: Какую информацию должен я снабдить вы прежде чем вы смогли порекомендовать соответствующие ворот и цитату для меня?
: 1. запланированное применение ворота (включая условия труда)
2. линия тяга (KN/килограммы/lbs)
3. линейная скорость (m/min)
4. емкость барабанчика/длина веревочки (m)
5. диаметр веревочки (если имейте), то
6. давление масла и подача масла (если имейте), то
7. Другие особенные требования
Достигните вне к нам для комплиментарной консультации.