Автоматический Labeler ведра опарника 2 сторон YM620 квадратный для машины плоской пластиковой бутылки обозначая
Функция:
1, автоматическая двухсторонняя машина для прикрепления этикеток составлено механизма 2 ярлыков питаясь, механизма завальцовки, транспортера, верхнего отжимая транспортера, рамки и системы управления, его принимает технологию мехатроники, осуществляет современную деятельность с английским HMI, типом текста и типом кнопки, и может автоматически завершить разъединение бутылки, пояс ярлыка питаясь, одновременный ярлык etc разъединения.
2, его нельзя только использовать на одиночной машине, но также соответствовать с производственной линией. Достигните ярлыков само-прилипателя и фильмов само-прилипателя на стороне стороны продукта, большой изогнутой стороны стороны, и квадратной периферийной поверхности.
3, эта машина не только соответствующее для плоских бутылок, но также соответствующий для круглых бутылок.
4, оно может осуществить одиночную сторону или двойную сторону обозначая путем замена структуры круглой бутылки обозначая, увеличенного применения.
5, эта высококачественная машина можно использовать с автоматической заполняя машиной, покрывая машину для того чтобы осуществить полностью упаковывая процесс.
6, машина имеют печатание кода и прозрачный датчик для опционного.
Технический параметр:
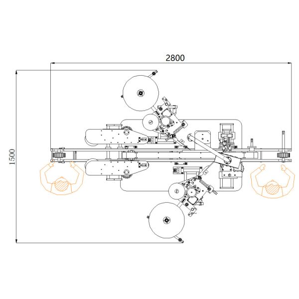
Чертеж машины:


Наш клиент:
