Автоматизация Ой подстанции КАБИНЫ СПАК310К-АБ АББ СПАК 310
| Бренд/изготовитель | АББ/СВЭДЭН |
| Номер детали |
КАБИНА СПАК 310 |
| Другой номер детали | КАБИНА СПАК 310 |
| Описание | Автоматизация Ой подстанции |
| Дименнсионс | 25,1 см кс 21.9км кс 20.5км |
| Вес | 0.9кг |
Детали продукта
Особенности:
Блок полного поля с определенными или обратными перегрузками по току и защитой от замыкания на землю времени
Модуль полного контроля для местного и дистанционное управление одного объекта
Местная и удаленная индикация состояния объектов максимума 3 и местный или дистанционное управление одного объекта
система Потребител-программабле фидера ровная блокируя для предотвращения позволенной деятельности переключения
6 потребител-программабле бинарных входных сигналов с местной и удаленной индикацией
Течение участка, энергия, активе и измерение и индикация реактивной мощности
Последовательный интерфейс для дистанционного управления и взаимообмена данных
Непрерывное само-наблюдение для максимальной надежности
Зона применения:
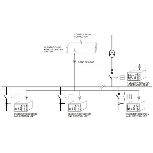
Терминалы СПАК 310 к и СПАК 312 к фидера конструированы быть использованным как основанный на кабина
интерфейсные блоки защиты и дистанционного управления. В дополнение к защите, контроль и измерение действуют блок обеспечены с необходимы свойствами передачи данных для контроля фидера. Соединение с аппаратурой регулирования подстанции высокого уровня унесено через волокн-оптический серийный автобус.

Технология АББ
Воплощения цифров для повертрайнс расширяют цифровую двойную концепцию
Цифровой близнец почти идентичный экземпляр физического прибора. Однако, действительно для того чтобы извлекать пользу из цифровых возможностей, цифровое представление с больше возможностей чем физического объекта желаемо. Это «цифровое воплощение» взаимодействует с цифровым миром в путях свои физические двойники не могут.
Больше продуктов
| АББ | ИННИС01 | АББ | САМК19ИНФ |
| АББ | ПМ630 3БСЭ000434Р1 | АББ | САФТ185ТБК САФТ 185 ТБК 58119687 |
| АББ | ИМСЭТ01 | АББ | КИ857К01 3БСЭ018144Р1 |
| АББ | ДСКК626А 3ХАК026289-001 | АББ | НТАИ06 |
| АББ | КИ531 3БСЭ003825Р1 | АББ | 07КТ92 ГДЖР5250500Р0262 |
| АББ | К100/0200/СТД | АББ | СД833 3БСК610066Р1 |
| АББ | СПНПМ22 | АББ | 07ЭА90-С ГДЖР5251200Р0101 |
| АББ | СНАТ632ПАК СНАТ 632 ПАК 61049428 | АББ | ИММФП12 |
| АББ | СНАТ617КХК | АББ | ПМ864АК01 3БСЭ018161Р1 |
| АББ | СНАТ633ПАК | АББ | ДСКК679 3ХАК028357-001 |
| АББ | ВОЕННОПЛЕННЫЙ 57171847 САМК11ПОВ САМК 11 | АББ | ДСКА120 57520001-П |
Свяжитесь мы
miya@mvme.cn (щелчок)
Электронная почта: miya@mvme.cn
КК: 2851195450
Телефон: 86-18020776792
Скыпе: мияженг52