Модуль регулятора температуры C200H-TC OMRON
Нажмите здесь ⇒ для хорошей цены C200H-TC
| Бренд/изготовитель | OMRON/JAPAN |
| Номер детали |
C200H-TC |
| Другой номер детали | C200H-TC |
| Описание | Модуль регулятора температуры |
| Dimennsions |
21.5x13x10cm |
| Вес | 0.7kg |
Свяжитесь мы
Электронная почта: miya@mvme.cn (ЩЕЛЧОК)
QQ: 2851195450
Телефон: 86-18020776792(ЩЕЛЧОК)
Skype: miyazheng520 (ЩЕЛЧОК)
Детали продукта
Стабилизированный контроль температуры достиган используя управление PID со сдвигает по направлению вращения сети и автоматическ-настраивая особенность. ВКЛЮЧЕНО-ВЫКЛЮЧЕНО контроль можно также выбрать.
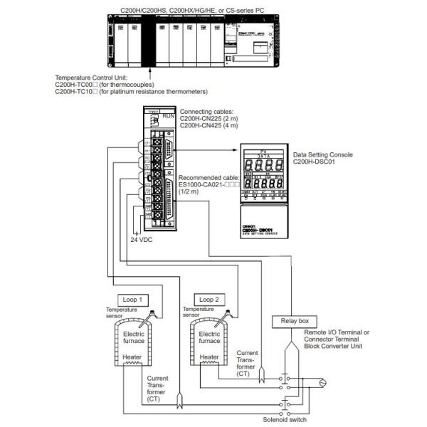
2 петли контроля температуры с одиночным блоком
2 версии блока контроля температуры доступны: C200H-TC00@ для пользы термопары и C200H-TC10@ для сопротивления платины
термометры, каждое предлагая 2 контура управления.
3 типа версий спецификации выхода доступны: C200H-TC@@1 для выхода транзистора, C200H-TC@@2 для выхода напряжения тока, и
C200H-TC@@3 для текущего объема производства.
Через настоящий трансформатор, прогар подогревателя можно быстро обнаружить с минимальной настоящей разницей 0,5 a и обнаружения прогара подогревателя
устанавливающ выстройте в ряд 0,1 до 4,9 a, и учитывайте быструю коррекцию проблем. Обнаружение прогара подогревателя возможно для каждого из 2 контуров управления.
8 значений данных как значения точки отсчета (SP) и сигнала тревоги установленные можно заранее поставить в 8 банки данных для легкого выбора.
Консоль установки данных C200H-DSC01 (продал отдельно) использована к входным данным и значениям процесса дисплея (PV) и установленным значениям (SV).
Дисплей легк-к-чтения можно панел-установить.
Наше обслуживание
новое 100% полное - первоначальное уплотнение фабрики
Гарантия: 12 месяца
Пакет: Первоначальная упаковка с коробками
Срок поставки: Погруженный в 3 днях после оплаты
Больше продуктов
| ХОНИУЭЛЛ | 51304511-200 | ХОНИУЭЛЛ | 05701-A-0325 |
| ХОНИУЭЛЛ | 10106/2/1 | ХОНИУЭЛЛ | 05701-A-0361 |
| ХОНИУЭЛЛ | 51192337-101 | ХОНИУЭЛЛ | 05704-A-0121 |
| ХОНИУЭЛЛ | 10101/2/1 | ХОНИУЭЛЛ | TK-IOLI01 51403427-275 |
| ХОНИУЭЛЛ | 10024/F/F | ХОНИУЭЛЛ | TK-PRR021 |
| ХОНИУЭЛЛ | FC-USI-0002 | ХОНИУЭЛЛ | 05704-A-0144 |
| ХОНИУЭЛЛ | 942-A4M--2D-K220S | ХОНИУЭЛЛ | 05404600 04404600 |
| ХОНИУЭЛЛ | 51402755-100 | ХОНИУЭЛЛ | MC-PAIH03 |
| ХОНИУЭЛЛ | 51196655-100 | ХОНИУЭЛЛ | MC-PDOY22 |
