Диод усмирителя напряжения тока диода SP1045L SMD Schottky серии TO277 миниатюрный переходный
Особенности
Пластиковый пакет носит лабораторию страховщиков
Классификация 94V-0 воспламеняемости
Для поверхностных установленных применений
Встроенный сброс напряжения, идеальный для автоматизированного размещения
Высокая возможность течения передней пульсации
Высокотемпературный паять гарантировал:
250 секунд C/10 на терминалах
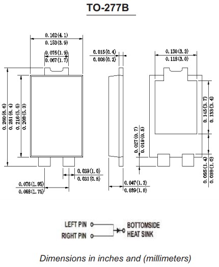
Механические данные
Случай: Тело прессованной пластмассы JEDEC TO-277B
Терминалы: Припой покрыл, solderable согласно с MIL-STD-750, метод 2026
Положение установки: Любые
Максимальные оценки & термальные характеристики
Оценка на 25 температурах окружающей среды c если не указано иное, сопротивляющееся или индуктивной нагрузке, 60 Hz. Для емкостной нагрузки derate настоящее 20%.
| СИМВОЛЫ | SP1040L | SP1045L | SP1050L | SP1060L | SP10100L | блок | |
| Максимальное повторяющийся пиковое обратное напряжение | VRRM | 40 | 45 | 50 | 60 | 100 | V |
| Максимальный ввод напряжения моста RMS | VRMS | 28 | 32 | 35 | 41 | 70 | V |
| Максимальное напряжение тока DC преграждая | VDC | 40 | 45 | 50 | 60 | 100 | V |
| Максимальное среднее переднее выпрямленное течение на TL=110 c | Я (AV) | 10 | |||||
| Пиковая передняя синус-волна течения пульсации 8.3ms одиночная половинная перекрытая на номинальной нагрузке (метод JEDEC) | IFSM | 175 | |||||
| Максимальный мгновенный передний T =25 c напряжение тока на 10.0A TA=100 c | Инфракрасн | 0,45 0,42 | 0,55 0,48 | 0,68 0,56 | uA | ||
| Максимальное обратный DC curren T =25 c на расклассифицированном напряжении тока TA=100 c DC преграждая | CJ | 0,5
| pF | ||||
| Типичное термальное сопротивление (ПРИМЕЧАНИЕ 1) | RqJA | 31 | ℃/W | ||||
| Работая диапазон температур соединения и хранения | TJ, TSTG | -55 до + 150 | ℃ | ||||
Примечание: 1.Polymide PCB, 2oz. Медные размеры пусковой площадки катода 18.8mmx14.4mm. Размеры пусковой площадки Anod 5.6mmx14.4mm

Q: Чего могу я сделать если я получил сломленный ВЗРЫВАТЕЛЬ INC формы A-TEAM продукта?
: Во-первых пожалуйста скажите нам как можно скорее после того как мы отправим новое одно в вас немедленно но пожалуйста отправьте сломленный продукт в нас .you не должны потревожиться об обязанности экипажа мы оплатим для этого.
Q; Мы импортер или изготовитель?
; Мы изготовитель
Q: Почему вы должны выбрать нас
: Высококачественное обеспечение. Большинств конкурентоспособная цена и быстрая доставка
Пожалуйста скажите мне:
Какие технические характеристики изделия вам нужны? когда вы просите цитата. Я передам вам большинств конкурентоспособная цена в как ваши требования. И мы имеем много типов для вас, который нужно выбрать.
P.S.: Если вы не можете найти любые продукты для того чтобы соотвествовать ваши. добро пожаловать для отправки нами чертежей деталей так, что мы сможем снабдить нам наше профессиональное & самое лучшее обслуживание вы.