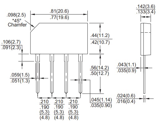
Diod переходной серии моста выпрямителя тока диода GBL4005-GBL410 усмирителя напряжения тока вставляемое
ОСОБЕННОСТИ
Оценка перегрузки пульсации - 135 амперов пиковый
Идеал для платы с печатным монтажом
Пластиковый материал имеет лабораторию страховщиков
классификация 94V-0 воспламеняемости
Положение установки: Любые
| ХАРАКТЕРИСТИКИ | СИМВОЛ | GBL4005 | GBL401 | GBL402 | GBL404 | GBL406 | GBL408 | GBL410 | БЛОК | |
| Максимальное возвратное пиковое обратное напряжение | VRRM | 50 | 100 | 200 | 400 | 600 | 800 | 1000 | V | |
| Максимальный ввод напряжения моста RMS | VRMS | 35 | 70 | 140 | 280 | 420 | 560 | 700 | V | |
| Максимальное напряжение тока DC преграждая | VDC | 50 | 100 | 200 | 400 | 600 | 800 | 1000 | V | |
| Максимальное выпрямленное переднее среднего Течение выхода @ t A=50 (Note1) | Я (AV) | 4 | ||||||||
| Пиковое течение передней пульсации одиночная половинная Синус-волна 8.3ms Супер наведенное на номинальной нагрузке | IFSM | 135 | ||||||||
| Оценка I2t для сплавлять (t<8.3ms) | I2t | 75,6 | A2s | |||||||
| Максимальное падение пропускного напряжения В элемент моста на пике 2.0A | VF | 0,95 | V | |||||||
| Максимальное падение пропускного напряжения В элемент моста на пике 4.0A | VF | 1,05 | V | |||||||
| Максимальное обратный настоящее @ TJ =25 DC на расклассифицированном напряжении тока @ TJ=125 DC преграждая | Инфракрасн | 5 500 | ||||||||
| Типичное термальное сопротивление к окружающему Типичное термальное сопротивление, который нужно покрывать Типичное термальное сопротивление, который нужно привести | R JA | 28 4,2 4 | /W | |||||||
| R JC | ||||||||||
| R JL | ||||||||||
| Температурная амплитуда рабочей температуры | TJ | -55 до +150 | ||||||||
| Диапазон температур хранения | TSTG | -55 до +150 | ||||||||

Q: Чего могу я сделать если я получил сломленный ВЗРЫВАТЕЛЬ INC формы A-TEAM продукта?
: Во-первых пожалуйста скажите нам как можно скорее после того как мы отправим новое одно в вас немедленно но пожалуйста отправьте сломленный продукт в нас .you не должны потревожиться об обязанности экипажа мы оплатим для этого.
Q; Мы импортер или изготовитель?
; Мы изготовитель
Q: Почему вы должны выбрать нас
: Высококачественное обеспечение. Большинств конкурентоспособная цена и быстрая доставка
Пожалуйста скажите мне:
Какие технические характеристики изделия вам нужны? когда вы просите цитата. Я передам вам большинств конкурентоспособная цена в как ваши требования. И мы имеем много типов для вас, который нужно выбрать.
P.S.: Если вы не можете найти любые продукты для того чтобы соотвествовать ваши. добро пожаловать для отправки нами чертежей деталей так, что мы сможем снабдить нам наше профессиональное & самое лучшее обслуживание вы.