Лезвие МАКСИ серии 58V автомобильное сплавляет для защиты сети, OEM & ODM
Автомобильное лезвие сплавляет взрыватель защиты сети взрывателя лезвия МАКСИ серии 58V автомобильный
Описание:
Автомобильные взрыватели класс взрывателей используемых для защиты проводки и электротехническое оборудование для кораблей. Они вообще расклассифицированы для цепей не более высоко чем 32 вольта постояннотоковой, но некоторые типы расклассифицированы для систем 42 вольт электрических. Они изредка использованы в не-автомобильных электрических продуктах.
Взрыватели лезвия (также вызвал лопату или вставляемые взрыватели), с пластиковым телом и 2 prongs которое помещают в гнезда, главным образом использованы в автомобилях. Каждый взрыватель напечатан с расклассифицированным течением в амперах на верхней части.
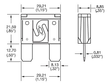
Тип взрыватели лезвия приходит в 6 физические размеры: micro2, micro3, низкопрофильный мини, мини, регулярный, и макси
Максимальный взрыватель использует «технологию таблетки диффузии» для того чтобы обеспечить прогнозированную характеристику задержки по времени и низкотермичную диссипацию. Настоящая оценка 20A – 100A, 32 VDC.
Тип взрыватели лезвия можно установить внутри:
• Плавкие части предохранителя (сделанные из фарфора, шифера, или другого тугоплавкого материала). Предложение Fuseblocks метод устанавливать несколько взрывателей совместно или больших взрыватели отдельно.
• Встроенные патроны предохранителя, с 2 стандартами: IEC-издание 257 1968 но. 2 поправки к этому изданию устаревшему январю 1989 и UL-стандартной помощи но. 512.They для сохранения космоса. Встроенный взрыватель часто увиден в расширенных электрических аксессуарах, где изготовитель не знает предел ампеража цепи вы идете залатать в. Это предлагает достаточную защиту для этого индивидуального аксессуара, не принимая во внимание всех других приборов которые могли делить такую же цепь.
• Двойные патроны предохранителя слота позволили вам повернуть один слот взрывателя в 2 (в некотором пути, подобном прокладке силы, но для взрывателей).
• Или контакты предохранительного патрона. Fuseclips можно ввести в плату с печатным монтажом.
Оценка напряжения тока: 58 VDC
Прерывая оценки: 1000A @ 58 VDC
Температурная амплитуда рабочей температуры: -40˚C к +125˚C
Терминалы: Ag покрыл сплав цинка
Расквартировывать материал: PA66
Исполняет с: SAE J 1888
8820-3:2002 ISO (E)
| Номер детали | Настоящая оценка | Тип. Падение напряжения тока | Холодное сопротивление | I2t |
| 0999020 | 20 a | 76 mV | mΩ 3,10 | ² 1100 a s |
| 0999025 | 25 a | 75 mV | mΩ 2,39 | ² 2087 a s |
| 0999030 | 30 a | 77 mV | mΩ 1,95 | ² s 4070 a |
| 0999035 | 35 a | 75 mV | mΩ 1,71 | ² s 6032 a |
| 0999040 | 40 a | 75 mV | mΩ 1,42 | ² s 8450 a |
| 0999050 | 50 a | 73 mV | mΩ 1,10 | ² s 11300 a |
| 0999060 | 60 a | 77 mV | 0,89 mΩ | ² s 15300 a |
| 0999070 | 70 a | 61 mV | 0,64 mΩ | ² s 6900 a |
| 0999080 | 80 a | 62 mV | 0,54 mΩ | ² s 8800 a |
| % оценки | Раскрывая минута времени/Макс (s) |
| 100 | 360 000 s/– |
| 135 | s 60 s/1 800 |
| 200 | s 2 s/60 |
| 350 | 0,20 s s/7 |
| 600 | 0,040 s/1 s |

1.What ваше MOQ?
: Мы обеспечиваем вам небольшое MOQ для каждого деталя, его зависим ваш специфический заказ.
2.What ваша дата доставки?
: Дата доставки о 2-7days после квитанции о получении платежа.
3.What ваша оплата термины?
: Мы признаваем T/T, западное соединение, moneygram, депозит 70% заранее и баланс 30% перед пересылкой.
4.Can вы отправить свободные образцы?
: Да, свободные образцы доступны; вам как раз нужно оплатить срочный гонорар. Вы можете обеспечить ваше a/c как DHL, или вы можете вызвать вашего курьера для того чтобы скомплектовать вверх от нашего офиса.
5.How вы уносите проверку качества?
: Качество наш приоритет. Наш QC всегда прикрепляет большое значение в проверку качества с самого начала в конец.
6.Can вы признавать заказы OEM?
: Да, мы принимаем OEM & заказы ODM, приветствуют все типы подгонянных заказов и сотрудничества.
Пожалуйста скажите мне:
Какие технические характеристики изделия вам нужны? когда вы просите цитата. Я передам вам большинств конкурентоспособная цена в как ваши требования. И мы имеем много типов для вас, который нужно выбрать.
P.S.: Если вы не можете найти любые продукты для того чтобы соотвествовать ваши. добро пожаловать для отправки нами чертежей деталей так, что мы сможем снабдить нам наше профессиональное & самое лучшее обслуживание вы.