Керамический автомобильный общецелевой взрыватель 500ВДК для ЭВ/ХЭВ
Общие взрыватели пупосе для ЭВ/ХЭВ
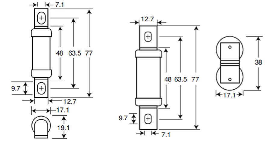
Держатель ‐ стержня, опционный для другого инсталлтион
идеал 500Вдк для применения ЭВ или ХЭВ
Представление ДК Эксекллент
Особенное конструированное основание взрывателя для ситуации корабля
| Электрические характеристики | ||
| % ампера | Работать | |
| Классифицировать (а) | Минута | Макс |
| 110% | 14400 | ‐ |
| 250% | 0,5 | 100 |
| 300% | 0,1 | 15 |
| 500% | ‐ | 1 |
| Тип | Приказывая П/Н | Электрические характеристики | |||
| Расклассифицированное течение (Амп) | Прерывая оценка | Интегралы энергии И2т (А2С) | |||
| Пре образовывать дугу ‐ | Освобождаться на 500В | ||||
| Мономер | ЭВ1845-20 | 20 | 500Вдк/2000А | 120 | 420 |
| ЭВ1845-25 | 25 | 180 | 660 | ||
| ЭВ1845-32 | 32 | 300 | 1100 | ||
| ЭВ1845-35 | 35 | 360 | 1300 | ||
| ЭВ1845-40 | 40 | 490 | 1710 | ||
| ЭВ1845-50 | 50 | 760 | 2600 | ||
| ЭВ1845-60 | 60 | 1100 | 3800 | ||
| ЭВ1845-70 | 70 | 1500 | 5200 | ||
| ЭВ1845-80 | 80 | 2000 | 6800 | ||
| ЭВ1845-100 | 100 | 3100 | 11000 | ||
| ЭВ1845-125 | 125 | 4600 | 16000 | ||
| ЭВ1845-150 | 150 | 6800 | 26000 | ||
| Двойной соединять | ЭВ1845-175 | 175 | 9200 | 37800 | |
| ЭВ1845-200 | 200 | 12500 | 48500 | ||
| ЭВ1845-225 | 225 | 15000 | 61500 | ||
| ЭВ1845-250 | 250 | 18000 | 75200 | ||
| ЭВ1845-300 | 300 | 27300 | 112000 | ||
Типичное Пре ‐ сгабривая И2т измерено на течении 10Ин

Соединять двойника мономера
К: Чего могу я сделать если я получил сломленный ВЗРЫВАТЕЛЬ ИНК формы А-ТЭАМ продукта?
А: Во-первых угодите скажите нам как можно скорее после того как мы отправим новое одно в вас немедленно
но пожалуйста отправьте сломленный продукт в нас .йоу не должны потревожиться о обязанности экипажа мы будем
оплата для этого.
К; Мы импортер или изготовитель?
А; Мы изготовитель
К: Почему вы должны выбрать нас
А: Высококачественное обеспечение. Большинств конкурентоспособная цена и быстрая доставка
Пожалуйста скажите мне:
Какие технические характеристики изделия вам нужны? когда вы просите цитата. Я передам вы больше всего
конкурентоспособная цена в как ваши требования. И мы имеем много типов для вас, который нужно выбрать.
П.С.: Если вы не можете найти любые продукты для того чтобы соотвествовать ваши. добро пожаловать для отправки нами деталей
чертежи так, что мы сможем снабдить нам наше профессиональное & самое лучшее обслуживание вы.