выпрямители тока барьера 10.0Амп Шотткы
Пластиковый пакет носит лабораторию страховщиков
Классификация 94В-0 воспламеняемости
Конструкция использует свободный от пуст метод прессованной пластмассы
Низкая обратная утечка
Высокая возможность течения передней пульсации
Гарантированный паять высокой температуры: 250°К, МАКСИМАЛЬНОЕ на 10 секунд
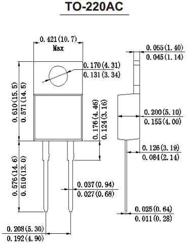
Случай: (И) ТО-220АБ, ТО-263, тело прессованной пластмассы ТО-252
Терминалы: Покрытый припой, солдерабле согласно с МИЛ-СТД-750, метод 2026
Полярность: Как отмечено
Положение установки: Любые
Оценки на 25температурах окружающей среды к если не указано иное. Одиночная фаза полуволновые 60Хз, сопротивляющийся или индуктивная нагрузка, для течения емкостной нагрузки дерате 20%.
| СИМВОЛЫ |
МБР (Ф) КТ |
МБР (Ф) КТ |
МБР (Ф) КТ |
МБР (Ф) КТ |
МБР (Ф) КТ |
МБР (Ф) КТ |
МБР (Ф) КТ |
БЛОКИ | ||
| Максимальное повторяющийся пиковое обратное напряжение | ВРРМ | 20 | 40 | 45 | 60 | 100 | 150 | 200 | ВОЛЬТЫ | |
| Максимальное напряжение тока РМС | ВРМС | 14 | 28 | 32 | 42 | 70 | 105 | 140 | ВОЛЬТЫ | |
| Напряжение тока ДК максимума преграждая | ВДК | 20 | 40 | 45 | 60 | 100 | 150 | 200 | ВОЛЬТЫ | |
| Максимальное среднее вперед выпрямленное течение (см. фиг.1) |
И (АВ) | 10 | Ампс | |||||||
| Выступите течение передней пульсации 8.3мс определяют половинную синус-волну перекрытую дальше номинальная нагрузка (метод ДЖЭДЭК) |
ИФСМ | 150 | Ампс | |||||||
| Максимальное мгновенное пропускное напряжение на 5.0А | ВФ | 0,55 | 0,6 | 0,7 | 0,85 | 0,95 | Вольты | |||
| Течение ТА=25 к ДК максимума обратное на расклассифицированном напряжении тока ТА=100 к ДК преграждая |
Инфракрасн | 0,15 | 0,1 | мамы | ||||||
| 40 | 20 | |||||||||
| Типичная емкость соединения (ПРИМЕЧАНИЕ 1) | КДЖ | 550 | 150 | пФ | ||||||
| Типичное термальное сопротивление (ПРИМЕЧАНИЕ 2) | РкДжК | 28 | К/В | |||||||
| Работая диапазон температур соединения | ТДЖ | -55 до +125 | -55 до +150 | К | ||||||
| Диапазон температур хранения | ТСТГ | -55 до +150 | К | |||||||
Примечание: 1.Меасуред на 1МХз и прикладном обратном напряжении д.к. 4.0В.
сопротивление 2.Тхэрмал от соединения к случаю

К: Чего могу я сделать если я получил сломленный ВЗРЫВАТЕЛЬ ИНК формы А-ТЭАМ продукта?
А: Во-первых угодите скажите нам как можно скорее после того как мы отправим новое одно в вас немедленно но пожалуйста отправим сломленный продукт в нас .йоу не должны потревожиться о обязанности экипажа мы оплатим для этого.
К; Мы импортер или изготовитель?
А; Мы изготовитель
К: Почему вы должны выбрать нас
А: Высококачественное обеспечение. Большинств конкурентоспособная цена и быстрая доставка
Пожалуйста скажите мне:
Какие технические характеристики изделия вам нужны? когда вы просите цитата. Я передам вам большинств конкурентоспособная цена в как ваши требования. И мы имеем много типов для вас, который нужно выбрать.
П.С.: Если вы не можете найти любые продукты для того чтобы соотвествовать ваши. добро пожаловать для отправки нами чертежей деталей так, что мы сможем снабдить нам наше профессиональное & самое лучшее обслуживание вы.