Чистый поверхностный электрический двигатель PSC одновременного мотора AC заменяя вентиляторы Fasco
Оно особенно начато для будущих энергосберегающих воздуходувок и вентиляторов используемых в североамериканских и европейских рынках.
Внедрение продукции
моторы EC 3,3 дюймов конструированы с 2 версиями:
(1) версия 16 скоростей снабженная фабриками OEM глубокого переключателя может отрегулировать их в доме.
(2) постоянн версия воздушного потока которой фабрики OEM могут отрегулировать мотор через программное обеспечение AirVent в андроиде или Windows.
Типичное применение:
Воздуходувки, вентиляторы, объекты вентиляции
Главные особенности:
- Улучшите падени-в замене 3,3" моторы PSC
- Регулятор врезал подключать с источником питания 120VAC/230VAC сразу.
- Построенный стандартами UL и теперь под процедурами по аттестации UL.
- Ряд силы 20W~Max. 200W.
- Эффективность сверх 80%, энергосберегающий.
Типичная спецификация:
| Напряжение тока | 115VAC/230VAC |
| Сила выхода | 15~100 ватт |
| Обязанность | S1, |
| Ряд скорости | до 3 000 rpm |
| Рабочая температура | -20°C к +40°C |
| Ранг изоляции | Класс b, класс f, |
| Носить тип | подшипники рукава, шарикоподшипники опционные. |
| Опционный материал вала | #45 сталь, нержавеющая сталь, |
| Расквартировывать тип | Провентилированный воздух, пластиковое снабжение жилищем |
| Особенность ротора | Мотор внутреннего ротора безщеточный |
| Аттестация | UL, CSA, ETL, CE |
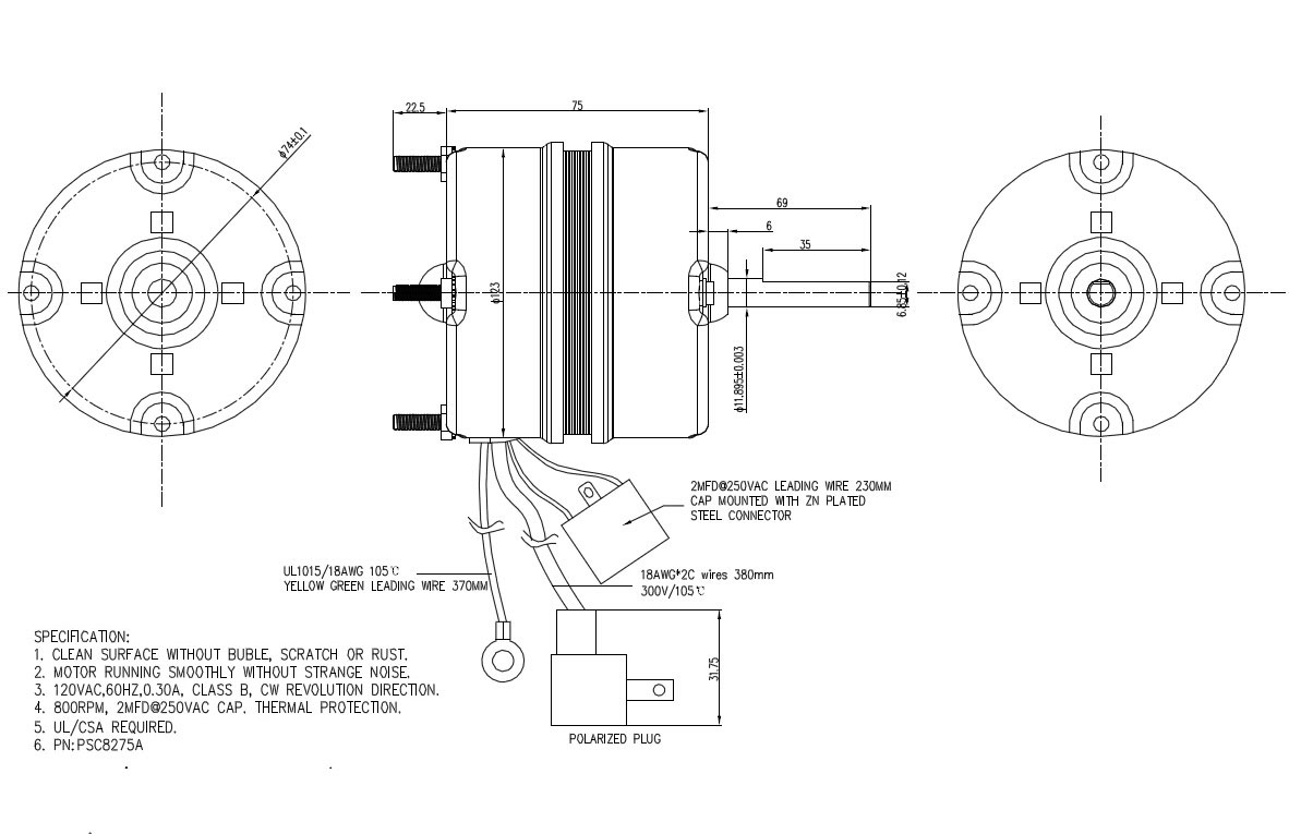
Чертеж:

Типичное представление:
