Крепкий почищенный щеткой мотор DC
Эта серия D104 почистила мотор щеткой DC (Dia. 104mm) приложило твердые работая обстоятельства. Продукты Retek изготовляют и поставляют массив повышенно-ценных почищенных щеткой моторов dc основанных на ваших конструктивных требованиях. Наши почищенные щеткой моторы dc были испытаны в самых жестких промышленных условиях окружающей среды, делая ими надежное, цен-чувствительное и простое решение для любого применения.
Наши моторы dc рентабельное решение когда стандартный мощьности импульса нет доступен или нужен. Они отличают электромагнитным ротором и статором с постоянными магнитами. По всей отрасли совместимость почищенного щеткой Retek мотора dc делает интеграцию в ваше применение без усилий. Вы можете выбрать один из наших стандартных вариантов или посоветовать с с программистом для больше определенного решения.
Типичное применение:
Медицинское инженерство, автоматизация, автоматизация здания, повод земледелия
Внедрение продукции
- Выбор магнитов: Феррит, NdFBe
- Выбор толщины слоения: 0.5mm, 1mm
- Слот отличает: Прямой слот, уклоненные слоты.
Вышеуказанные главные особенности повлияли бы на моторы эффективность и представление EMI, мы можем таможня сделать основанный на ваших применении и условиях труда.
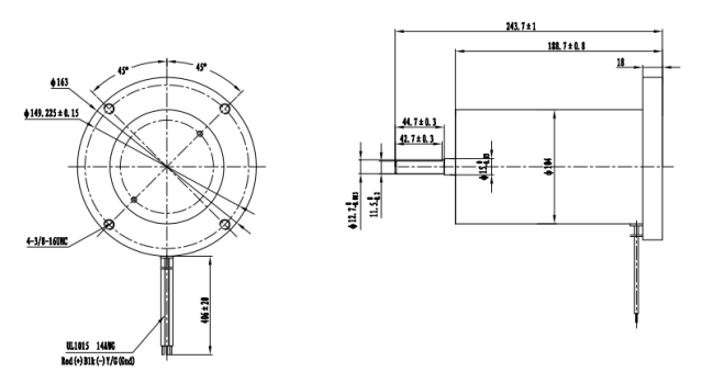
Размер:

Параметры
| Детали | Блок | Модель |
| D104176A-90 | ||
| Расклассифицированное напряжение тока | V | 90 |
| Скорость вращения на холостом ходе | RPM | 2300 |
| Течение нулевой нагрузки | 0,18 | |
| Скорость оборотов под нагрузкой | RPM | 1150 |
| Нагрузите настоящее | 15,2 | |
| Сила выхода | W | 617 |
Типичная кривая


Доставка:
1. FedEx/DHL/UPS/TNT для образцов, от двери к двери;
2. Самолетом или морским путем для товаров серии, для FCL; Получать порта аэропорта;
3. клиенты определяя товароотправителей перевозки или могущих быть предметом переговоров грузя методов!
Наше преимущество:
1. Наши продукты имеют конкурентное преимущество.
2. Мы имеем команду профессиональных инженеров для того чтобы разрешить различные технические проблемы и обеспечить вас с более профессиональным советом.
3. хорошая рабочая Среда и корпоративное сцепление.
Наше обслуживание:
1. Ваше дознание о наших продуктах или ценах будет отвечено в течение 24 часов.
2. вышколенный, опытный ответ штата все ваши вопросы на беглом английском.
3. Проверите товары перед пересылкой.
4. Мы уважаем вашу обратную связь после получать товары.
Q1: Что наш вид продукции фабрики?
: Stepper мотор, безщеточный мотор, мотор сервопривода и AC Motor.etc
Q2: Могу я получить некоторые образцы?
: Мы удостоены для предложения вам образцов для качественной проверки.
Q3: Вы имеете продукты в запасе?
: Наши продукты изготовлены согласно вашему заказу за исключением нормальных продуктов.
Q4: Что срок поставки?
: Он обычно принимает около 14 рабочего дня, но точный срок поставки мог быть различным для различных заказом или на различном времени.
Q5: Как ваша фабрика делает относительно проверки качества?
: Качество приоритет. Мы всегда прикрепляем большое значение в проверку качества с самого начала в конец продукции. Каждый продукт полно будет собран и осторожно будет испытан перед упакованный.
Q6: Что ваши условия гарантии?
: Мы предлагаем различные условия гарантии для различных продуктов. Пожалуйста контактируйте с нами для деталей.
Наша компания компания обрабатывающей промышленности специализируя в продукции моторов. Если вы имеете любые потребности, то пожалуйста свяжитесь мы, мы защитит ваши продажи зону, идею проекта и всю частную информацию.