Индукционный двигатель-LN9430M12-001
Индукционные двигатели - это инженерные чудеса, которые используют принципы электромагнитной индукции для обеспечения мощной и эффективной работы в различных приложениях.Этот универсальный и надежный двигатель является краеугольным камнем современных промышленных и коммерческих машин и имеет много преимуществ, которые делают его незаменимым компонентом в бесчисленных системах и оборудовании.
Индукционные двигатели являются свидетельством инженерной изобретательности, обеспечивая несравненную надежность, эффективность и адаптивность в различных приложениях.Системы HVAC или очистки воды, эта жизненно важная составляющая продолжает стимулировать прогресс и инновации в бесчисленных отраслях.
ДЕЛА ПРОДУКТА
Введение производства
Индукционные двигатели обладают следующими характеристиками: вращающееся магнитное поле вызывает ток в роторе, тем самым создавая движение.Индукционные двигатели имеют прочную конструкцию и высококачественные материалыИндукционные двигатели способны регулировать скорость с помощью частотной модуляции, обеспечивая точную, гибкую работу,что делает их идеальными для применения, требующих различных скоростей и крутящего моментаКроме того, индукционные двигатели известны своей высокой энергоэффективностью, что помогает снизить эксплуатационные расходы и воздействие на окружающую среду.Это делает их привлекательным вариантом для предприятий, стремящихся оптимизировать использование энергии и достичь целей устойчивого развитияОт конвейерных систем и насосов до вентиляторов и компрессоров индукционные двигатели широко используются в промышленном и коммерческом оборудовании.
Общая спецификация:
Применение:
Холодильник, стиральная машина, насос для воды и т.д.



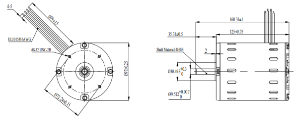
Размер:

Параметры
| Положения | Единица | Модель |
| LN9430M12-001 | ||
| Номинальное напряжение | V | 115 (AC) |
| Номинальная скорость | RPM | 1600 |
| Номинальная частота | Гц | 60 |
| Направление вращения | / | CCW/CW |
| Номинальный ток | А. | 2.5 |
| Номинальная мощность | W | 40 |
| Вибрация | м/с | 12 |
| Переменное напряжение | VAC | 1500 |
| Класс изоляции | / | F |
| Класс IP | / | IP22 |
Частые вопросы
1Какие у вас цены?
Наши цены подлежат спецификации в зависимости от технических требований.
2У вас есть минимальное количество заказов?
Да, мы требуем, чтобы все международные заказы имели постоянное минимальное количество заказов. Обычно 1000PCS, однако мы также принимаем заказ на заказ с меньшим количеством с более высокими расходами.
3Вы можете предоставить соответствующую документацию?
Да, мы можем предоставить большинство документов, включая сертификаты анализа / соответствия; страхование; происхождение и другие экспортные документы, где это необходимо.
4- Сколько среднее время выполнения?
Для образцов, время запуска составляет около 14 дней. Для массового производства, время запуска составляет 30 ~ 45 дней после получения депозита.Сроки вступления в силу, когда (1) мы получили ваш депозитЕсли наши сроки не соответствуют вашему сроку, пожалуйста, просмотрите ваши требования с вашей продажей.Во всех случаях мы постараемся удовлетворить ваши потребности.В большинстве случаев мы в состоянии это сделать.
5Какие способы оплаты вы принимаете?
Вы можете сделать платеж на наш банковский счет, Western Union или PayPal: 30% депозит заранее, 70% остаток до отправки.