Перепад давления с 4548-1:2002 ISO машины теста фильтра для масла характеристик подачи
Обзор продукта:
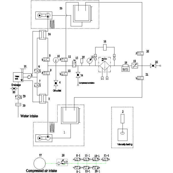
Машина теста характеристик перепада давления/подачи для фильтра топлива использована для испытывать для того чтобы определить характеристики падения давления/подачи полного потока смазывая фильтры для масла для двигателей внутреннего сгорания.
Тест выполнен с маслами на 2 выкостностях, одной для того чтобы определить характеристику рабочое фильтра с холодным маслом и другой для того чтобы определить свое характеристику рабочое с маслом на типичной рабочей температуре. Испытательное оборудование автозапчастей
Принцип теста:
Отрегулируйте жидкость теста к установленной температуре через подогреватель или охладитель. Насос давления нагнетает жидкость теста в испытанный фильтр для циркуляции, во время теста, 5-8 пунктов подачи и значения перепада давления прочитаны согласно спецификации теста. И проведенный такими же тестом спецификации деятельности и численным допущением 2 жидкостей. Автоматически произведите перепад давления и диаграмму и отчеты по испытанию характеристики подачи.

Стандарт:
Машина теста характеристик перепада давления/подачи для фильтра топлива соотвествовать 4548-1:2002 ISO, GB 8243-1. Испытательное оборудование автозапчастей
Фильтруйте быть испытанным:
A. Закрутк-на фильтрах патрона в которых меняемый блок не включает брошенную голову (оно может или не может включить обводный клапан элемента)
B. Закрутк-на фильтрах патрона в которых меняемый блок делает включает брошенную голову которая включает обводный клапан элемента.
C. Другие фильтры, обычно типа элемента замены и обычно включая их собственную брошенную голову. Испытательное оборудование автозапчастей
Параметры:
| Выкостность теста жидкостная | 24mm2/s на 74°C, 500mm2/s на 38°C |
| Температура теста жидкостная | 23-100°C |
| Подача теста | 1-400 Л/МИН |
| Ряд перепада давления | 0-10 бар |
| Верность измерений | ± 5% перепада давления |
| ± 2% подачи масла Испытательное оборудование автозапчастей | |
| ± 5% выкостности масла | |
| ± 1°C температуры |