Камера теста испытательного оборудования IP пылезащитная для проверки защиты против пыли (камера пыли)
Стандарт:
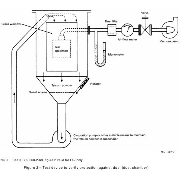
IEC 60529 градусов защиты обеспеченных приложениями (кодом) IP5X IP, IP6X, диаграммой 2.
Стандартное описание:
Тест сделан используя камеру пыли включая основные принципы показанные в диаграмме 2 whereby насос циркуляции порошка может быть замененные иным путем соответствующими для поддержания порошка talcum в подвесе в камере закрытого теста. Используемый порошок talcum будет пропустить через квадрат-зацепленную сетку номинальный диаметр провода чего 50μm и номинальную ширину зазора между проводами 75μm. Количество порошка talcum, который нужно использовать 2 kg на кубический метр тома камеры теста. Оно не будет использован для больше чем 20 тестов.
Применение:
Прибор теста соответствующий для герметизируя испытывать емкости сопротивления частей и песка и пыли приложения электрических и электронных продуктов, автомобиля и частей и уплотнений мотоциклов запасных. Обнаружить пользу, хранение, проведение перехода электрических и электронных продуктов, автомобиль и части и уплотнения мотоциклов запасные под окружающей средой песка и пыли.
Особенность:
Камера принимает распылять высококачественной стальной пластины электростатический, соответствовать голубой и белый, простой и элегантный
Экран касания 7 дюймов использован для того чтобы контролировать воздуходувку пыли, вибрацию пыли и полное время теста отдельно
Внутренняя камера соединена с высококачественным вентилятором с наивысшей мощностью и способностью сильной пыли дуя
Встроенный нагревая прибор для того чтобы держать пыль сухой; подогреватель установлен в обеспечивая циркуляцию воздуховод для того чтобы нагреть пыль для избежания конденсации пыли
Резиновое уплотнение использовано на двери для предотвращения пыли от плавать вне
Параметр:
| Модель | HH0810 |
| Внутренний размер | 1000x1500x1000mm, (другие размеры можно подгонять) |
| Наружный размер | 1450x1720x1970mm |
| Диапазон температур | RT+10-70℃ (определить приказывая) |
| Относительная влажность | 45%-75% (не смогите быть показано) |
| Диаметр провода | 50μm |
| Ширина зазора между проводами | 75μm |
| Количество порошка talcum | 2-4kg/m3 |
| Пыль теста | Сухой порошок talcum |
| Время теста | 0-999H, регулируемое |
| Время вибрации | 0-999H, регулируемое |
| Приурочивая точность | ±1s |
| Ряд вакуума |
0-10Kpa, регулируемое |
| Скорость откачки | 0-6000L/H, регулируемое |
| Сила | AC220V, 50Hz, 2.0KW (ориентированные на заказчика) |
| Протектор | Предохранение от утечки, предохранение от короткого замыкания |

