Спецификации
Место происхождения :
Чжэцзян, Китай
Подробная информация об упаковке :
Деревянный каркас, запечатанная коробка
Способность к поставкам :
100 ящиков в год
Описание :
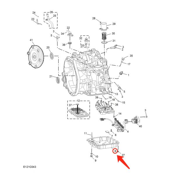
CVT180 Переключатель для масла
ОЭ НЕТ. :
10407811
Модель :
MG ZS, MG 5, RX3, ROEWE RX3, ROEWE i6, ROEWE i5
Год :
2017-2021, 2017-, 2017-2021, 2016-2021, 2018-2021, 2011-2015 годы
Автомобильный монтаж :
ROEWE (SAIC), ROEWE, MG
Гарантия :
обсуждаемый
Модель автомобиля :
Для Roewe MG
Размер :
40 х 30 х 20 см
Состояние :
Новый
Наименование продукта :
CVT180 Переключатель для масла
Модель трансмиссии :
Система коробки передач
Качество :
Высокое качество
Тип :
Автозапчасти
упаковка :
Нейтральная упаковка
Оплата :
T/T
ДРУГОВОДНАЯ ПОДОБНОСТЬ :
DHL UPS EMS FEDEX OCEAN
Доставка :
5-7 рабочих дней
Вес :
3 кг
Описание
Сила компании.

Компания Meishun фокусируется на автомобильной автоматической трансмиссии сборки, запасные части, обслуживание частей, включая корпус клапана, цепной ремень, штурвал набор, соленоид клапан набор, сцепление набор, уплотнитель набор, TCU,модели контроля, дифференциал, масляный насос, поршень и т. д. Полный ассортимент аксессуаров для трансмиссии охватывает все модели.

Наши услуги
  • Мы поставляем высококачественные запасные части для различных моделей трансмиссий для обеспечения оптимального функционирования.
  • Мы предоставляем подробную техническую документацию и руководства для поддержки клиентов в использовании и обслуживании наших продуктов.
  • Мы предлагаем услуги дистанционной помощи для диагностики и устранения проблем с передачей без необходимости посещения на месте.
  • Профессиональное руководство по установке.
Ф&О

У вас есть детали, которые не перечислены в вашем каталоге:
Мы постоянно расширяем наш каталог, но если вы не можете найти то, что вы ищете, пожалуйста, свяжитесь с нашей командой обслуживания клиентов, и мы будем рады проверить наш инвентарь для вас.

Вы оригинальный производитель или просто торгуете:
Мы занимаемся исследованиями в области автоматической трансмиссии в течение 20 лет. Мы являемся профессиональной компанией по производству и торговле трансмиссией. Мы тепло приветствуем вас на нашем заводе.

 

Описание продукта
MG 2nd Gen ZS 2016-2023 CVT180 Передатчик масла для Roewe i5 i6 PLUS RX3 PRO.
MG 2nd Gen ZS 2016-2023 CVT180 Передатчик масла для Roewe i5 i6 PLUS RX3 PRO.
MG 2nd Gen ZS 2016-2023 CVT180 Передатчик масла для Roewe i5 i6 PLUS RX3 PRO.
MG 2nd Gen ZS 2016-2023 CVT180 Передатчик масла для Roewe i5 i6 PLUS RX3 PRO.
MG 2nd Gen ZS 2016-2023 CVT180 Передатчик масла для Roewe i5 i6 PLUS RX3 PRO.
Спецификация
пункт
стоимость
ОЭ НЕТ.
10407811
Гарантия
Подлежит обсуждению
Место происхождения
Китай
 
Чжэцзян
Наименование марки
OEM
Модель автомобиля
Для Roewe MG
Размер
40 x 30 x 20 см
Состояние
Новый
Наименование продукта
CVT180 Переключатель для масла
Модель передачи
Система коробки передач
Качество
Высокое качество
Тип
Автозапчасти
Упаковка
Нейтральная упаковка
Оплата
T/T
ДРУГОВОДНАЯ ПОДОБНОСТЬ
DHL UPS EMS FEDEX OCEAN
Доставка
5-7 рабочих дней
Вес
3 кг
MG 2nd Gen ZS 2016-2023 CVT180 Передатчик масла для Roewe i5 i6 PLUS RX3 PRO.
MG 2nd Gen ZS 2016-2023 CVT180 Передатчик масла для Roewe i5 i6 PLUS RX3 PRO.
MG 2nd Gen ZS 2016-2023 CVT180 Передатчик масла для Roewe i5 i6 PLUS RX3 PRO.
MG 2nd Gen ZS 2016-2023 CVT180 Передатчик масла для Roewe i5 i6 PLUS RX3 PRO.
Отправьте сообщение этому поставщику
Отправляй сейчас

MG 2nd Gen ZS 2016-2023 CVT180 Передатчик масла для Roewe i5 i6 PLUS RX3 PRO.

Спросите последнюю цену
Смотрите видео
Место происхождения :
Чжэцзян, Китай
Подробная информация об упаковке :
Деревянный каркас, запечатанная коробка
Способность к поставкам :
100 ящиков в год
Описание :
CVT180 Переключатель для масла
ОЭ НЕТ. :
10407811
Модель :
MG ZS, MG 5, RX3, ROEWE RX3, ROEWE i6, ROEWE i5
Контактный поставщик
видео
MG 2nd Gen ZS 2016-2023 CVT180 Передатчик масла для Roewe i5 i6 PLUS RX3 PRO.
MG 2nd Gen ZS 2016-2023 CVT180 Передатчик масла для Roewe i5 i6 PLUS RX3 PRO.
MG 2nd Gen ZS 2016-2023 CVT180 Передатчик масла для Roewe i5 i6 PLUS RX3 PRO.
MG 2nd Gen ZS 2016-2023 CVT180 Передатчик масла для Roewe i5 i6 PLUS RX3 PRO.
MG 2nd Gen ZS 2016-2023 CVT180 Передатчик масла для Roewe i5 i6 PLUS RX3 PRO.
MG 2nd Gen ZS 2016-2023 CVT180 Передатчик масла для Roewe i5 i6 PLUS RX3 PRO.
MG 2nd Gen ZS 2016-2023 CVT180 Передатчик масла для Roewe i5 i6 PLUS RX3 PRO.
MG 2nd Gen ZS 2016-2023 CVT180 Передатчик масла для Roewe i5 i6 PLUS RX3 PRO.

Guangzhou Meishun Automatic Transmission Co., Ltd.

Active Member
2 Годы
guangdong, guangzhou
С тех пор 2004
Общее годовое :
5000000-10000000
Количество работников :
100~150
Уровень сертификации :
Active Member
Контактный поставщик
Требование о предоставлении