Литой железный материал THK BK30 Квадратный тип шаровой винтовой поддержки Слайдные единицы
1.Тип: Квадратный шаровой винтовой подшипник
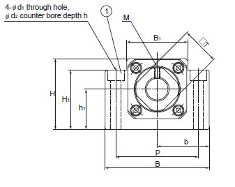
2Спецификация:


| Номер части | BK30 |
| Диаметр вала | 30 мм |
| Л | 45 мм |
| L1 | 14 мм |
| L2 | 61 мм |
| L3 | 9 мм |
| В. | 128 мм |
| H | 89 мм |
| b | 64 мм |
| h1 | 51 мм |
| В1 | 76 мм |
| H1 | 78 мм |
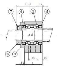
|
Используемые подшипники |
7206 ((DF P5) |
3Особенности:
(1) Японский оригинал
(2) Конкурентоспособная цена
(3) Рик-акции
(4) Быстрая доставка
4- С фотографиями:



Если вы хотите купить THK BK30 шаровой винтовой поддержки слайд, просто свяжитесь с нами.