Клапан дефлектора глубокого вакуума, клапан 16mm блока, привод GD-J16B водителя
Структурные особенности:
Применения:
Широко приложенный в энергии полупроводника, фотовольтайческих, новых, фармацевтический, научное исследование, лаборатория, химикат, легкая промышленность, металлургия, нефть, машинное оборудование, электроника, и другие индустрии, так же, как электрическое производство прибора вакуума, электрические лампочки, производство склянки вакуума, сваривать вакуума, отливка вакуума, машинное оборудование инструментирования, печатания и упаковки, etc.
Технический параметр:
| Модель | GD-J16B | |
| Ряд давления | PA | 1×10-6Pa~1.0×105Pa |
| Номинальный диаметр | mm | 16 |
| Перколяция | PA·L/s | ≤1.3×10-7 |
| Первое время цикла обслуживания | в | 1000 000 (уплотнение Sylphon) |
| Temp тела печь. | ℃ | ≤120 |
| Включено-выключено время | s | ≤0.7 |
| Положение установки | — | Везде |
| Окружающий Temp. | ℃ | 5~40 |
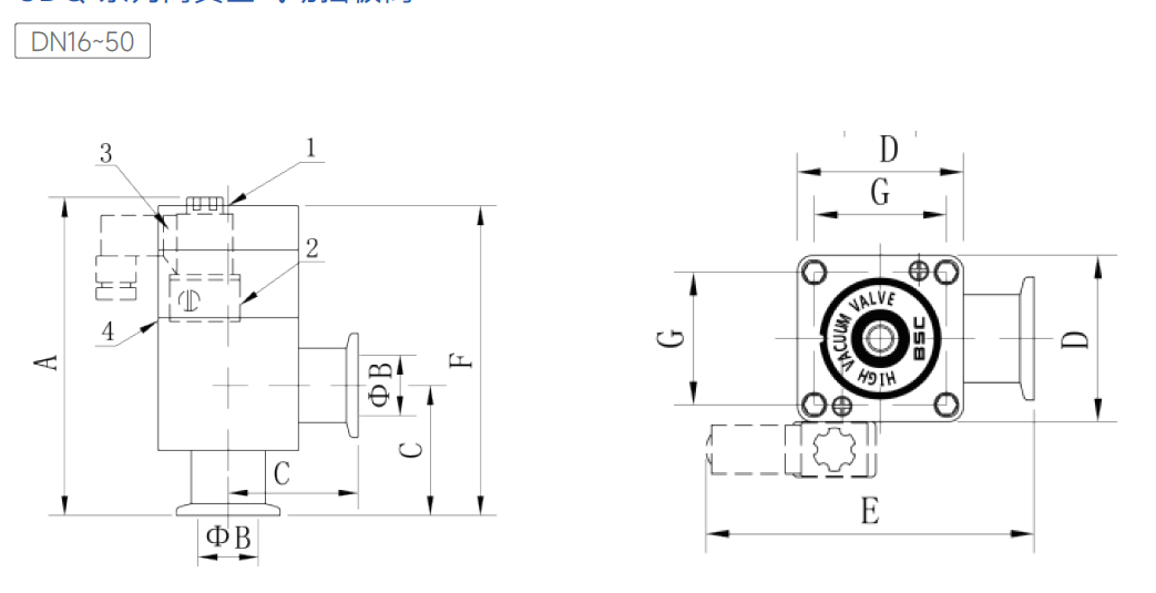
ЧЕРТЕЖ РАЗМЕРА УСТАНОВКИ

