Клетка ИЭК_62133-2 21А_620е_ФДИС небольшие и информация о безопасности батареи обеспечили с данными по опасностей заглатывания
8,2 небольшая информация о безопасности клетки и батареи
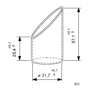
Небольшие клетки и батареи и оборудование используя небольшие клетки и батареи быть обеспеченным с информацией относительно опасностей заглатывания. Небольшие клетки и батареи которые могут представить опасность заглатывания те которые могут приспосабливать в пределах структуры датчика заглатывания показанного в диаграмме 3.
Следующий предупреждающий язык быть обеспеченным с информацией упакованной с небольшими клетками и батареями или оборудованием используя их:
• Держите небольшие клетки и батареи которых учитывайте свалловабле из диапазона
дети.
• Заглатывать может привести к ожогам, прокалыванию мягкой ткани, и смерти. Строгие ожога могут
произойдите в пределах 2х заглатывания.
• В случае заглатывания клетки или батареи, ищите медицинскую помощь быстро.
Размеры в миллиметрах

ЗАМЕТЬТЕ этот датчик определяет свалловабле компонент и определяет в ИСО 8124-1.
Диаграмма 3 – датчик заглатывания

