ИЭК60335-2-3 тестер падения электрического утюга статьи 21,101 проверяя механическую прочность электрических утюгов
Информация о продукте:
Проверить механическую прочность электрических утюгов повторенным падением на стальную пластину согласно ИЭК60335-2-3 статье 21,101.
Электрический утюг эксплуатируется под нормальным функционированием на расклассифицированной потребляемой мощности и, за исключением бесшнуровых утюгов; температура солеплате поддержана в этих условиях повсеместно в тест.
1.стел плита, по крайней мере 15мм толстое, масса по крайней мере 15 твердо поддержанных кг,
прибор 2.лифтинг с радиальным кулачком для медленный подниматься образца для 40 мм, для неожиданного отпуска на свободное падение и на время остатков на стальной пластине ≈15% из продолжительности теста,
мотор 3.геар, управлять подъемным устройством, для 20 падений в мельчайший максимум,
собрание 4.фаллинг, с связ-Адвокатурой для закрепления образца, с 1 парой дистанционных прокладок 40 мм.
5.свитчгеар, с основным переключателем, сплавляет и счетчиком пресет для того чтобы переключить блок после номера пресет ходов.
Технические параметры:
| Модель нет. | КП-ЭИД01 |
| Стандартный | ИЭК60335-2-3 статья 21,101 |
| Электропитание | АК220В, 50ХЗ |
| Управляйте методом | Мотор и кулачковая передача |
| Станция | Одиночный |
| Времена теста | 1~999999, регулируемый |
| Работая скорость | ≤20 р/минуте |
| Падая высота | 40мм |
| Размер (мм) | 530*560*1050 |
Методика проверки
1) Поверните дальше силу, включите переключатель мощности, и заранее поставьте число испытаний по счетчик.

2) Используйте переключатель стопа начала для того чтобы расположить плиту падения мовинг до высшей точки, установить 2000 раз, тогда отжать кнопку начала, струбцина поднимет к высшей точке. Образец теста после этого помещен поверх железной плиты и образец прикреплен в ведущий шатун с слингом.

2) Соедините электропитание электрического утюга. Когда температура электрического утюга достигает требование к теста, отожмите кнопку начала, прибор выполнит тест. Когда номер пресет времен достигнется, тестер автоматически остановит работать.
3) Перезагрузите прибор, пожалуйста отожмите кнопку РСТ на счетчике для того чтобы освободить его.
Механическая диаграмма
Прибор управляется мотором, и ролик управляется кулачком для того чтобы ресипрокате вверх и вниз, таким образом контролирующ образец для того чтобы упасть.
Кулачок: наружный диаметр Φ140, высота 40мм падения;
Ролик: наружный диаметр Φ24;
Схема механизма кулачка:


Электрический дизайн
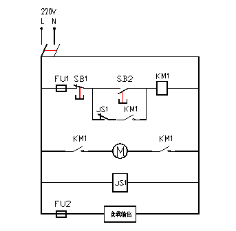
Принципиальная схема прибора испытания методом сбрасывания электрического утюга

Принципиальная схема схемы счетчика

Обслуживание
1. В виду того что оборудование изготовлено металла, оно должно быть использовано в пылезащитной и влагостойкой окружающей среде.
2. Поверните силу когда не работающ.