Платы теста 5.2.2.1 для теста ввод-разведения описанного в статье 6,4 будут сделаны уньплатед латуни, определенный по мере того как сплав КДА К26000 с твердостью 62 ±7 на масштабе Роквелл 30Т.
Платы теста 5.2.2.2 для температуры и настоящих задействуя тестов описанных в статье 6,5 будут сделаны из полуженной стальной или коррозионностойкой стали имея твердость 68 ±5 на масштабе Роквелл 30Т.
5.2.2.3 в отношении статьи 5.2.2.2, ибо соединители запланированные исключительно для пользы с платами продукции медного сплава, уньплатед латунная плата теста сплава К26000 с твердостью 62 ±7 в масштабе Роквелл 30Т могут быть использованы.
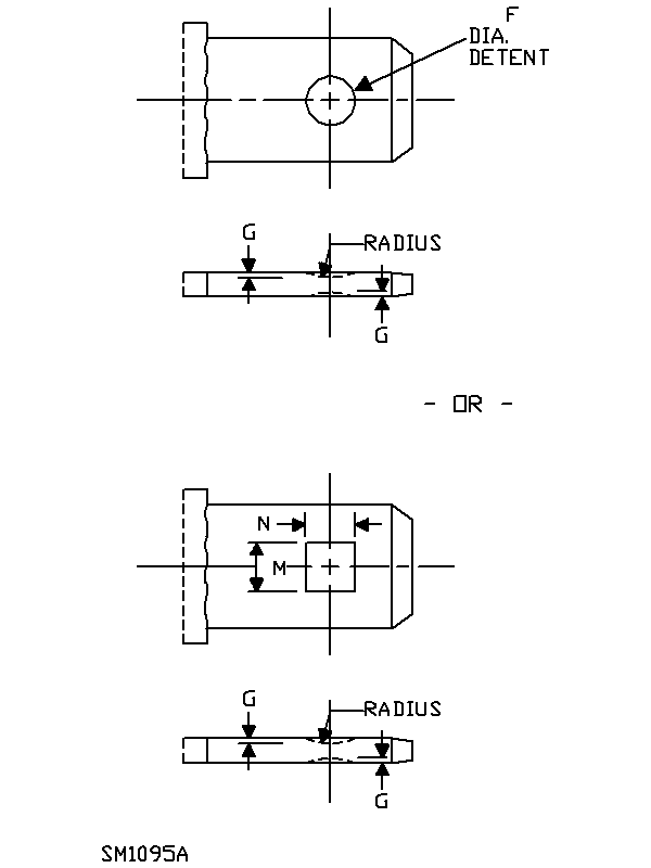
5.3.3.1 Одно-закончило платы теста для теста ввод-разведения будет иметь конфигурацию показанный в диаграммах 2 до 4 и размерах определенных внутри Допуск размера «к» будет ±0.008 мм (0,0003 внутри) для латуни и ±0.013 мм (0,0005 внутри) для стали, и поднятые плато вокруг защелки будут ограничены к совмещенному итогу 0,03 мм (0,001 внутри) для обеих сторон.
5.3.3.2 Двух-закончило платы теста для температуры и настоящие задействуя тесты будут построены в соответствии с статьей 5.3.3.1 и иметь конфигурацию показанную в диаграмме 5.
(См. примечание для того чтобы вычислять 5)
| Номинальный размер | А | Б (минута) | К | Д | Э | Ф | Дж | М | Н | П | К (минута) |
| 2,8 кс 0,5 с димплом | 0,6 | 7,0 | 0,54 | 2,90 | 1,8 | 1,3 | 12° | 1,7 | 1,4 | 1,4 | 8,1 |
| 0,3 | 0,47 | 2,70 | 1,3 | 1,1 | 8° | 1,4 | 1,0 | 0,3 | |||
| 2,8 кс 0,5 с отверстием | 0,6 | 7,0 | 0,54 | 2,90 | 1,8 | 1,3 | 12° | 1,4 | 8,1 | ||
| 0,3 | 0,47 | 2,70 | 1,3 | 1,1 | 8° | 0,3 | |||||
| 2,8 кс 0,8 с димплом | 0,6 | 7,0 | 0,84 | 2,90 | 1,8 | 1,3 | 12° | 1,7 | 1,4 | 1,4 | 8,1 |
| 0,3 | 0,77 | 2,70 | 1,3 | 1,1 | 8° | 1,4 | 1,0 | 0,3 | |||
| 2,8 кс 0,8 с отверстием | 0,6 | 7,0 | 0,84 | 2,90 | 1,8 | 1,3 | 12° | 1,4 | 8,1 | ||
| 0,3 | 0,77 | 2,70 | 1,3 | 1,1 | 8° | 0,3 | |||||
| 3,2 кс 0,8 с димплом | 0,6 | 7,0 | 0,84 | 3,25 | 1,8 | 1,3 | 12° | 1,7 | 1,4 | 1,4 | 8,1 |
| 0,3 | 0,79 | 3,10 | 1,4 | 1,1 | 8° | 1,4 | 1,1 | 0,3 | |||
| 3,2 кс 0,8 с отверстием | 0,6 | 7,0 | 0,84 | 3,25 | 1,8 | 1,3 | 12° | 1,4 | 8,1 | ||
| 0,3 | 0,79 | 3,10 | 1,4 | 1,1 | 8° | 0,3 | |||||
| 3,2 кс 0,5 с димплом | 0,6 | 7,0 | 0,54 | 3,25 | 1,8 | 1,3 | 12° | 1,7 | 1,4 | 1,4 | 8,1 |
| 0,3 | 0,48 | 3,10 | 1,4 | 1,1 | 8° | 1,4 | 1,1 | 0,3 | |||
| 3,2 кс 0,5 с отверстием | 0,6 | 7,0 | 0,54 | 3,25 | 1,8 | 1,3 | 12° | 1,4 | 8,1 | ||
| 0,3 | 0,48 | 3,10 | 1,4 | 1,1 | 8° | 0,3 | |||||
| 4,8 кс 0,5 с димплом | 0,9 | 6,2 | 0,54 | 4,80 | 2,8 | 1,5 | 12° | 1,7 | 1,5 | 1,7 | 7,3 |
| 0,6 | 0,47 | 4,60 | 2,3 | 1,3 | 8° | 1,4 | 1,2 | 0,6 | |||
| 4,8 кс 0,5 с отверстием | 0,9 | 6,2 | 0,54 | 4,90 | 3,4 | 1,5 | 12° | 1,7 | 7,3 | ||
| 0,6 | 0,47 | 4,67 | 3,0 | 1,3 | 8° | 0,6 | |||||
| 4,8 кс 0,8 с димплом | 1,0 | 6,2 | 0,84 | 4,80 | 2,8 | 1,5 | 12° | 1,7 | 1,5 | 1,8 | 7,3 |
| 0,7 | 0,77 | 4,60 | 2,3 | 1,3 | 8° | 1,4 | 1,2 | 0,7 | |||
| 4,8 кс 0,8 с отверстием | 1,0 | 6,2 | 0,84 | 4,90 | 3,4 | 1,5 | 12° | 1,8 | 7,3 | ||
| 0,6 | 0,77 | 4,67 | 3,0 | 1,3 | 8° | 0,7 | |||||
| 5,2 кс 0,5 с димплом | 1,0 | 6,2 | 0,54 | 5,30 | 2,8 | 1,9 | 12° | 2,5 | 2,0 | 1,7 | 7,3 |
| 0,7 | 0,47 | 5,10 | 2,3 | 1,6 | 8° | 2,2 | 1,8 | 0,6 | |||
| 5,2 кс 0,5 с отверстием | 1,0 | 6,2 | 0,54 | 5,30 | 3,4 | 1,9 | 12° | 1,7 | 7,3 | ||
| 0,7 | 0,47 | 5,10 | 3,0 | 1,6 | 8° | 0,6 | |||||
| 5,2 кс 0,8 с димплом | 1,0 | 6,2 | 0,84 | 5,30 | 2,8 | 1,9 | 12° | 2,5 | 2,0 | 1,8 | 7,3 |
| 0,7 | 0,77 | 5,10 | 2,3 | 1,6 | 8° | 2,2 | 1,8 | 0,7 | |||
| 5,2 кс 0,8 с отверстием | 1,0 | 6,2 | 0,84 | 5,30 | 3,4 | 1,9 | 12° | 1,8 | 7,3 | ||
| 0,7 | 0,77 | 5,10 | 3,0 | 1,6 | 8° | 0,7 | |||||
| 6,3 кс 0,8 с димплом | 1,0 | 7,8 | 0,84 | 6,40 | 4,1 | 2,0 | 12° | 2,5 | 2,0 | 1,8 | 8,9 |
| 0,7 | 0,77 | 6,20 | 3,6 | 1,6 | 8° | 2,2 | 1,8 | 0,7 | |||
| 6,3 кс 0,8 с отверстием | 1,0 | 7,8 | 0,84 | 6,40 | 4,7 | 2,0 | 12° | 1,8 | 8,9 | ||
| 0,5 | 0,77 | 6,20 | 4,3 | 1,6 | 8° | 0,7 | |||||
| Примечания: 1. включенны размеры для тех номинальных размеров соответствуя с теми найденными в ИЭК 61210. 2. В таблице где 2 значения обеспечены, меньшее значение значение позволенное минимумом и больше значение позволенное максимумом. | |||||||||||

Примечание 1 - для размеров ф защелки димпла и отверстия, г, м, и н, видят диаграммы 3 и 4.
Примечание 2 - скосите «х» не нужно быть прямой линией если она внутри показанные границы, и может быть радиусом «п».
Примечание 3 - размер «к» для плат без плеч.
Примечание 4 - «л» не определенный размер.



Примечание: См. диаграммы 2 до 4 и
