IEC60884-1 рис. 40 / VDE 0620 Bild 39 Аномальный нагрев изолирующих гильз штыревых штырей Испытательный аппарат
1. Информация о продукте:
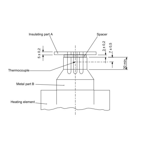
Для определения стойкости к аномальному нагреву изоляционных гильз штыревых штырей в соответствии с IEC 60884 1 рис. 40 эта испытательная установка состоит из изолирующей пластины А и металлической части В: между этими двумя частями должен быть воздушный зазор 3 мм. должно быть обеспечено, и это расстояние должно быть обеспечено с помощью средств, не нарушающих циркуляцию воздуха вокруг штифтов.
2. Стандарт:
IEC60884-1-рисунок 40, VDE 0620-Bild 39.
Технические параметры:
Изоляционная плита: круглая плоская поверхность толщиной 5 мм, диаметр в два раза больше диаметра поверхности тестового продукта;
Металлические детали Б (Крепеж): длина более 20 мм, латунь, пять штук, заменяемые;
Зазор между изоляционной плитой и металлическими частями B: 3 мм, обеспечивающий сквозную вентиляцию
Расстояние между термопарой и металлическими частями B: 7 мм;
Отверстие под болт в металлических деталях B: более 0,1 мм;
Оснащен электрическим нагревателем типа K, импортным высокоточным столом с цифровым дисплеем.

