Машина электрогидравлического сервопривода WAW-2000F контролируемая микрокомпьютером всеобщая испытывая
Технические рецепты
1. Краткое введение
Микрокомпьютер WAW-2000F контролировал машину электрогидравлического сервопривода всеобщую испытывая, главным образом используемую для металла, неметалла тесты растяжимых, обжатия, гнуть и другого. Применимый к металлургии, конструкции, легкой промышленности, авиации, воздушно-космическому пространству, материалам, коллежам и университетам, блокам научного исследования и другим полям. Деятельность и преобразование данных теста соответствуют требованиям тест металлических материалов - часть 1 GB/t228.1-2010 «растяжимый: метод теста комнатной температуры».
2. Описание проекта
2,1 главный двигатель
Главный двигатель принимает двигатель масла undermounted цилиндром главный, протягивая космос расположен над главным двигателем, и обжатие, гнуть и режа космос теста расположено между лучем и верстаком под главным двигателем.
2.1.1 рамки хозяина
Масла цилиндра форма винта более низко, 4 столбца 2, низкий двигатель центра притяжения, стабилизированных и надежных главный.
2.1.2 луч
Полу- открытый держатель струбцины, высокопрочный, отсутствие деформации, соответствующей для сталелитейного завода к стальным образцам как большая рабочая нагрузка протягивать.
2.1.3 вкладыш аранжирован между нажимной доской струбцины и держателем струбцины, эффективной защитой против носки и разрывом.
2.1.4 Вес-основной блок
Высокая жесткость, высокий фактор безопасности, прочный.
2.1.5 ближний свет фар обеспечен с отверстием разрядки обломока, легким для того чтобы извлечь твердые частицы образца, легкие для того чтобы обтереть оборудование обслуживания.
2,2 управляющее устройство
Подниматься ближнего света фар принимает передачу цепи цепного колеса мотора и редуктора для того чтобы управлять винтом для того чтобы вращать, осуществить регулировку космоса протягивать и обжатия.
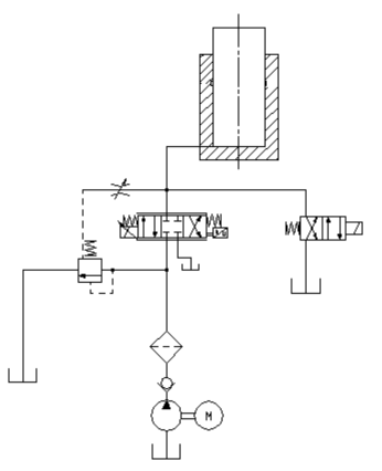
2,3 гидравлическая система
Гидравлический принцип показан в диаграмме 2, которая входа масла нагрузки система скорости приспособительного дросселируя регулируя.
Гидравлическое масло в масляном баке управляет высоконапорным масляным насосом в канал масла через мотор и подачи через односторонний клапан, высоконапорный фильтр для масла, набор клапана перепада давления и клапан сервопривода для того чтобы войти цилиндр масла. Контрольная программа отправляет сигнал управления в клапан сервопривода и управляет раскрывая размер и направление клапана сервопривода, для того чтобы контролировать подачу гидравлического масла в цилиндр и осуществлять регулирование по замкнутому циклу силы и смещения теста.

Гидравлическая схематическая диаграмма
2,4 система управления
2.4.1 основное меню
◇Установите полностью цифровое электрогидравлическое регулирование по замкнутому циклу сервопривода, преобразование данных, анализ данных в одном
◇С функцией деятельности полного файла, как отчет по испытанию, параметры теста, параметры системы можно хранить в пути файлов.
◇Поддержите все виды коммерчески всеобщих принтеров.
◇Система управления поддержана программной системой, которая легка для того чтобы модернизировать.
◇Основной интерфейс программного обеспечения интегрирует все функции ежедневной деятельности материального теста, как вход данным по образца, выбор образца, чертеж кривой, отображение данных, преобразование данных, анализ данных, деятельность теста, etc.

основной интерфейс
2.4.2 входной сигнал и выбор данным по образца
Программное обеспечение конструировано для внезапности и удобства деятельности теста, и особенный метод дизайна принят для того чтобы отвечать потребностямы большого теста обработки партиями.
2.4.3 вычерчивание кривой
Программная система обеспечивает богатый дисплей кривых теста. Как кривая сил-смещения теста, кривая сил-времени теста, кривая сжатие-деформации, сила - кривая деформации, график пути в зависимости от времени, деформация - кривая времени.
2.4.4 интерфейс контроля
2.4.4.1
Программное обеспечение обеспечивает 4 режима контроля: незамкнутая сеть, регулирование по замкнутому циклу скорости, одношаговое регулирование по замкнутому циклу и запрограммированное регулирование по замкнутому циклу.
2.4.4.2
Гибкая функция процесса теста «программируя», согласно потребности завершить любой сложный, произвольный режим контроля редактирования процесса теста. Тестовая программа можно хранить, импортировать и редактировать.
2.4.5 идеальная функция введенной информачии
Автоматическая обработка данных 2.4.5.1, может унести статистический анализ данных по серии
2.4.5.2 разнообразие международные блоки доступно, как международные блоки (SI), метрические блоки, и западные традиционные блоки.
Функция введенной информачии 2.4.5.3 ручная, соответствующая для потребителей для того чтобы унести разнообразие сложный анализ данных.
Проверки данных 2.4.5.4 можно хранить как текст и могут быть обработаны дважды любым программным обеспечением коммерчески введенной информачии.


Интерфейс отчета по испытанию
2,5 прибор предохранения от безопасности
предохранение от a.Overload когда сила теста превысит 2%-5% из максимальной силы теста.
b.When поршень поднимает к положению верхнего предела, предохранению от хода, стопу мотора масляного насоса
2,6 придаток
Стандартное оборудование включает: приложение простирания, приложение обжатия, гнуть приложение.
2,7 еще
Установка и отладочные инструменты, уплотнения, инструкции, сертификаты, список упаковки и другие случайные технические документы.
индикаторы представления 3.Key технические
3,1
| Максимальная сила теста | 2000kN |
| Ряд измерения силы теста | 80-2000kn; (FS 4% до 100%) |
| Относительная ошибка индикации силы теста | ≤±1% |
| Максимальный ход поршеня | 250mm |
| Разрешение измерения смещения (mm) | 0,01 |
| Измерение деформации | 10/50mm |
| Максимальный растяжимый космос теста | 1000mm (включая ход поршеня) |
| Максимальный космос обжатия | 900mm |
| Ясное дистанционирование столбцов | 700mm |
| Зажимать диаметр круглого образца | 30-70mm |
| Зажимать толщину плоского образца | 35-70mm |
| Зажимать ширину плоского образца | 80mm |
| Отжимать размер диска | 220mm |
| Гнуть дистанционирование ролика | 300mm |
| Ширина гнуть ролика | 160mm |
| Позволяемый гнуть | 190mm |
| Скорость максимального поршеня двигая | о 65mm/min |
| Зажимать метод | независимый гидравлический зажимать |
| Главный двигатель массовый (kg) | 90 000 |
| Общий размер главного двигателя | 1300mm×1090mm×3400mm (включая ход поршеня) |
4. Условия установки оборудования
①Конструкция учреждения и космоса согласно требованиям чертежей; (после того как оборудование приедет на фабрику партии a, персонал партии a раскроет главное шасси отдельно, и партия a будет ответственна за устанавливать главный двигатель на месте, лить цемент, и регулировать уровень главного двигателя для того чтобы соотвествовать GB/T 228);
②Комнатная температура выстраивает в ряд от 10℃ к 35℃
③Относительная влажность не должна быть больше чем 80%;
④Избегите слишком много пыли;
⑤Избегите сейсмических источников рядом;
⑥Избегите близости/контакта с коррозионными газами, парами и сразу солнечным светом;
⑦Напряжение тока 380V электропитания, ряд зыбкости чем ±10%.