Основные особенности:
1Постоянная мощность: мощность насоса воды в основном постоянна при изменении напряжения питания dc9v-16v;
2. Защита от перегрева: при температуре окружающей среды выше 100 °C (граничная температура) насос запускает функцию самозащиты, чтобы гарантировать срок службы насоса,Рекомендуется установка в месте с низкой температурой или воздушным потоком).
3. Защита от перенапряжения: насос входит в напряжение DC28V в течение 1 минуты, внутренняя схема насоса не повреждена;
4Защита от вращения: когда в трубопроводе попадает чужеродный материал, что заставляет насос воды замыкаться и вращаться, ток насоса внезапно увеличивается,Водяной насос перестает вращаться (мотор водяного насоса перестает работать после 20 повторных пусков), если насос воды перестает работать, насос воды перестает работать), насос воды перестает работать, а насос воды останавливается, чтобы перезапустить насос воды и перезапустить насос для возобновления нормальной работы;
5. Защита от сухого хода: в случае отсутствия циркулирующей среды, насос воды будет работать в течение 20 секунд или менее после полного запуска.
6Защита от обратного подключения: Водоканал подключен к напряжению DC28V, полярность источника питания переворачивается, сохраняется в течение 1 минуты,и внутренняя схема водяного насоса не повреждена;
7Функция регулирования скорости PWM
8 и высокоуровневая функция выхода от ошибок
9Мягкий старт.
♣Основная информация
| Положение | Стоимость |
| Наименование продукта | Электрический насос для воды |
| Часть No. | JP100-24V |
| Температура окружающей среды | -40~80°C |
| Средняя ((антифризная) температура | ≤ 90°C |
| Номинальное напряжение | 12VDC |
| Диапазон рабочего напряжения | DC18~32В |
| Номинальный текущий | ≤ 9,2A |
| Номинальная скорость потока | 1800 л/ч |
| Номинальная головка | 8м |
| Номинальная мощность | 100 Вт |
| Шум | ≤ 45 дБ |
| Уровень защиты | IP68 |
| Продолжительность службы | более 20000 часов |
| Функция | PWM Управление скоростью / обратная связь с ошибками (на заказ) |
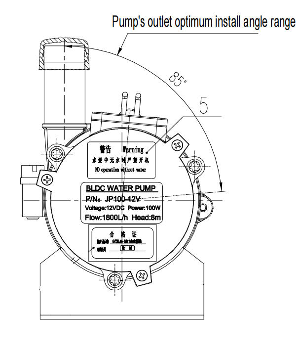
♣ Инструкция по монтажу:

♣ Параметр температуры
Средняя температура жидкости: от -40°C до +120°C (от -40°F до +248°F)
Рабочая температура окружающей среды: от -40°C до +100°C (от -40°F до +212°F)
Температура хранения: от -40°C до +70°C (от -40°F до +158°F)
(до 100 °C, но это сократит срок службы)
♣ Давление системы
-0, 2 - 2,5 бара (100°С).
Продолжительность службы составляет более 20 000 часов на основе номинального напряжения и температуры окружающей среды 36 °C ((86 °F).
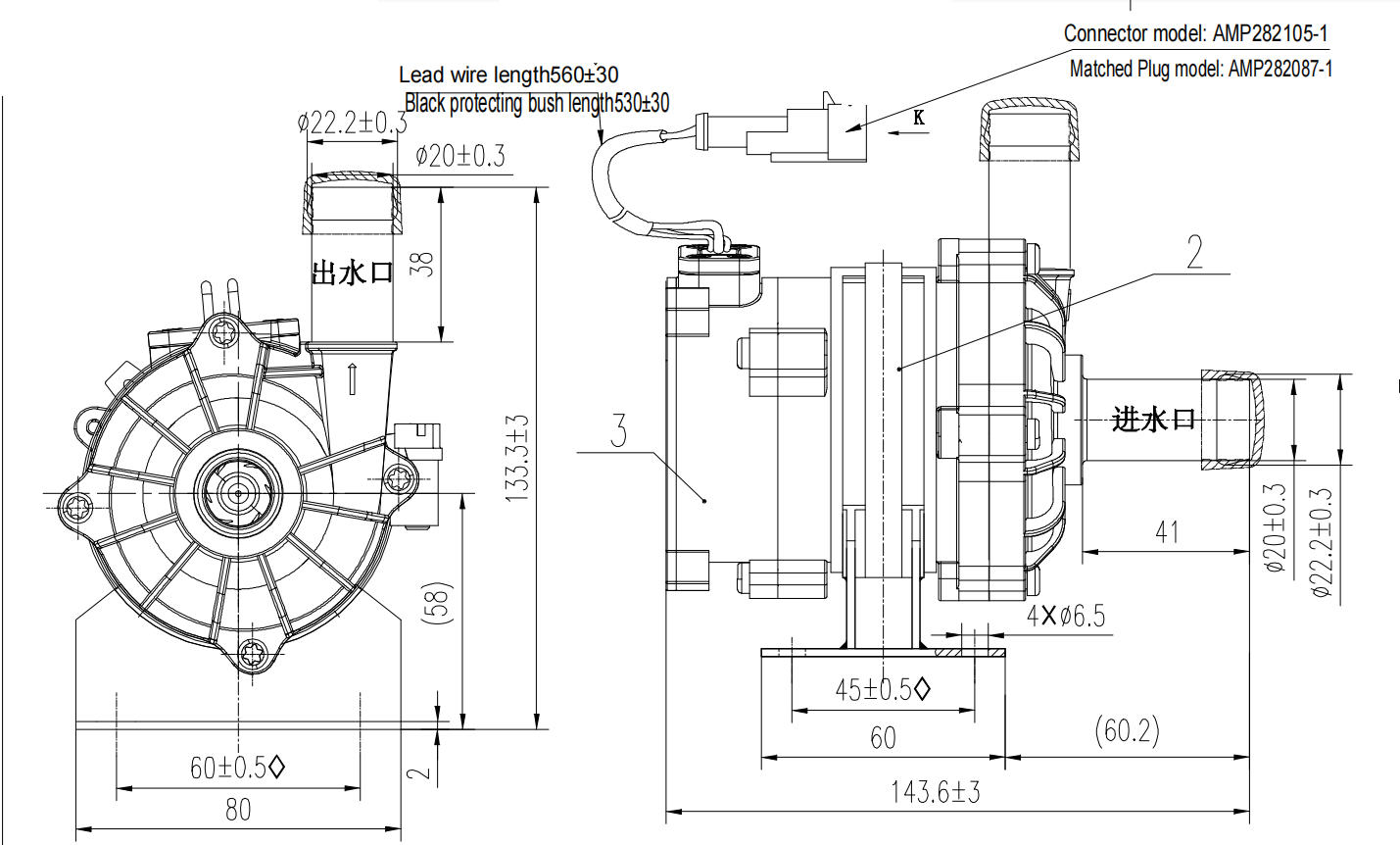
♣ Модель соединителя и штифты

Внимание.
1. рабочая температура окружающей среды: -40°C-120°C, следует стараться избегать близкого трехэлементной каталитической, газоразрядной трубы системы и двигателя во время установки,обеспечить температуру рабочей среды.
2Положение установки водяного насоса должно быть как можно ближе к низкому уровню воды, чтобы продлить срок службы насоса.
3Для уменьшения водостойкости следует максимально уменьшить количество локтей в трубопроводах установки, не допуская локтей в радиусе 20 см от насоса.
4. Пожалуйста, используйте насос далеко от пыльной среды, пыль вредна для уменьшения срока службы
5. Обратите внимание на чистоту воды, избегайте пробок и блокировки винтовки, чтобы сократить срок службы насоса.
♣ Диаграмма кривой

♣Описание управления PWM:

♣Общие размеры


♣Применение:
Применимо к HEV ((гибридный электромобиль),EV ((электрические транспортные средства), поездам, судам и другим системам циркуляции отопления и охлаждения.