| Модель | JYQD_YL01D ((8559) | JYQD_YL01D ((457E) | JYQD_YL01D(99F2) | Ограничения, предусмотренные в пункте 1 настоящей статьи |
| Рабочая температура ((°C) | -20~85°C | -20~85°C | -20~85°C | -20~85°C |
| Рабочее напряжение ((V) | 12 ~ 48VDC | 12 ~ 48VDC | 12 ~ 48VDC | 12 ~ 48VDC |
| Максимальный рабочий ток ((A) | 15А | 15А | 15А | 15А |
|
Управление скоростью PWM Частота PWM ((1-2KHz) |
Рабочий цикл 0~100% | Рабочий цикл 0~100% | Рабочий цикл 0~100% | Рабочий цикл 0~100% |
| Аналоговое регулирование скорости напряжения (V) | 0 ~ 5 В | 0 ~ 2,5 В | 0 ~ 5 В | 0 ~ 2,5 В |
| Переключатель тормоза (V) | 0 ~ 5 В | 0 ~ 2,5 В | 0 ~ 5 В | 0 ~ 2,5 В |
| Выходный сигнал скорости плюс | √ | √ | √ | √ |
| Функция обратного движения | √ | √ | √ | √ |
| Функция безопасного запуска | × | × | √ | √ |

1. Подтвердить, что параметры напряжения и мощности двигателя не превышают диапазона, указанного на панели управления.
2. Этот драйвер используется для 3-фазного бессменного двигателя, но не подходит для всех 3-фазных бессменных двигателей напрямую. Угол коридора должен быть 120 градусов.
3. Функция тормоза JYQD-YL01D - реактивный тормоз.Мотор вращает тормоз, чтобы производить энергию для переработки.Пожалуйста, не используйте функцию тормоза при испытании с регулируемой мощностью, чтобы избежать повреждения водителя.
4.Выходной порт 5В на панели драйвера может контролироваться одночиповым компьютером с током менее 100MA.
5Пожалуйста, обратите внимание на изоляцию и теплоотделение на борту водителя.
6.Функция безопасного запуска: Если регулировщик скорости не на правильном месте или перезагрузка скорости недействительна после включения, пожалуйста, сделайте регулировщик скорости или перезагрузку тормоза может быть в порядке.
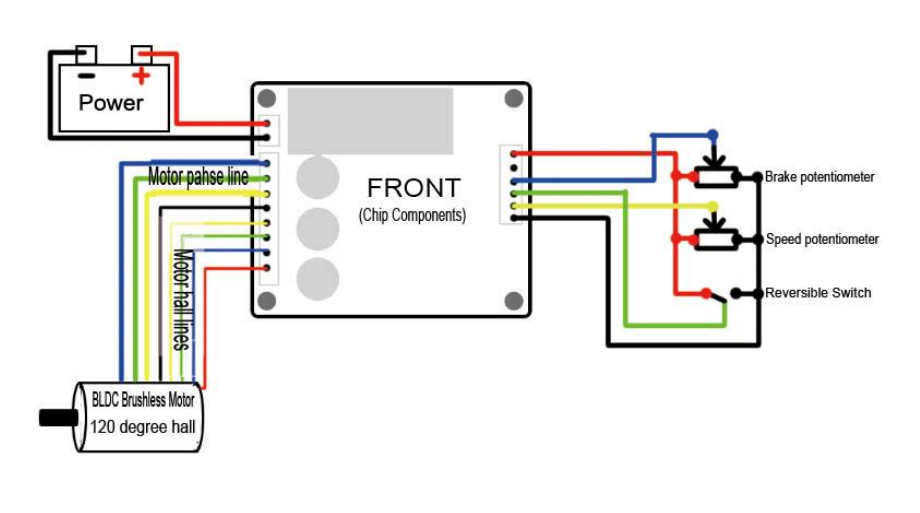
Диаграмма проводки на борту водителя:

1- Порт управления (справа) 2,54 отверстия
Внутренний выход 5В на панели управления.
EL - порта управления тормозом, реактивный линейный тормоз, с функцией восстановления энергии, аналоговый тормоз напряжения 0-5V. В случае постоянной скорости +, чем выше напряжение тормоза,чем выше сила торможения 0-100%.
M-Speed выходный порт сигнала, частота импульса пропорциональна скорости двигателя (соотношение импульса связано с двигателем)
Z / F-положительный и обратный порт управления. жесткая смена, 5V или приостановлен в одном направлении, GND в другом направлении.
VR - порт управления скоростью, аналоговое регулирование скорости напряжения 0V-5V ((0-2,5V) регулирование скорости, линейное регулирование скорости от низкого до высокого.Внешнее регулирование скорости PWM должно быть совместно с панелью привода.
ГНД - панель управления.
2. Порт питания (слева) 3.96 отверстие расстояние
P + -Входной катод питания 12V-48V (подъемный литий)
P- - Входной отрицательный электрод питания
MC / W- - Одна из линий двигательной фазы
MB / V- - Одна из линий двигательной фазы
MA / U - одна из линий двигательной фазы
GND - -Отрицательный электрод Motor Hall
ГА-мотор, сигнал 1
HB-мотор Hall сигнал один
Сигнал HC-Motor Hall один
5В - положительный столб двигателя
3Используйте защищенные провода, если панель водителя находится на расстоянии более 50 см от двигателя, иначе это может привести к ненормальному вождению, влияющему на нормальное использование.
4Обратите внимание на теплораспределение, если продолжать работать с максимальным током.
Размеры панели водителя:
