Бесчесательный воздушный вентилятор постоянного тока:
1: Высокоскоростной, специализированный высокоскоростной шаровой подшипник (NMB), обеспечивающий длительный срок службы и меньший шум
2: Высокое давление и выход воздушного потока по компактному дизайну
3: Высокая эффективность, гораздо эффективнее, чем вентилятор с двигателем щетки
4: высокая надежность, специализированный контроллер повышает надежность работы
5: высокоинтеллектуальная регулировка скорости PWM, положительная инверсия, обратная связь сигналов PG, интеллектуальное управление
Технические параметры вентилятора:
| Модель | OWB9250-24-240 |
| Напряжение | 24 В |
| Открытый выход | |
| Скорость | 24000 оборотов в минуту |
| Текущий | 7.2А |
| Поток воздуха | 573/ч |
| Выпуск запечатан | |
| Скорость | 31000 оборотов в минуту |
| Текущий | 3.5А |
| Давление воздуха | 8.5 кПа |
| Шум | 80 дБА |
| Пары моторных столбов | 2 |
| Сопротивление от фазы к фазе | 0.27 ~ 0.33 Омм |
| Индукция из фазы в фазу | 00,15-0,20 мГц |
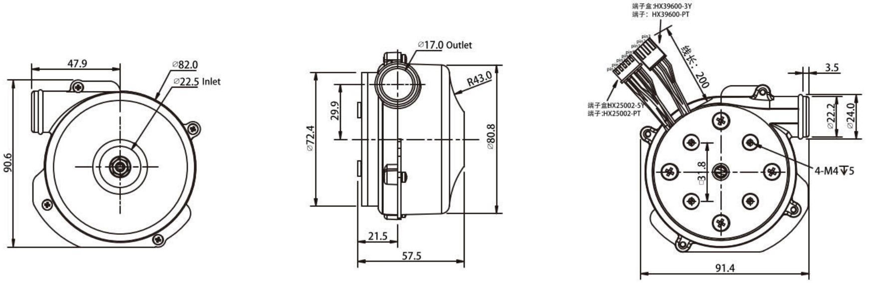
Механические размеры:

Кривая производительности:

Применение:
1: Буферная подушка воздуха
2Интеллектуальный шкафчик
3Электрический двигатель, сосатель мокроты.
4: Центральная система вентиляции
5:Очиститель воздуха
6Сушилка для рук
7Машина для воздушных пузырей
8: Вентиляционное устройство
9: пылесос
10: дыхательный аппарат
11: воздушный насос
12: Охладительное оборудование

