Технические параметры вентилятора:
| Наименование части | Центробежная бескасочная воздушная вентиляция |
| Часть No. | OWB7040-24V |
| Номинальное напряжение | 24VDC |
| Максимальное потребление энергии | 68 Вт |
| Продолжительность жизни (MTTF) | 10000 часов |
| Подшипник | НМБ шарикоподшипник |
| Уровень шума | 68 дБ ((А) |
| Класс изоляции | Класс F |
| Каталог водителя | Внешний |
| Контроль скорости | PWM или 0~5V |
| Вес | 80 г |
| @ Freen Blowing (Воздух фри) | @Working Point (Рабочая точка) | @ Статическое давление | |||||||
| Скорость | Текущий | Поток воздуха | Скорость | Текущий | Поток воздуха | Давление | Скорость | Текущий | Давление |
| (rpm) | (А) | (м3/ч) | (rpm) | (А) | (м3/ч) | (kpa) | (rpm) | (А) | (kpa) |
| 36600 | 2.73 | 22 | 40649 | 1.89 | 8.8 | 5 | 45190 | 0.84 | 6.7 |
Кривая P-Q для центрифугированного бесстылочного воздушного вентилятора OWB7040-24V:

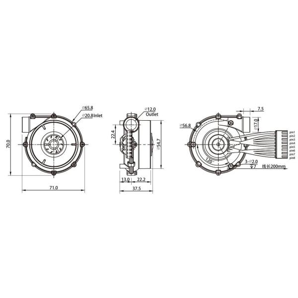
Размер вентилятора:

| Диаграмма проводки | |||
| HX25002-5Y | |||
| Пин 1 | 26AWG | Красный | +5В |
| Пин 2 | 26AWG | Лиловый | Зал А |
| Пин 3 | 26AWG | Зеленый | Зал B |
| Пин 4 | 26AWG | Серое | Зал С |
| Пин 5 | 26AWG | Черный | ГНД |
| HX39600-3Y | |||
| Пин 1 | 20AWG | Желтый | Фаза А |
| Пин 2 | 20AWG | Синий | Фаза В |
| Пин 3 | 20AWG | Белый | Фаза В |
Примечания:
1Не используйте максимальное давление в качестве рабочей точки, эта точка небезопасна, так как воздушный поток слишком мал.
2Добавление фильтра на впуск может заставить вентилятор работать дольше.
3Правое направление движения колеса - CCW.
Характеристики вентилятора:
1. НМБ шарикоподшипник гарантирует долгую жизнь.
2Компактный размер, но высокое давление и воздушный поток.
3Очень подходит для компактных систем или инструментов.
4Вы можете выбрать Junqi внешний драйвер.