DC 24 V 240 W автомобильный Электрический бесбрюшечный мотор Водный насос Для автобусов BEV / PHEV Транспортные средства циркуляция охлаждающей жидкости с PWM
Усиление/циркуляция/переменная частота/низкий уровень шума/центрифугальный насос
Контроль PWM/диагностика неисправности
■ Применение
Широко используется в гибридных автобусах, гибридных легковых автомобилях, электромобилях, поездах, судах и других системах циркуляции отопления и охлаждения.
■ Особенности
◆ Центробежный насос
◆ передача магнитной силы
◆ Высокоэффективный бесшовный двигатель постоянного тока, низкое потребление энергии, высокая эффективность, длительный срок службы.
◆ с широким диапазоном температуры работы
◆ Управление скоростью сигнала PWM
◆ Диагностический сигнал
◆ с постоянным регулированием потока
◆ Защита от обратного поляризма
◆ Защита от сухого движения
◆ Защита от перенапряжения и перенапряжения
◆ Перегрузка, защита от перегрева
■ Техническое описание (связанные части, контактирующие с жидкостью)
корпус насосной головки: литьевые сплавы алюминия
Импеллер: PPS+GF
Перекрытие щита: PPS+GF
Рукав вала: карборундовые композитные материалы
Волокно: нержавеющая сталь ((3CR14) волокно
Магнитное корпус: пластиковая капсула ППС
Печатная кольца: EPDM
ЭМК: класс 3
Шум: ≤ 61 дБ
■ Двигательное устройство (включая двигатель)
Двигательный ротор: ППС пластиковый капсулированный магнит
Винты и орехи: SUS 304 из нержавеющей стали
Двигательный мотор: бесшовный двигатель постоянного тока
Моторная проволока: PPA GF
Оборудование для насоса: алюминиевый корпус для литья с пескоструйным и анодирующим способом + PE-покрытие в виде порошка.
Подвеска: сталь
Кружок для поддержки: нержавеющая сталь US 304
водонепроницаемость на основе рейтинга IP68 (en60529)
Модель соединителя: AMP282106-1 (совместимый разъем AMP282088-1)
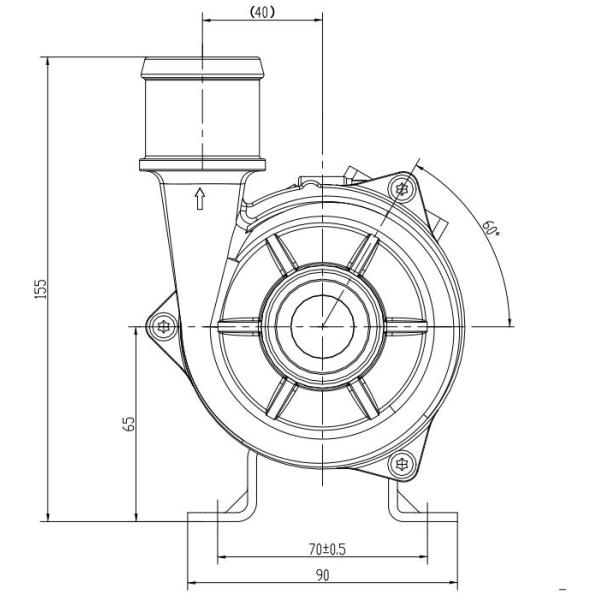
Диаметр сопла:38 мм (1,5 дюйма)
■ Инструкции по монтажу
Насосы серии JP-BL43-408T представляют собой центробежные насосы, которые требуют предварительной заправки,
Насос установлен в самом низком положении системы, чтобы гарантировать, что винт всегда погружен в жидкость, или предварительно заполненный насос перед включением.
1: насос не должен работать на сухом ходу, хотя он может работать на сухом ходу в течение 15 минут (после 15 минут работы на сухом ходу он автоматически остановится), работа на сухом ходе будет производить шум,также увеличивает абразию вала и рукава вала.
2: Используйте трубу рекомендуемого диаметра, соединяющую впуск насоса, если вы используете впуск насоса шланга меньшего диаметра.Внешний воздух легче попасть в насос через трубопровод, это приведет к снижению производительности насоса, а также воздушные пузыри нанести ущерб насосу.
3: С точки зрения направления входа в насос, винт вращается по часовой стрелке (см. стрелку на выходе).
4: Насос может устанавливаться вертикально или горизонтально (см. рисунок 1).
5: Для того чтобы избежать сухого хода (воздух застрял в колесе), выход водонасоса должен быть вертикальным или в верхней части колеса (см. рисунок 1).
6: Присоединенная труба должна быть установлена вертикально (или без локтя в 20 см), чтобы воздух легко выпускался, выпускная труба не должна использоваться менее чем на 90 градусов локтя (см. рисунок 2).
7: Нельзя использовать морскую воду или другое тяжелое загрязнение с крупнозернистыми примесями жидкости в качестве жидкой среды.
■ Параметр температуры
Средняя температура жидкости: от -40°C до +85°C (от -40°F до +185°F)
Рабочая температура окружающей среды: от -40°C до +120°C (от -40°F до +248°F)
Температура хранения: от -40°C до +70°C (от -40°F до +158°F)
(до 100 °C, но это сократит срок службы)
■ Давление системы
-0, 2 - 2,5 бара (100°С).
Продолжительность службы составляет более 20 000 часов на основе номинального напряжения и температуры окружающей среды 36 °C ((86 °F).
■ Диапазон напряжения
Номинальный водонасос 24 В, рабочий диапазон 18 - 32 В
Хотя двигатель может использоваться в широком диапазоне напряжения и температуры, но чрезмерное или слишком низкое напряжение и температура повлияют на срок службы двигателя.Насос не может подвергаться воздействию теплового излучения окружающей среды..
Средняя жидкость: жидкая смесь (Вода с содержанием гликола менее 60%).
■ Электрические параметры
|
Рабочее напряжение (VDC) |
Номинальная мощность (W) |
Номинальный поток (L/H) |
Размеры (мм) |
Вес (g) |
| 18V-32V ((24V) | 240 Вт | Q=2400L/H, H=17m | 185*90*155 | 2200 г |
Модель соединителя и соответствующие электрические свойства (см. рисунок 3):
| AMP282106-1 | 1 ((Черный) | 2 ((Желтый) | 3 ((Синий) | 4 ((Красный) |
| (совпадает с AMP282088-1) | ГНД | Обратная связь по ошибке | PWM | +24В |
■Карактер PWM
| Цикл работы | Описание | Примечание: 1:Метрическая ошибка рабочего цикла PWM ± 2% 2: напряжение PWM:24VDC, частота:1 KHz 3: Рекомендуемая частота PWM:500Hz 4: Рекомендуемая ставка 0% при отключении PWM |
| 0%≤пошлина≤15% | Режим PWM (остановка) | |
| 15%≤пошлина≤20% | Режим PWM (минутная скорость) | |
| 20%≤пошлина≤80% | Режим PWM (линейный диапазон регулирования скорости) | |
| 80%≤пошлина≤100% | Режим PWM (ограничение максимальной скорости) |
| Стержневая диа. | Самый длинный провод * |
| 24 В | |
| 1.5 мм2 | 16 м |
| 2.5 мм2 | 25 м |
| 3 мм2 | 31 м |
| 4 мм2 | 40 метров |
Рекомендуемый размер провода (на основе 3% падения напряжения)
* Длина провода означает расстояние от насоса до батареи
■ Внимание
1. рабочая температура окружающей среды: -40°C-120°C, следует стараться избегать близких трехэлементов каталитической, газоразрядной трубы системы и двигателя во время установки,обеспечить температуру рабочей среды.
2Положение установки водяного насоса должно быть как можно ближе к низкому уровню воды, чтобы продлить срок службы насоса.
4. Пожалуйста, используйте насос далеко от пыльной среды, пыль вредна для сокращения срока службы
5. Обратите внимание на чистоту воды, избегайте пробок и винтовки-блокированы, чтобы сократить срок службы насоса
■ Параметр производительности
■Внешнее измерение

