Примечание:Для правильного функционирования этого вентилятора требуется драйвер.
Этот вентилятор OWB8040 основан на модификации воздуховода и впускной и выпускной зоны воздуха, сделанной на OWB7040.низкое потребление энергии, большой объем воздуха и небольшое давление ветра. используется в портативном оборудовании для подачи воздуха, работающем на батареях, защитной одежде, надувных игрушках,Вентиляторы CPAP для сна и другое медицинское вспомогательное оборудование.
Использование препарата:
Синусовое волновое приводное трехфазное бесбрюшевое двигатель, подходящее для --- машины воздушной подушки, топливных элементов, вентиляторного воздухоснабжения, модифицированного автомобильного сиденья подушки воздухоснабжения, электрическое тепло направляется воздух,высококачественный дым станции сварки, шлифование.
Преимущества продукта:
1Высокое давление (полное давление 6,5 КПа)
2. Большой объем воздуха (380 литров / мин)
3. Низкий уровень шума (42Db (A) 1KPa расстояние 1M)
4. Долгая жизнь ((работа 4 часа, остановка 30 минут жизнь до 25000 часов)
5Двигательный механизм сконструирован с полой структурой чашки.
6Высокая эффективность, высокая скорость, высокая стабильность
7Этот бесстыковой вентилятор имеет стабильное начало, небольшой размер, низкий шум, низкий рост температуры, долгий срок службы, высокую эффективность, точную точность, энергосбережение и экологически чистые материалы.
Основные технические параметры OWB8040-12V:
| Проект | Единица | OWB8040-12V |
| Входное напряжение | V | 12 В |
| Скорость без нагрузки | обороты в минуту | 33000±5% |
| Ток без нагрузки | А. | 60,3±0.2 |
| Максимальный объем воздуха | Л/мин | 380 |
| Максимальное давление ветра | Kpa | 6.5 |
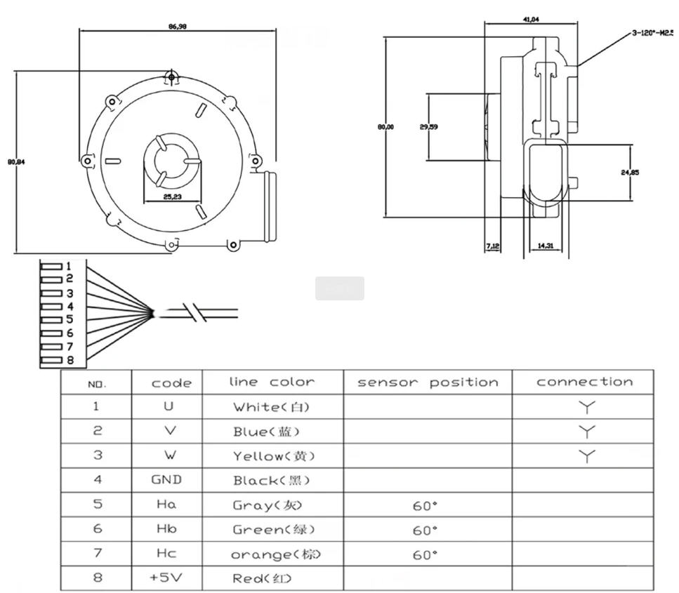
| Соединение катушки | "Y" | |
| Размеры | мм | Внешний диаметр: 80 мм, высота:36.5 мм |
| Драйвер адаптера | Внешний | |
| Угол залы | 60° | |
| Пары полюсов магнитов ротора | 1 | |
| Шум | dB ((A) | 42 ((1 м-1 кПА) |
| Тип подшипника |
NSK шаровые подшипники/подшипники рукава Температурный диапазон: -15 ~ 95 °C |
Размеры:

Применение:

Внимание:
1: Не работайте под максимальным давлением воздуха, при максимальном давлении воздушный поток слишком мал, и его не безопасно использовать.
2: Добавление фильтра, прикрепленного к вентилятору, увеличивает срок службы подшипника.
3Правильное направление вращения - CCW
4: Не используйте вентилятор при высокой температуре, высокой влажности, высоких магнитных полях
5: Пожалуйста, используйте подходящее питание для вентилятора.