1: Параметры воздуходувки технические
2: Микро- представление воздуходувки воздуха DC
 

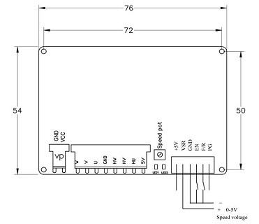
3: Общие размеры и соединения проводов описание

4. Водитель воздуходувки воздуха, который соответствуют


5: Параметры Techincal водителя воздуходувки воздуха BLDC

6: Внимания
1: Сделайте работу под максимальным воздушным давлением, воздушные потоки слишком небольшие на максимальном воздушном давлении, и не безопасно для использования.
2: Добавьте присоединение фильтра к входу делает воздуходувку нося более длинный срок службы.
3: Правильное направление вращения CCW
4: Не используйте воздуходувку в высокотемпературной, высокой влажности, высоких магнитных полях
5: Пожалуйста используйте соответствующее электропитание для воздуходувки.
 
 
7: Наше обслуживание:
1. Гостеприимсво производства OEM: Продукт, пакет…
2. заказ образца
3. Мы ответим вы для вашего дознания в 24 часах.
4. после отправки, мы будем отслеживать продукты для вас раз каждые 2 дня, до тех пор пока вы не получите продукты. Когда вы получили
товары, испытывают их, и дают мне обратную связь. Если вы имеете любые вопросы о проблеме, контакт с нами, то мы предложим
разрешите путь для вас.
вопросы и ответы:
Q1. Что ваши термины воздуходувки 24VDC с упаковкой давления 9.5kpa и воздушных потоков 580/min?
: Вообще, мы пакуем нашу воздуходувку dc высокого давления 24V безщеточную в нейтральных белых коробках и коричневых коробках. Если вы законно регистрировали патент, то
мы можем упаковать товары в ваших заклеймленных коробках после получать ваши письма утверждения.
Q2. Что ваши условия платежа?
: T/T заранее. Мы покажем вам фото продуктов и пакетов
перед пересылкой.
Q3. Что ваши сроки поставок?
: EXW, ОБМАНЫВАЮТ, CFR, CIF, DDU.
Q4. Как о вашем сроке поставки?
: Вообще, он примет через 30 до 60 дней после получать вашу оплату. Специфический срок поставки зависит
на деталях и количестве вашего заказа.
Q5. Можете вы произвести согласно образцам?
: Да, мы можем произвести вашими образцами или техническими чертежами. Мы можем построить прессформы и приспособления.
Q6. Что ваша воздуходувка 24VDC с давлением 9.5kpa и политикой образца воздушных потоков 580/min?
: Мы можем поставить образец если мы имеем готовые части в запасе, то но клиенты должны оплатить цену образца и
курьер стоил.
Q7. Вы испытываете все ваши товары перед доставкой?
: Да, мы имеем тест 100% перед доставкой
Q8: Как вы делаете наше дело долгосрочное и хорошее отношение?
: 1. Мы держим хорошее качество и конкурентоспособная цена для обеспечения наших клиентов помогает;
2. Мы уважаем каждого клиента по мере того как наши друг и мы задушевно для того чтобы сделать дело и сделать друзей с ними,
независимо от того, где они приходят от.