JUNQI 24VDC Новая энергетическая электронная машина водонасос сверхнизкий шум турбокомпрессор охлаждение JP-BL43-426T
Особенности
◆Центрифугальный насос
◆Передача магнитной силы
◆Высокоэффективный бесшовный постоянный двигатель, низкое потребление энергии, высокая эффективность, длительный срок службы.
◆С широким диапазоном температуры работы
◆С постоянным регулированием потока
◆Защита от обратной полярности
◆Защита от сухого движения
◆Защита от перенапряжения и перенапряжения
◆Перегрузка, защита от перегрева
■ Электрические параметры
|
Рабочее напряжение |
Номинальная мощность |
Номинальный поток |
Размеры |
Вес |
| 18V-32V ((24V) | 240 Вт | Q=2400L/H, H=17m | 185*134*158 | 2200 г |
Инструкция по монтажу
Насосы серии JP-BL43-426T представляют собой центробежные насосы, которые требуют предварительной заправки,
Насос установлен в самом низком положении системы, чтобы гарантировать, что винт всегда
Погрузиться в жидкость или заполнить насос до включения.
1: Насос не должен работать в сухом режиме, даже если он может работать в сухом режиме в течение 15 минут (после 15 минут)
минуты сухого хода, он будет автоматически остановиться), сухого хода будет производить шум, также увеличивая
абразия вала и рукава вала.
2Если вы используете трубу меньшего диаметра, используйте трубу рекомендуемого диаметра, соединяющую впуск насоса.
Ввод насоса шланга. Из-за отрицательного давления в насосе, внешний воздух легче проникает в трубу.
насос через трубопровод, это сделает производительность насоса деградации, а также воздух
Пузыри повреждают насос.
3: С точки зрения направления входа в насос, винт вращается по часовому стрелку (см. стрелку на
выходной порт).
4: Насос может быть установлен вертикально или горизонтально (см. рисунок 1).
Вертикально, выход должен быть вверх.
5Для того, чтобы избежать сухого хода (воздух застрял в винтере), выходный порт насоса для воды должен быть
быть вертикальным или в верхней части колеса (см. рисунок 1).
6: Соединенная труба должна быть установлена вертикально (или без локтя в 20 см) чтобы воздух
Если выпуск трубы легко разряжается, то выпускную трубу следует использовать не ближе 90 градусов (см. рисунок 2).
7: Не может использовать морскую воду или другое тяжелое загрязнение с крупнозернистой примеси жидкости в качестве жидкости
средний
■Параметр температуры
1Средняя температура жидкости: от -40°C до +85°C (от -40°F до +185°F)
2Рабочая температура окружающей среды: от -40°C до +85°C (от -40°F до +185°F)
3. Температура хранения: -40°C до +70°C (-40°F до +158°F)
(до 100 °C, но это сократит срок службы)
■Давление системы
-0, 2 - 2,5 бара (100°С).
Продолжительность службы более 20 000 часов на основе номинального напряжения и 36°C (~86°F) окружающей среды
Температура.
■Диапазон напряжения
Номинальный водонасос 24 В, рабочий диапазон 18 - 32 В
Хотя двигатель может использоваться в широком диапазоне напряжения и температуры, но чрезмерный или слишком
низкое напряжение и температура повлияют на срок службы двигателя, насос не может быть
подвержены воздействию теплового излучения окружающей среды.
Средняя жидкость: жидкая смесь (Вода с содержанием гликола менее 60%).
Модель соединителя и соответствующие электрические свойства (см. рисунок 3):

Диаграмма управления PWM:

Внимание!
1. рабочая температура окружающей среды: -40°C-120°C, следует стараться избегать близких трехэлементов каталитической, газоразрядной трубы системы и двигателя во время установки,обеспечить температуру рабочей среды.
2.Место установки водяного насоса должно быть как можно ближе к низкому уровню воды, чтобы продлить срок службы насоса.
3. Пожалуйста, используйте насос далеко от пыльной среды, пыль вредна для сокращения срока службы
4. Обратите внимание на чистоту воды, избегайте пробок и винтовки-блокированы, чтобы сократить срок службы насоса
■ Параметр производительности
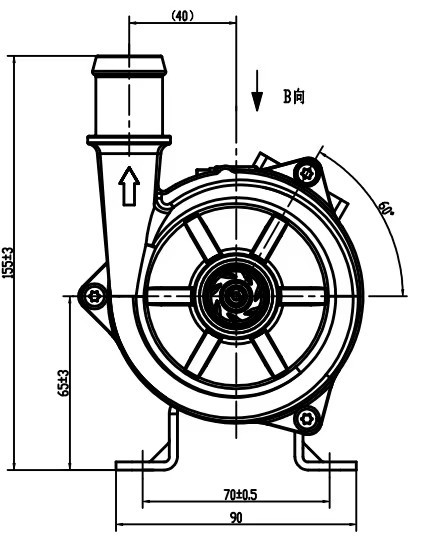
Внешнее измерение

Применение: