Поддерживать/циркуляция/Переменная-частота/обратная связь малошумных/экрана pump/PWM управлением недостатка


Средняя жидкостная температура: -40℃ к +85℃ (- 40°F к + 185°F)
Работая температура окружающей среды: -40℃ к влажности ≤90% +85℃ (- 40°F к +185°F)
Температура хранения: -40℃ к +70℃ (- 40°F к +158°F) (℃ до 100, только оно сократят срок службы)
-0,2 до бару 2,5 (100℃ (212°F).
Срок службы больше чем 20 000 часов основанных на расклассифицированных напряжении тока и (86°F) температуре окружающей среды 36℃.
выполнимый ряд 18V - 30V
Хотя мотор можно использовать в широком диапазоне напряжения тока и температуры, но чрезмерный или тоже низшее напряжение и температура повлияет на срок службы мотора, насос нельзя подвергнуть действию радиации тепла окружающей.
Средняя жидкость: чистая вода, жидкостная смесь (вода с под гликолем 60%)
Снабжение жилищем насоса главное: PPS+GF
Турбинка: PPS+GF
Полость экрана: PPS+GF
Рукав вала: Композиционные материалы смолы углерода
Вал: вал нержавеющей стали
Снабжение жилищем магнита: capsulation нейлона пластиковое
Кольцо уплотнения: EPDM
Управлять электромагнитом: магнит нейлона пластиковый capsulated
Винты и гайки: Нержавеющая сталь SUS 304
Управляя мотор: безщеточный мотор
Рамка провода мотора: PPA GF
Снабжение жилищем насоса: Случай заливки формы алюминиевый с обработкой sandblasting и вкрапленности
Кронштейн: Сталь с покрытием порошка
Обруч кронштейна: США 304 нержавеющее steel+ амортизируя резиновое кольцо
Водоустойчивое основанное на оценке IP68 (en60529)
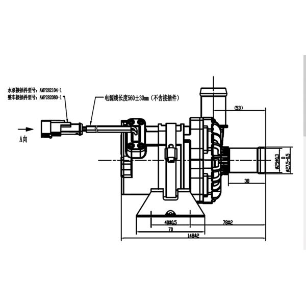
Модель соединителя: AMP282106-1 (, который соответствуют штепсельная вилка AMP282088-1)
Диаметр сопла: 22.4mm (внутренний диаметр: 16mm)
OWP-BL93-200- (20mm)
OWP-BL93-250- (25mm)
Модель соединителя и соответствуя электрические свойства (как показано внизу)
Напряжение тока деятельности (VDC) | Расклассифицированная сила (W) | Расклассифицированная подача (L/H) | Размеры (mm) | Вес (g) |
| 18-30V (24V) |
100W | Q=1800L/H H=9M |
148*90*132 |
1.12KG |
Вниманиятемпература окружающей среды 1.Working: - 40℃--85℃, должно попробовать избежать близко к 3-элементу
система каталитических, газа отводного штуцера и двигатель во время установки, обеспечивают температуру рабочей Среды.
положение установки 2.The водяной помпы должно как можно больше близко к уровню отлива, расширить срок службы насоса.
3.Please используют насос далеко от пылевоздушной окружающей среды, пыль вредны для уменьшения срока службы
внимание 4.Pay к очищенности воды, избегает для того чтобы сжать и турбинк-преградило для уменьшения срока службы насоса
■Устанавливать инструкциюНасосы серии OWP-BL93-200 центробежные насосы которые требуют наполненного пре,
Насос установленный в самое низкое положение системы для обеспечения что турбинка всегда погружена в жидкости, или наполненный пре насос перед силой дальше.
1: Насос не должен сух-бежать, даже если он может сух-бегущ на 30 секунд (после 30 секунд сух-бежать, он автоматически остановит), сухая идущая воля делает шум, также увеличивающ ссадину к валу и рукаву вала.
2: Используйте порекомендованную трубу диаметра соединяя вход насоса, если вы используете вход насоса шланга более небольшого диаметра, то должный к отрицательному давлению в насосе, внешний воздух более легкий входит в к насосу через трубопровод, он сделает деградацию производительности насоса, и также воздушные пузыри делают повреждение к насосу.
3: Как осмотрено от направления входа насоса, турбинка вращает по часовой стрелке (см. стрелку на порте выхода).
4: Насос можно установить вертикально или горизонтально установить (см. диаграмму 1) при установке вертикально, порт выхода быть верхним.
5: Во избежание сухой ход (воздух получает вставленным в турбинке), порт выхода водяной помпы должен быть вертикальным или в верхушке турбинки.
6: Соединенная труба должна вертикально быть установлена (или отсутствие локтя в 20cm) для того чтобы сделать воздух discharged легко, труба выхода не должна быть использована меньше чем 90 градусов
Локоть.
7: Не смогите использовать морскую воду или другое тяжелое загрязнение с большой жидкостью примеси зерна как жидкостное средство.




