Bextreme Shell OWP-BL43-200 серии Бесчещевой насос для воды
Усиление/циркуляция/переменная частота/низкий уровень шума/покрытый насос/управление PWM/обратная связь по ошибке
ОWP-BL43-200Автомобильный водонасос 24 В, надежное и эффективное решение, разработанное специально для автомобильных систем охлаждения.Этот насос предназначен для обеспечения оптимальной эффективности охлаждения двигателя вашего автомобиля, обеспечивая надежную работу в различных условиях вождения.





Средняя температура жидкости: от -40°C до +85°C (от -40°F до +185°F)
Рабочая температура окружающей среды: от -40°C до +85°C (от -40°F до +185°F) Влажность ≤90%
Температура хранения: от -40°C до +70°C (от -40°F до +158°F)
(до 100 °C, но это сократит срок службы)
-0, 2 - 2,5 бара (100°С).
Продолжительность службы составляет более 20 000 часов на основе номинального напряжения и температуры окружающей среды 36 °C ((86 °F).
Двигательный ротор: ППС пластиковый капсулированный магнит
Винты и орехи: SUS 304 из нержавеющей стали
Двигатель движения: безчешный мотор
Моторная проволока: PPA GF
Оборудование для насоса: алюминиевый корпус для литья с пескоструйным и анодирующим способом + PE-покрытие в виде порошка.
Подвеска: Стальная основа
Кружок для поддержки: нержавеющая сталь US 304
водонепроницаемость на основе рейтинга IP68 (en60529)
Модель соединителя: AMP282104-1 (совмещенный разъем AMP282080-1)
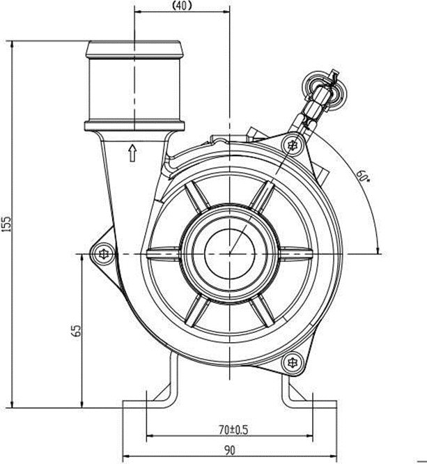
Диаметр сопла: 40 мм (1,5 дюйма)
Номинальный водонасос 24 В, рабочий диапазон 18 - 32 В
Хотя двигатель может использоваться в широком диапазоне напряжения и температуры, но чрезмерное или слишком низкое напряжение и температура повлияют на срок службы двигателя.Насос не может подвергаться воздействию теплового излучения окружающей среды..
Средняя жидкость: чистая вода, жидкая смесь (Вода с содержанием гликола менее 60%).
корпус насосной головки: алюминиевая сплав
Импеллер: PPS+GF
Перекрытие щита: PPS+GF
Рукав вала: карборундовые композитные материалы
Волокно: нержавеющая сталь ((3CR14) волокно
Магнитное корпус: пластиковая капсула ППС
Печатная кольца: EPDM
■ Внимание1. Рабочая температура окружающей среды: -40°C-120°C, следует стараться избегать вблизи трех элементов каталитической, газоразрядной трубы системы и двигателя во время установки, обеспечить температуру рабочей среды.
2Установка насоса должна быть максимально близка к низкому уровню воды, чтобы продлить срок службы насоса.
3.Пожалуйста, используйте насос далеко от пыльной среды, пыль вредна для сокращения срока службы
4. Обратите внимание на чистоту воды, избегайте пробок и винтовки-блокированы, чтобы сократить срок службы насоса
|
Рабочее напряжение (VDC) |
Номинальная мощность |
Номинальный поток (L/H) |
Размеры (мм) |
Вес (g) |
|
18V-32V ((24V) |
250 Вт |
2800L/H, H=16M |
185*90*155 |
1950 г |
Модель соединителя и соответствующие электрические свойства (как показано ниже)

|
AMP282104-1 (совпадает с AMP282080-1) |
1 | 2 |
| +24В постоянного тока | ГНД |
| Толщина провода | Самый длинный провод* |
| 24 В | |
| 1.5 мм2 | 16 м |
| 2.5 мм2 | 25 м |
| 3 мм2 | 31 м |
| 4 мм2 | 40 метров |
Рекомендуемый размер провода (на основе 3% падения напряжения)
* Длина провода означает расстояние от насоса до батареи
■Инструкция по монтажуНасосы серии OWP-BL43-200 - это центробежные насосы, для которых требуется предварительное заполнение,
Насос установлен в самом низком положении системы, чтобы гарантировать, что винт всегда погружен в жидкость, или предварительно заполненный насос перед включением
1: насос не должен работать в сухом режиме, хотя он может работать в сухом режиме в течение 30 секунд (после 30 секунд работы в сухом режиме он автоматически остановится), работа в сухом режиме будет производить шум,также увеличивает абразию вала и рукава вала.
2: Используйте рекомендуемую трубу диаметром, соединяющую впуск насоса, если вы используете впуск насоса шланга меньшего диаметра.Внешний воздух легче попасть в насос через трубопровод, это приведет к снижению производительности насоса, а также воздушные пузыри нанести ущерб насосу.
3: С точки зрения направления входа в насос, винт вращается по часовой стрелке (см. стрелку на выходе).
4: Насос может быть установлен вертикально или горизонтально При установке вертикально выход должен быть вверх.
5:Для того чтобы избежать сухого хода (воздух застрял в винтере), выход водонасоса должен быть вертикальным или в верхней части винтера.
6: Подключенная труба должна быть установлена вертикально (или без локтя в 20 см) чтобы воздух легко выпускался, выпускная труба не должна использоваться ниже 90 градусов
Локоть.
7: Нельзя использовать морскую воду или другое тяжелое загрязнение с крупнозернистыми примесями жидкости в качестве жидкой среды.

