Сверхмощная электронная водяная помпа 24VDC для мобильной системы охлаждения станции базы данных с управлением PWM
Водяная помпа DC СЕРИИ OWP-BL43-450T безщеточная электрическая
6000L/H, водяная помпа с управлением PWM, безщеточный насос DC H=8M 24V электрическая мотора, насос отсека топливного бака, насос хладоагента, центробежный насос
Поддерживать/циркуляция/Переменная-частота/малошумный/центробежный насос
Управление PWM/диагноз недостатка

■Применения
Широко использованный в гибридном автобусе, гибридном пассажирском автомобиле, корабле отсека топливного бака, электротранспортах, поездах, кораблях и системе другой циркуляции топления и охлаждать.
■Особенности
◆Центробежный насос
◆Передача магнитной силы
◆Мотор DC высокой эффективности безщеточный, потребление низкой мощности, высокая эффективность, длинный срок службы.
◆С рабочей температурой широкого диапазона
◆Управление скорости сигнала PWM
◆Диагностический выход сигнала
◆С управлением подачи постоянного
◆Обратное предохранение от полярности
◆Сухая идущая защита
◆Над напряжением тока, над настоящей защитой
◆Перегрузите, над предохранением от температуры
■Техническое описание (родственные части в контакте с жидкостью)
Снабжение жилищем насоса главное: Сплавы алюминия заливки формы
Турбинка: PPS+GF
Полость экрана: PPS+GF
Рукав вала: композиционные материалы карборунда
Вал: вал нержавеющей стали (3CR14)
Снабжение жилищем магнита: Capsulation PPS пластиковое
Кольцо уплотнения: EPDM
EMC: Ранг 3
Шум: ≤61dB
■Задающий усилитель (включая мотор)
Управлять ротором: Магнит PPS пластиковый capsulated
Винты и гайки: Нержавеющая сталь SUS 304
Управляя мотор: безщеточный мотор DC
Рамка провода мотора: PPA GF
Снабжение жилищем насоса: Случай заливки формы алюминиевый с sandblasting и анодировать покрытие порошка +PE.
Кронштейн: сталь
Обруч кронштейна: Нержавеющая сталь США 304
Водоустойчивое основанное на оценке IP68 (en60529)
Модель соединителя: AMP282106-1 (, который соответствуют штепсельная вилка AMP282088-1)
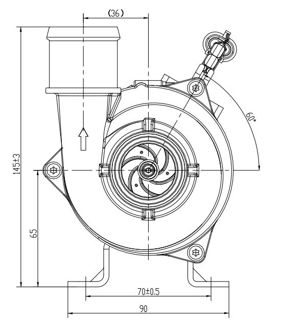
Диаметр сопла: 38mm (1,5 дюйма)
■Устанавливать инструкцию
Насосы серии OWP-BL43-450T центробежные насосы которые требуют наполненного пре,
Насос установленный в самое низкое положение системы для обеспечения что турбинка всегда погружена в жидкости, или наполненный пре насос перед силой дальше.
1: Насос не должен сух-бежать, даже если он может сух-бегущ на 15 минут (после 15 минут сух-бежать, он автоматически остановит), сухая идущая воля делает шум, также увеличивающ ссадину к валу и рукаву вала.
2: Используйте порекомендованную трубу диаметра соединяя вход насоса, если вы используете вход насоса шланга более небольшого диаметра, то должный к отрицательному давлению в насосе, внешний воздух более легкий входит в к насосу через трубопровод, он сделает деградацию производительности насоса, и также воздушные пузыри делают повреждение к насосу.
3: Как осмотрено от направления входа насоса, турбинка вращает по часовой стрелке (см. стрелку на порте выхода).
4: Насос можно установить вертикально или горизонтально установить (см. диаграмму 1) при установке вертикально, порт выхода быть верхним.
5: Во избежание сухой ход (воздух получает вставленным в турбинке), порт выхода водяной помпы должен быть вертикальным или в верхушке турбинки. (см. диаграмму 1)
6: Соединенная труба должна вертикально быть установлена (или отсутствие локтя в 20cm) для того чтобы сделать воздух discharged легко, труба выхода не должна быть использована меньше чем 90 градусов проталкивают (см. диаграмму 2).
7: Не смогите использовать морскую воду или другое тяжелое загрязнение с большой жидкостью примеси зерна как жидкостное средство.
■Параметр температуры
Средняя жидкостная температура: -40℃ к +85℃ (- 40°F к + 185°F)
Работая температура окружающей среды: -40℃ к +120℃ (- 40°F к +248°F)
Температура хранения: -40℃ к +70℃ (- 40°F к +158°F)
(℃ до 100, но оно сократят срок службы)
■Давление системы
-0,2 до бару 2,5 (100℃ (212°F).
Срок службы больше чем 20 000 часов основанных на расклассифицированных напряжении тока и (86°F) температуре окружающей среды 36℃.
■Ряд напряжения тока
Расклассифицированная водяная помпа 24V, выполнимый ряд 18V - 32V
Хотя мотор можно использовать в широком диапазоне напряжения тока и температуры, но чрезмерный или тоже низшее напряжение и температура повлияет на срок службы мотора, насос нельзя подвергнуть действию радиации тепла окружающей.
Средняя жидкость: жидкостная смесь (вода с под гликолем 60%)
Напряжение тока деятельности | Расклассифицированная сила | Расклассифицированная подача | Размеры | Вес |
| 18V-32V (24V) | 250W | Q=6000L/H, H=8m | 195*90*145 | 2200g |
■Электрический параметр
Модель соединителя и соответствуя электрические свойства (см. диаграмму 3):
| AMP282106-1 | 1 (чернота) | 2 (желтый) | 3 (синь) | 4 (красный) |
| (соответствовал штепсельной вилке AMP282088-1) | GND | Обратная связь недостатка | PWM | +24V |
■Характер PWM

| Круг обязаностей | Описание | Примечание: |
| 0%≤duty≤10% | Режим PWM (стоп) | |
| 11%≤duty≤55% | Режим PWM (минимальная скорость) | |
| 51%≤duty≤90% | Режим PWM (линейный ряд управления скоростью) | |
| 91%≤duty≤100% | Режим PWM (максимальная скорость) |
| Dia провода. | Самый длинный используемый провод * |
| 24V | |
| 1,5 mm ² | 16m |
| 2,5 mm ² | 25m |
| 3 mm ² | 31m |
| 4 mm ² | 40m |
Порекомендованный размер провода (основанный на падении напряжения тока 3%)
* длина провода значит расстояние от насоса к батарее
■Внимания
1. Работая температура окружающей среды: - 40℃--120℃, должно попробовать избежать близко к 3-элементу каталитическому, системе отводного штуцера газа и двигатель во время установки, обеспечивает температуру рабочей Среды.
2. Положение установки водяной помпы должно как можно больше близко к уровню отлива, расширить срок службы насоса.
4. Пожалуйста используйте насос далеко от пылевоздушной окружающей среды, пыль вредный для уменьшения срока службы
5. Внимание оплаты к очищенности воды, избегает к варенью и турбинк-преградило для уменьшения срока службы насоса
■Рабочий параметр
■Внешний размер

