
Применения:
1: система охлаждения электротранспортов
2: двигатель, батарея, регулятор, циркуляция хладоагента AC
3: промышленная система охлаждения
4: Автобус BEV, корабли PHEV
| Нет. | Детали | Параметр |
| 1 |
Средство диапазон температур |
Гликоль Макс 40% -40℃~85℃ |
| 2 | Подача & голова | Пропускают Q=3000L/H, голова H≥10M |
| 3 | Шум | ≤65dB |
| 4 | Расклассифицированное напряжение тока | DC24V |
| 5 | Рабочий потенциал | DC18~32V |
| 6 | Максимальное течение | ≤13A |
| 7 | Сила | 240W±10W |
| 8 | Ранг IP | IP67 |
| 9 | Срок службы | ≥20000h |
| 10 | Чистый вес | 2.2kg |

Преимущества нашей электрической водяной помпы
Достигаемость *Brushless эффективности собрания мотора максимальная до 85% (нормальный уровень 70%), регулятор управляя достигаемостью эффективности максимальной до 97%
*Shielded безщеточный мотор, длинный срок службы, потребление низкой мощности, компактный размер, высокая надежность
*Strong нагнетает возможность развития, развитие профессионального вычисления симуляции Ansys беглого предлагая подгонянное высокой эффективностью.
цепь *Sinusoidal волны контролируя, EMC доказала, автомобильные электронные блоки ранга.
*Automatically обнаружьте государство нулевой нагрузки/полу-нагрузки и защитный стоп собственной личности, автоматически обнаруживает затыкая государство и защитный стоп собственной личности, перегрузку обнаружения и защитную функцию предохранения от деятельности торможения, положительных и отрицательных поляка обратную.
*Shielded - тип внутренний - структура ротора, ранг IP67 IP, F. ранга изоляции.
Структура электрической водяной помпы

Вычисление симуляции гидравлического дизайна электрического насоса

Электрический принцип проектирования водяной помпы

Электрическая проверка дизайна водяной помпы - электромагнитная проверка дизайна теории

Проверка электрического оформления изделия насоса - проверка дизайна теста




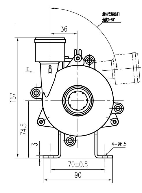
■Применения
Широко использованный в гибридном автобусе, гибридном пассажирском автомобиле, электротранспортах, поездах, кораблях и системе другой циркуляции топления и охлаждать.
■Особенности
◆Центробежный насос
◆Передача магнитной силы
◆Мотор DC высокой эффективности безщеточный, потребление низкой мощности, высокая эффективность, длинный срок службы.
◆С рабочей температурой широкого диапазона
◆Управление скорости сигнала PWM
◆Диагностический выход сигнала
◆С управлением подачи постоянного
◆Обратное предохранение от полярности
◆Сухая идущая защита
◆Над напряжением тока, над настоящей защитой
◆Перегрузите, над предохранением от температуры
■Техническое описание (родственные части в контакте с жидкостью)
Снабжение жилищем насоса главное: Сплавы алюминия заливки формы
Турбинка: PPS+GF
Полость экрана: PPS+GF
Рукав вала: композиционные материалы карборунда
Вал: вал нержавеющей стали (3CR14)
Снабжение жилищем магнита: Capsulation PPS пластиковое
Кольцо уплотнения: EPDM
■Задающий усилитель (включая мотор)
Управлять ротором: Магнит PPS пластиковый capsulated
Винты и гайки: Нержавеющая сталь SUS 304
Управляя мотор: безщеточный мотор
Рамка провода мотора: PPA GF
Снабжение жилищем насоса: Случай заливки формы алюминиевый с sandblasting и анодировать покрытие порошка +PE.
Кронштейн: сталь
Обруч кронштейна: Нержавеющая сталь США 304
Водоустойчивое основанное на оценке IP67 (en60529)
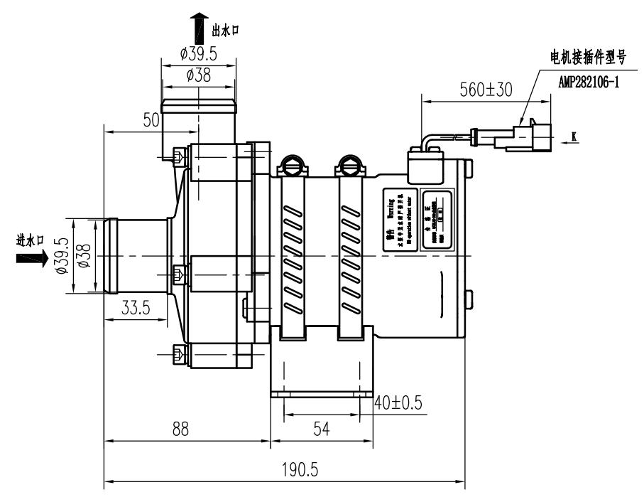
Модель соединителя: AMP282106-1 (, который соответствуют штепсельная вилка AMP282088-1)
Диаметр сопла: 39.5mm (1,5 дюйма)

