
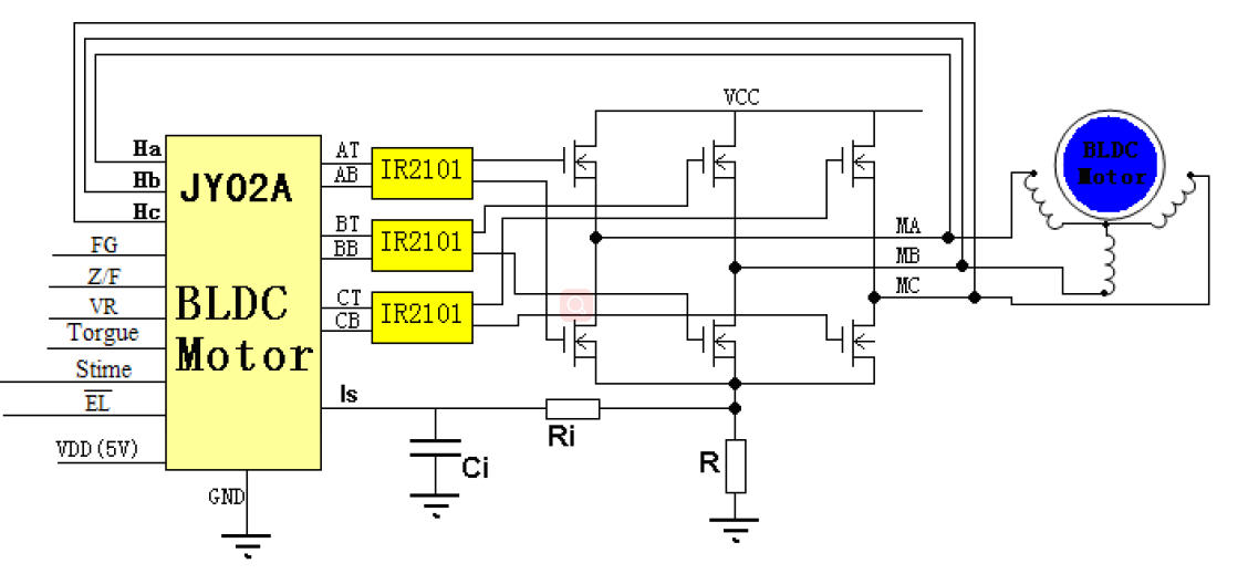
| JY02A ASIC для sensorless безщеточного мотора DC, с простой периферийной цепью, идеальной функцией, компактным размером, простой отладкой (почти не не отлаживать), высокой эффективностью привода, гибким применением, широко применением, etc. |
| JY02A чистое применение IC оборудования, которое разрешает тревогу записи программ. JY02A внутренне твердеет различные sensorless безщеточные управляемые схемы привода мотора DC, как приспособительная цепь начала, цепь компенсации силы, цепь коррекции значения q, коррекция фактора силы, цепь обнаружения участка, цепь двухнаправленной деятельности расшифровывая, цепь предохранения от запертый-ротора, задняя цепь обнаружения электродвигательной силы, настоящее обнаружение & управляемая схема, обнаружение напряжения тока & цепь защиты, etc., после очень немногого количества внешней компонентной регулировки, могут управлять различным sensorless безщеточным мотором DC, JY02A имеют некоторую нагрузк-начиная возможность, которая очень важна в большинств применениях. JY02A можно приложить к трехфазному мотору DC безщеточному с соединением «y» и «треугольника». |
| Применения: подметая роботы, автомобильные водяные помпы, стен-повешенные насосы циркуляции боилера, домашние насосы подкачки, генераторы кислорода, различные вентиляторы/воздуходувки, электрические отвертки, электрические занавесы, автоматические двери, гидравлические масляные насосы, высокие пневматические насосы давления, автомобильные компрессоры кондиционирования воздуха, компрессор DC безщеточный, вагонетка AGV, различное снабжение линейных и петли сортируя оборудование, газонокосилку, спрейер, подводный пропеллер, etc. |
Особенности:
Напряжение тока деятельности: 4,5 v-5.5 v.
Работая температура: -55-125 ℃
Режим привода: SPWM


