
Особенности:
OW27ZYJ Мотор шестерни DC имеет характеристики простой структуры, малошумный, неизменяемой скорости и длинного срока службы
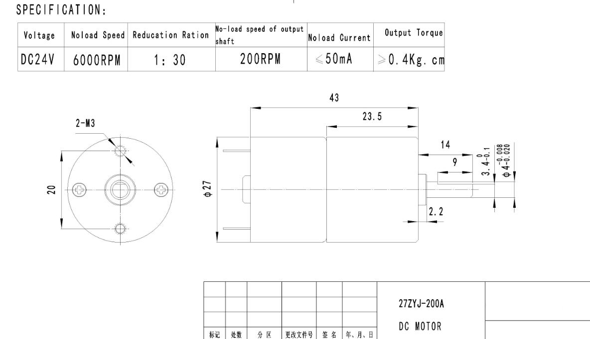
Спецификация Gernoral:
Поднимать температуры: 40K
Температура окружающей среды: -20℃~+80℃
Сопротивление изоляции: 100MΩ минута 500VDC
Напряжение тока изоляции: 500VAC для 1min
Уровень изоляции: E
| Модельная спецификация | OW27ZYJ | |||||
| Напряжение тока пользы | DC/V | 1.5V-24 | ||||
| Коэффициент уменьшения | 1/10 | 1/30 | 1/100 | 1/200 | 1/900 | |
| Скорость вращения на холостом ходе | rpm | 600 | 200 | 60 | 30 | 6 |
| Течение нулевой нагрузки | мамы | 60 | 60 | 60 | 60 | 60 |
| Вращающий момент выхода | g.cm | 100 | 300 | 1000 | 2000 | 3000 |
| Скорость оборотов под нагрузкой | rpm | 500 | 170 | 56 | 22 | 5 |
| Нагрузите настоящее | мамы | 120 | 120 | 120 | 120 | 120 |
| Сила | W | 2-3.5 | ||||
| Идущее направление | Двухнаправленное реверзибельное | |||||
ЭЛЕКТРОТЕХНИЧЕСКИЕ УСЛОВИЯ:
| Модель | Расклассифицированное напряжение тока | скорость мотора | коэффициент шестерни | Сила | Скорость вращения на холостом ходе | Течение нулевой нагрузки | Проектная скорость | Расклассифицированное течение | Номинальная нагрузка | Вращающий момент стойла | Течение стойла |
| V DC | rpm | 1: xxx | W | rpm | мамы | rpm | мамы | Kg.cm | Kg.cm | мамы | |
| OW27ZYJ-30A | 5 | 3000 | 100 | 2 | 30 | 100 | 80 | 250 | 1 | 3 | 600 |
| OW27ZYJ-200A | 12 | 6000 | 30 | 2 | 200 | 100 | 150 | 250 | 0,5 | 2 | 600 |
| OW27ZYJ-40A | 24 | 8000 | 200 | 2 | 40 | 90 | 32 | 230 | 2 | 5 | 700 |
| Нормальный коэффициент шестерни: 1/10 1/20 1/30 1/50 1/75 1/100 1/200 1/300 1/900 | |||||||||||
| Выше нормальные продукты, мы могут сделать как запрос клиента. | |||||||||||
Чертеж:

Применения:
Мотор widly используя на рекламировать оборудование выставки, медицинское оборудование, стабилизируя электропитание напряжения тока, машину полотенца, фотографическое оборудование и автоматический регулирующий прибор и другие поля.