
Особенности:
OW48ZYJ Мотор шестерни DC имеет характеристики простой структуры, малошумный, неизменяемой скорости и длинного срока службы
Спецификация Gernoral:
Поднимать температуры: 40K
Температура окружающей среды: -20℃~+80℃
Сопротивление изоляции: 100MΩ минута 500VDC
Напряжение тока изоляции: 500VAC для 1min
Уровень изоляции: E
| Модельная спецификация | OW48ZYJ | |
| Напряжение тока пользы | DC/V | 3V-12 |
| Коэффициент уменьшения | 1/208 | |
| Скорость вращения на холостом ходе | rpm | 18 |
| Течение нулевой нагрузки | мамы | 50 |
| Вращающий момент выхода | g.cm | 2000 |
| Скорость оборотов под нагрузкой | rpm | 14 |
| Нагрузите настоящее | мамы | 120 |
| Сила | W | 3 |
| Идущее направление | Двухнаправленное реверзибельное |
ЭЛЕКТРОТЕХНИЧЕСКИЕ УСЛОВИЯ:
| Модель | Расклассифицированное напряжение тока | скорость мотора | коэффициент шестерни | Сила | Скорость вращения на холостом ходе | Течение нулевой нагрузки | Проектная скорость | Расклассифицированное течение | Номинальная нагрузка | вращающий момент стойла | Течение стойла |
| V DC | rpm | 1: xxx | W | rpm | мамы | rpm | мамы | Kg.cm | Kg.cm | мамы | |
| OW48ZYJ-12A | 12 | 2500 | 208 | 3 | 12 | 40 | 10 | 80 | 2 | 3 | 300 |
| OW48ZYJ-18A | 12 | 3800 | 208 | 3 | 18 | 60 | 15 | 100 | 2 | 3 | 300 |
| OW48ZYJ-130A | 12 | 5500 | 40 | 3 | 130 | 60 | 100 | 100 | 0,6 | 1,2 | 300 |
| Нормальный коэффициент: 1/40 1/208 | |||||||||||
| Выше нормальные продукты, мы могут сделать как запрос клиента. | |||||||||||
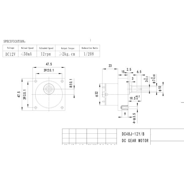
Чертеж:

Применения:
Мотор widly используя на рекламировать автоматический регулирующий прибор и другие поля.